QQ登录

只需一步,快速开始

登录 | 注册 | 找回密码

三维网

 找回密码
 注册

QQ登录

只需一步,快速开始

展开

通知     

查看: 4604|回复: 27
收起左侧

[已解决] 如图所示零件的加工方法

[复制链接]
发表于 2008-3-10 13:09:31 | 显示全部楼层 |阅读模式 来自: 中国香港

马上注册,结识高手,享用更多资源,轻松玩转三维网社区。

您需要 登录 才可以下载或查看,没有帐号?注册

x
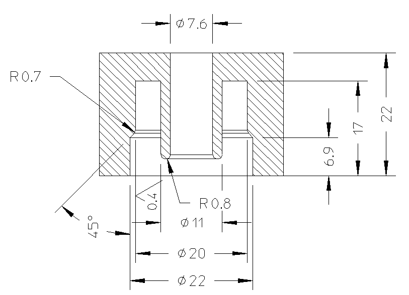
我有如下图所示的零件一个欲加工!
4 e9 [4 c9 E+ i/ Y: P+ A2 D, Y请问该使用何种加工方法,主要是里面那个阶梯孔!
$ ?/ |+ F2 [( F/ f9 i' J6 @单位是mm
- u: `" {- r4 r5 L% O注意我的表面粗糙度要求!
sshot-2.jpg
发表于 2008-3-10 13:45:34 | 显示全部楼层 来自: 中国山东泰安
此零件有实际用途吗?
) ]! m2 N# _, H: C& w  W设计有问题?
 楼主| 发表于 2008-3-10 13:52:19 | 显示全部楼层 来自: 中国香港
这是某零件的部分,其它部分被删剪掉了!设计有问题后面的就不要乱说了!) Z( G# ^5 G! [! }
这个东西肯定是做的出的,我只是想寻求一种最经济的制造方法!
发表于 2008-3-10 14:19:13 | 显示全部楼层 来自: 中国安徽合肥
此阶梯孔可设计一套型锪钻来加工,然后采用研磨套研磨或表面镀铬来获取表面粗糙度。$ H+ b% u0 z" t. u% S0 ]
2 }: c2 e" i; B: w, x  f
[ 本帖最后由 ljwquan 于 2008-3-10 14:23 编辑 ]
 楼主| 发表于 2008-3-10 14:38:58 | 显示全部楼层 来自: 中国香港
整体的话我会设计成铸造,关键是研磨的话是否能够给刀具空间呢?就是刀具下的去吗?
发表于 2008-3-10 16:12:15 | 显示全部楼层 来自: 中国广东肇庆

回复 1# 的帖子

如果就那么点大小,不是一车就出来了!
发表于 2008-3-10 16:40:51 | 显示全部楼层 来自: 中国广东肇庆

回复 6# 的帖子

空间确实不够,而且这么深,如果数量不多,应该是做套子研磨好吧!
发表于 2008-3-10 17:03:14 | 显示全部楼层 来自: 中国山西太原
楼主出了个很有意思的题目。
9 _; q; ~  W) t0 i1  可设计一个套形铣刀(上面叫锪钻),粗加工φ20/φ11环形槽。因排屑困难,每进刀一次就得退出清屑一次。3 P" C& z2 W* g: m
2  用高速钢刀条磨一小型车刀,车成内外圆。这里好者没有精度要求,只表面粗糙度要求。
. e4 o- B( e% ^# y( [; p* L! m# L+ ]3  进行电化学抛光,或设计一个套形砂轮磨内圆,使其达到表面粗糙度要求。

评分

参与人数 1三维币 +3 收起 理由
asdolmlm + 3 参与讨论

查看全部评分

发表于 2008-3-10 19:37:38 | 显示全部楼层 来自: 中国安徽芜湖
能否换一种思维方式:做成分体式,再进行装配后加工。
发表于 2008-3-10 21:47:27 | 显示全部楼层 来自: 中国黑龙江哈尔滨
先粗加工环形槽,用一种硬质合金的内孔小镗刀精车0.4内孔至尺寸,
6 z: U$ O  C. c" q4 e这种小镗刀我们公司用来精镗内孔,孔径有3MM的。就是不知道粗糙度0.4能否达到。
发表于 2008-3-10 21:58:52 | 显示全部楼层 来自: 中国北京
这个东西还真 是不好加工,主要是空间太小,可以考虑最后工序用研磨
发表于 2008-3-10 22:27:20 | 显示全部楼层 来自: 中国江西九江
用铸铁做个研磨棒就可以达到要求的。
$ X! p- d* }9 q5 S: w7 _+ ~0 z% A0 X# I
研磨棒中间钻个φ11.5孔,让开11外圆。
发表于 2008-3-11 12:49:55 | 显示全部楼层 来自: 中国陕西汉中
如果是单件活的话建议,先用车刀车孔留余量,再用电火花成型机将沉孔打出来
发表于 2008-3-11 14:26:41 | 显示全部楼层 来自: 中国浙江台州
同意十二楼的观点 后处理只能用研磨棒了 如果是单件产品前期加工可考虑电火花
发表于 2008-3-11 16:08:09 | 显示全部楼层 来自: 中国山东青岛
楼主,请注明材料的材质,对于不同材质其加工方法是不同的,如果是非金属材料,如塑料等可采用模具批量生产,其精度可完全保证。
发表于 2008-3-11 18:06:31 | 显示全部楼层 来自: 中国江苏苏州
中间的圆车床加工,沉孔部分先CNC开粗留余量再用电火花加工,可以的!再简便的就不知道了
发表于 2008-3-11 19:46:38 | 显示全部楼层 来自: 中国台湾
这是车件还是铣件阿..........# h, W; `; S8 L7 D4 A! Q; y# W- G- a
是车的话.....还有点难度......
& L& G' l+ _. O6 j- e! ^如果是铣件....难度真高.....
发表于 2008-3-11 20:36:57 | 显示全部楼层 来自: 中国湖北宜昌
是圆形可采用数控车编程一次加工完成,是方的上镗加工,例角例圆弧可磨成型刀加工。
发表于 2008-3-11 22:12:31 | 显示全部楼层 来自: 中国浙江台州
新手学习中
发表于 2008-3-11 22:19:39 | 显示全部楼层 来自: 中国浙江宁波
φ20的那个圆柱面槽深太浅,还没有退刀槽,研磨都很费劲,而且槽底那一段圆柱面不能保证精度,公差肯定偏下。- z+ Y& u+ t! w  a0 D0 |7 K

$ F  v" i: y4 E: F我觉得此工件设计有问题: 就那10.1的深度能有多大接触面积,那个φ20的圆柱面是用来定位的吗?你最好能给出全图,或者大致说明该工件的作用。* h- q. W) Y$ C- G  f
# {# n) i- Z9 ~$ _) t- D* b9 I! ~
[ 本帖最后由 YINDONG411 于 2008-3-11 22:21 编辑 ]
 楼主| 发表于 2008-3-12 13:06:39 | 显示全部楼层 来自: 中国香港

回复 20# 的帖子

这个设计保守估计最低成本约1万美元,如果产品成功,应用于全系列,价值就不是用万来衡量的了的了!
! y3 e/ L5 o1 K2 i. S* E所以全图肯定是不能给的!* k( F/ r2 k: G+ W
我希望大家今后在讨论时都能够就事论事,不要动不动就说别人设计有问题,每一个设计都不是盲目的,你只要回答用什么工艺能满足就行了!
+ h7 K4 c6 e1 u; Q7 v) T说话可能不够客气,大家原谅!
发表于 2008-3-12 16:08:32 | 显示全部楼层 来自: 中国浙江宁波
哦,密封件啊。$ h; d! V0 ?8 Y( E3 y* M* ^0 u: ], q
( v4 G2 |* Z' _
我是觉得类似的不通的槽很难加工到要求的, 能否考虑镶进一精密套筒呢?类似的套筒零件在微型轴承的制造方面已经由很成熟的工艺了,走批量的话可以显著降低成本。
" t. b, H: N, C  C套筒与工件的密封可以靠设计放密封圈解决。
发表于 2008-3-12 16:14:31 | 显示全部楼层 来自: 中国浙江台州
按现在的加工的方法可以采用冷挤压.
发表于 2008-3-12 16:49:50 | 显示全部楼层 来自: 中国广西玉林
使用金刚石厂刀具怎么样?
发表于 2008-3-18 18:46:40 | 显示全部楼层 来自: 中国上海
采用冷镦吧,这样很节约材料的。
发表回复
您需要登录后才可以回帖 登录 | 注册

本版积分规则


Licensed Copyright © 2016-2020 http://www.3dportal.cn/ All Rights Reserved 京 ICP备13008828号

小黑屋|手机版|Archiver|三维网 ( 京ICP备2023026364号-1 )

快速回复 返回顶部 返回列表