QQ登录

只需一步,快速开始

登录 | 注册 | 找回密码

三维网

 找回密码
 注册

QQ登录

只需一步,快速开始

展开

通知     

全站
11天前
查看: 2013|回复: 5
收起左侧

[求助] 三通比例调速阀和二通比例调速阀的一些问题

[复制链接]
发表于 2008-3-11 11:04:07 | 显示全部楼层 |阅读模式 来自: 中国湖北武汉

马上注册,结识高手,享用更多资源,轻松玩转三维网社区。

您需要 登录 才可以下载或查看,没有帐号?注册

x
1、三通阀的发热是比二通阀的低?
4 U# f+ W$ g: |7 l& Y+ F2、三通阀的P口是不是可以通A和T呢?5 x* [6 ~2 t. W4 @, f# N; c0 c
3、三通阀是三通定差减压阀和节流阀并联,还可以通过其他方式实现吗?9 H5 a, n, L8 a! S) @( Q, G) D- f
   是否可以通过压力阀和比例方向阀并联?1 g0 Z- N2 H+ D% @  j* b
) t3 k5 L* p$ Y/ c; t" g
谢谢大家!
发表于 2008-3-11 12:17:50 | 显示全部楼层 来自: 中国北京
1:在存在可比的条件下,三通阀的发热比二通阀的低。* p, S- Y% I$ k5 X! {
2、不可以。(1、楼主的A口是哪个口?2、楼主的目的是什么,请更详细说明一下。)
1 F& [+ D) K. ~3、可以通过压力阀和比例方向阀并联。
 楼主| 发表于 2008-3-11 13:12:49 | 显示全部楼层 来自: 中国湖北武汉

回复沙发的问题:

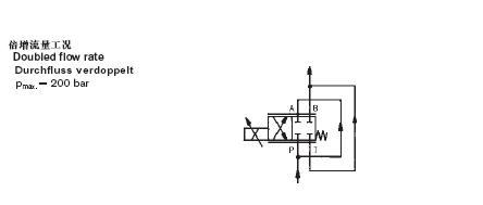
现在将这个工况发给您,不知道是不是这么理解您的意思的。
工况.bmp
发表于 2008-3-11 15:03:27 | 显示全部楼层 来自: 中国江苏无锡
楼主问的问题都是流量阀的关键:
, y  {' I$ H" L. d; k, s1,是对的,三通比两通要低!具个例子当负载的压力从10bar降到5bar时系统多余的5bar压力全部消耗在系统的发热上!而三通是定差溢流阀与节流阀并联安装的所以只有溢流损失没有节流能耗!
' h0 M" N% _) E$ S- z# J2.三通比例调速发阀只有P1到P2其它的就是T了
3 Z. E2 c; A1 r( C/ ?. E3.两通阀一般与定差减压阀与节流阀串联,而三通比例调速阀是定差溢流阀与节流阀并联./ i9 o/ k8 t1 Y2 w8 D9 A: @
其它的也有,流量力反馈或流量电反馈!
发表于 2008-3-11 19:29:17 | 显示全部楼层 来自: 中国北京
楼主你的那张图,
8 j( ?1 ]! v$ r! F充其量是个特殊的比例节流阀.
  S+ F+ e9 i& ~5 P, A  i; Q不是比例调速阀啊.
 楼主| 发表于 2008-3-13 13:19:57 | 显示全部楼层 来自: 中国湖北武汉
是不是我发的图 然后再并上一个压力阀就是个比例调速阀了?" c7 F/ ^: X6 [8 N$ j% }5 b/ [
我不太理解中间的这个油路的情况构成。所以在这里让大家见笑了。
发表回复
您需要登录后才可以回帖 登录 | 注册

本版积分规则


Licensed Copyright © 2016-2020 http://www.3dportal.cn/ All Rights Reserved 京 ICP备13008828号

小黑屋|手机版|Archiver|三维网 ( 京ICP备2023026364号-1 )

快速回复 返回顶部 返回列表