QQ登录

只需一步,快速开始

登录 | 注册 | 找回密码

三维网

 找回密码
 注册

QQ登录

只需一步,快速开始

展开

通知     

查看: 1887|回复: 4
收起左侧

[已解决] 公差问题

[复制链接]
发表于 2008-3-12 13:34:53 | 显示全部楼层 |阅读模式 来自: LAN

马上注册,结识高手,享用更多资源,轻松玩转三维网社区。

您需要 登录 才可以下载或查看,没有帐号?注册

x
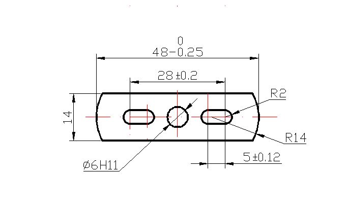
我现在用凸模与凹模配合加共法来算刃口的尺寸。但是我现在遇到一个问题:就是有些地方的公差没标,那么怎么知道它的公差呢?如果公差不知道,我就无法算出凹模刃口的尺寸。例如如中14  ,R14,R2那几个地方。
1.jpg
发表于 2008-3-12 13:40:29 | 显示全部楼层 来自: 中国福建泉州
图纸上没有表明公差的,可根据国家标准:GB/T 1804-92/2000 《一般公差 未注公差的线性和角度尺寸的公差》来确定。* ^! H1 }/ q3 W. D
参照标准:http://www.3dportal.cn/discuz/vi ... 4%D7%A2%B9%AB%B2%EE
 楼主| 发表于 2008-3-12 14:09:01 | 显示全部楼层 来自: LAN
是不是真的?书本上没说的?
发表于 2008-3-13 17:19:45 | 显示全部楼层 来自: 中国广东中山
原帖由 aqqw 于 2008-3-12 14:09 发表 http://www.3dportal.cn/discuz/images/common/back.gif. f2 ~* j' k, p
是不是真的?书本上没说的?

1 [  M2 y9 Q6 i7 z) x! ~0 C6 Z& s3 O9 z. d
这要看你这个零件有什么作用,在哪个级别公差带内能够满足功能要求就选那个级别的公差!
发表于 2008-7-15 22:35:58 | 显示全部楼层 来自: 中国广东惠州
书上是说没有标注公差就按IT11算呀
发表回复
您需要登录后才可以回帖 登录 | 注册

本版积分规则


Licensed Copyright © 2016-2020 http://www.3dportal.cn/ All Rights Reserved 京 ICP备13008828号

小黑屋|手机版|Archiver|三维网 ( 京ICP备2023026364号-1 )

快速回复 返回顶部 返回列表