QQ登录

只需一步,快速开始

登录 | 注册 | 找回密码

三维网

 找回密码
 注册

QQ登录

只需一步,快速开始

展开

通知     

查看: 2014|回复: 13
收起左侧

[已解决] 画出实体

[复制链接]
发表于 2008-3-24 15:50:23 | 显示全部楼层 |阅读模式 来自: 中国江苏南通

马上注册,结识高手,享用更多资源,轻松玩转三维网社区。

您需要 登录 才可以下载或查看,没有帐号?注册

x
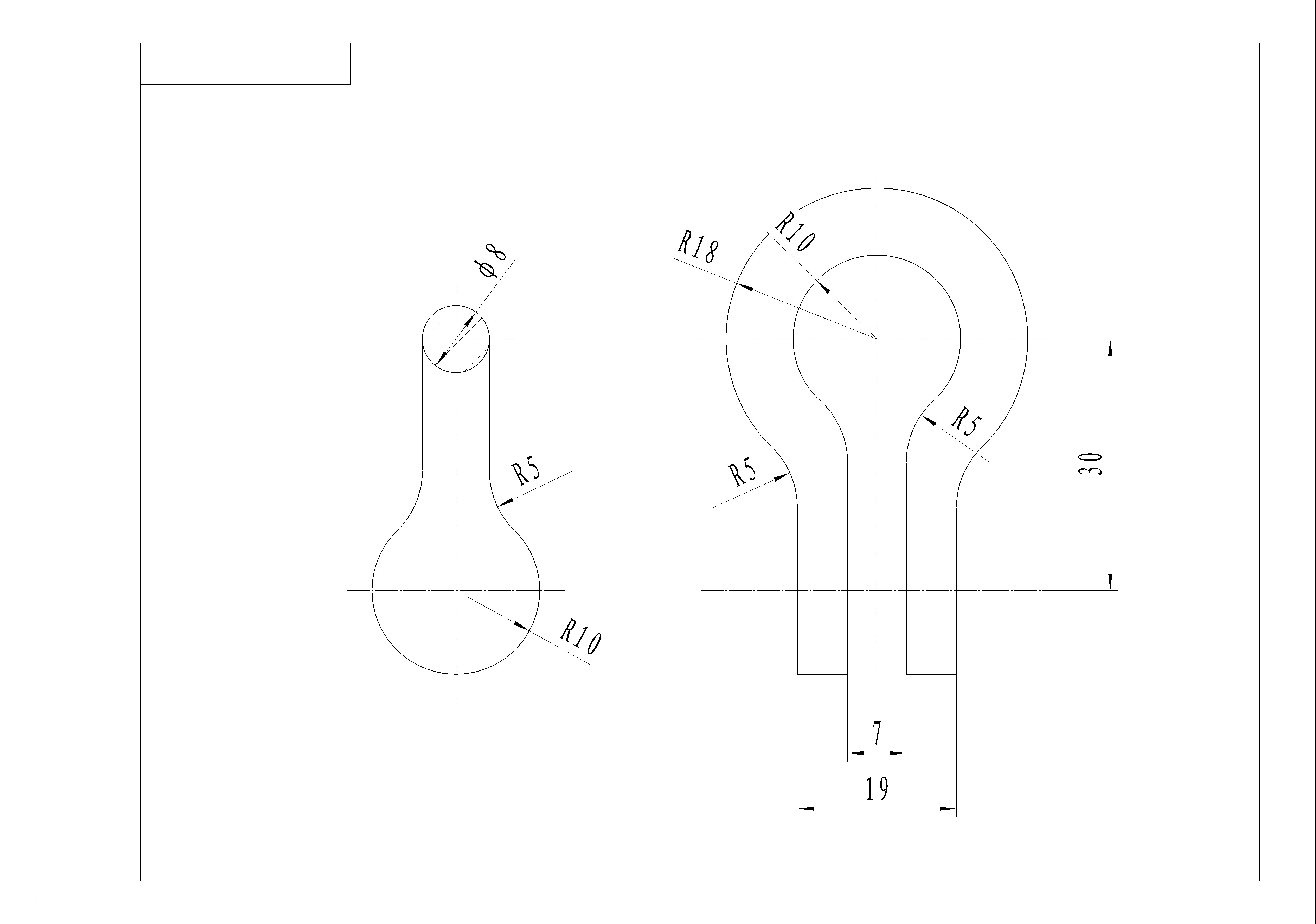
请大家看图片,请帮我画出实体,琏接处不知怎么画,,,,谢谢
1235.jpg
发表于 2008-3-24 16:11:50 | 显示全部楼层 来自: 中国湖南长沙
扫略或者网格试试看!

评分

参与人数 1三维币 +3 收起 理由
听雨轩 + 3 应助

查看全部评分

发表于 2008-3-24 19:10:13 | 显示全部楼层 来自: 中国浙江温州
我想用网格做,
: m, J- G1 B$ G7 {9 v" p选两边表面为主要线串,中在做间做两个截面,

评分

参与人数 1三维币 +3 收起 理由
听雨轩 + 3 应助

查看全部评分

发表于 2008-3-24 19:11:15 | 显示全部楼层 来自: 中国辽宁鞍山
很难吗?我也学学!!!
 楼主| 发表于 2008-3-25 09:34:19 | 显示全部楼层 来自: 中国江苏南通
主要是元R那里联接不太好,画不出
 楼主| 发表于 2008-3-25 17:18:14 | 显示全部楼层 来自: 中国江苏南通
怎么没有人帮我解决的呀,,,,,请大家动手来帮我看看,谢谢了
发表于 2008-3-25 19:28:02 | 显示全部楼层 来自: 中国山东淄博
不明白啊,这图是什么意思啊,请问是什么试图啊
 楼主| 发表于 2008-3-26 08:04:13 | 显示全部楼层 来自: 中国江苏南通
这个近是于钢绳锁,,怎么现在没有人看看呀,板主呢
发表于 2008-3-26 08:31:05 | 显示全部楼层 来自: 中国河北秦皇岛
看了半天,好象是有点明白了,我做做看啊!& A, d' O/ X% T  y6 B% @' W" m
刚刚有时间搞了一下,看看是这样么?我应该没有理解错吧!2 w- h$ }! F. N

  K& U/ ^3 ?; E. @[ 本帖最后由 wf123486zp 于 2008-3-26 11:11 编辑 ]
3-26.jpg

评分

参与人数 1三维币 +3 收起 理由
luohuayu + 3 技术讨论

查看全部评分

发表于 2008-3-26 10:18:17 | 显示全部楼层 来自: 中国广西柳州
就R5连接处有些难画,画出曲线完做网格
发表于 2008-3-26 11:53:10 | 显示全部楼层 来自: 中国上海
九楼的做的不错,我好眼红啊
发表于 2008-3-26 11:53:55 | 显示全部楼层 来自: 中国上海
能不能做个视频教程来看看呢
 楼主| 发表于 2008-3-27 08:22:51 | 显示全部楼层 来自: 中国江苏南通
板主不要乱加分给人家,他们光说思路,真真做起来,不一定会
发表于 2008-3-27 16:18:53 | 显示全部楼层 来自: 中国广东东莞
不明白啊,这图是什么意思啊,请问是什么试图啊
发表回复
您需要登录后才可以回帖 登录 | 注册

本版积分规则


Licensed Copyright © 2016-2020 http://www.3dportal.cn/ All Rights Reserved 京 ICP备13008828号

小黑屋|手机版|Archiver|三维网 ( 京ICP备2023026364号-1 )

快速回复 返回顶部 返回列表