QQ登录

只需一步,快速开始

登录 | 注册 | 找回密码

三维网

 找回密码
 注册

QQ登录

只需一步,快速开始

展开

通知     

全站
10天前
查看: 5190|回复: 14
收起左侧

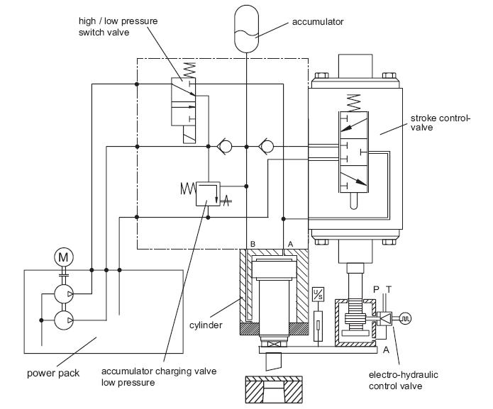
[求助] 大家看看哈雷转塔冲床的液压原理,分析分析

[复制链接]
发表于 2008-3-27 13:45:14 | 显示全部楼层 |阅读模式 来自: 中国江苏无锡

马上注册,结识高手,享用更多资源,轻松玩转三维网社区。

您需要 登录 才可以下载或查看,没有帐号?注册

x
qw.JPG 2 A8 B; Y, D0 L- q" p- O1 d

3 @9 F0 H0 d( a/ j. R[ 本帖最后由 tian_93172 于 2008-3-27 13:47 编辑 ]
weeew.JPG
发表于 2008-4-5 07:17:04 | 显示全部楼层 来自: 中国江苏常州
好资料 楼主要大家分析什么?》
发表于 2008-4-5 16:59:05 | 显示全部楼层 来自: 中国湖北武汉
冲击缸
5 t8 A2 B+ L1 o5 `, M2 [留下话,好关注。

评分

参与人数 1三维币 +1 收起 理由
柠檬咖啡 + 1 积极参与交流

查看全部评分

 楼主| 发表于 2008-4-7 12:53:52 | 显示全部楼层 来自: 中国江苏无锡
能帮我看看他是如何工作的吗?油缸向下和向上时油路如何走的?
发表于 2008-4-27 21:04:51 | 显示全部楼层 来自: 中国北京
这是简图,楼主还是看详细图比较好
发表于 2008-4-28 23:38:40 | 显示全部楼层 来自: 中国山东济南
这个比较熟悉了2 Y$ M! l- G% C
上图:, _7 w8 ^/ Y" C/ M. H/ H# q
1、高低压快速回路,高压启动时低压卸荷;
$ Z, x- H! |: v, U# i$ k* @9 O2、右侧小缸的作用是:伸出时主缸到达工作位置(主缸行程较大,用于更换摸具等用);
+ B4 p5 d8 Q2 v6 i9 ~- T& n( N3、右侧电液阀的阀芯在小缸作用下活动,是个机械伺服装置。" K1 H( e. L9 f: C( a
下图:/ q- |$ z( U2 S- y
直接用类似比例阀的机构驱动小缸即驱动主阀芯.
5 x6 t3 l0 v( A* F  J
( @0 Q, }5 s0 n; a. a$ f! L
, \  W6 _4 f8 X, f1 i. Xps:怎么感觉这个id很熟悉啊,如有时间论坛pm我; r4 f- y3 A( u. I0 h8 U3 J' W

2 ]( S# u; P% V! l' d! s[ 本帖最后由 novoid 于 2008-4-28 23:39 编辑 ]
发表于 2008-12-9 16:05:21 | 显示全部楼层 来自: 中国山东东营

求哈雷液压系统在中国的代理

数控液压冲床冲头上的电磁阀坏了,哪位大侠可以告诉我哈雷在中国的代理,先谢谢了!
发表于 2009-12-12 11:54:31 | 显示全部楼层 来自: 中国上海
上海有代理的,我们前不久刚买了个电磁阀
发表于 2009-12-12 22:20:25 | 显示全部楼层 来自: 中国湖北孝感
第一次接触这个   和各位好好学习下
发表于 2010-3-17 14:42:41 | 显示全部楼层 来自: 中国江苏苏州
刚刚入门。。。学习。学习。我公司要上冲床项目
发表于 2010-3-25 00:18:31 | 显示全部楼层 来自: 中国福建泉州
顶`````````````````````````````
发表于 2010-7-27 10:45:33 | 显示全部楼层 来自: 中国天津
济南银燕电子技术有限公司
5 x+ \" G; X/ T( K+ i1 r地        址:中国 山东 济南市 济南市青年东路" K7 F7 }5 H- e; K% E/ e7 \1 M
电        话:86-0531-82959777
9 H6 e/ q: Q3 m) Z2 J/ |( s1 T移动电话:— ( E6 L3 _% K7 V6 Y
邮        编:250011 - \9 E( q4 k+ M: ^+ R) L8 ]9 D7 [& C
传        真:86-0531-82912608 ) S+ y$ x- g7 H% n+ z! l" ]
公司网址:http://www.hl-hydraulic.com
发表于 2010-7-27 14:43:01 | 显示全部楼层 来自: 中国浙江台州
3、右侧电液阀的阀芯在小缸作用下活动,是个机械伺服装置。 ...1 ^1 p9 [; }* w" y

( X3 e7 e: n) a7 o. Q) z* z请问这个是什么意思,是指当小缸伸出的时候,伺服阀处于下位
) l% I- @9 q$ Y  b. Q" x$ o( {9 e当小缸收缩的时候,伺服阀处于上位?
头像被屏蔽
发表于 2011-7-17 09:57:30 | 显示全部楼层 来自: 中国江苏
提示: 作者被禁止或删除 内容自动屏蔽
发表于 2012-4-18 22:42:22 | 显示全部楼层 来自: 中国江苏南京
国产的冲压系统厂家主要有哪些啊?
发表回复
您需要登录后才可以回帖 登录 | 注册

本版积分规则


Licensed Copyright © 2016-2020 http://www.3dportal.cn/ All Rights Reserved 京 ICP备13008828号

小黑屋|手机版|Archiver|三维网 ( 京ICP备2023026364号-1 )

快速回复 返回顶部 返回列表