QQ登录

只需一步,快速开始

登录 | 注册 | 找回密码

三维网

 找回密码
 注册

QQ登录

只需一步,快速开始

展开

通知     

全站
10天前
查看: 3403|回复: 15
收起左侧

[求助] 高人们来帮忙分析一下GCr15热处理后的扫描电镜照片

[复制链接]
发表于 2008-4-7 09:07:16 | 显示全部楼层 |阅读模式 来自: 中国浙江杭州

马上注册,结识高手,享用更多资源,轻松玩转三维网社区。

您需要 登录 才可以下载或查看,没有帐号?注册

x
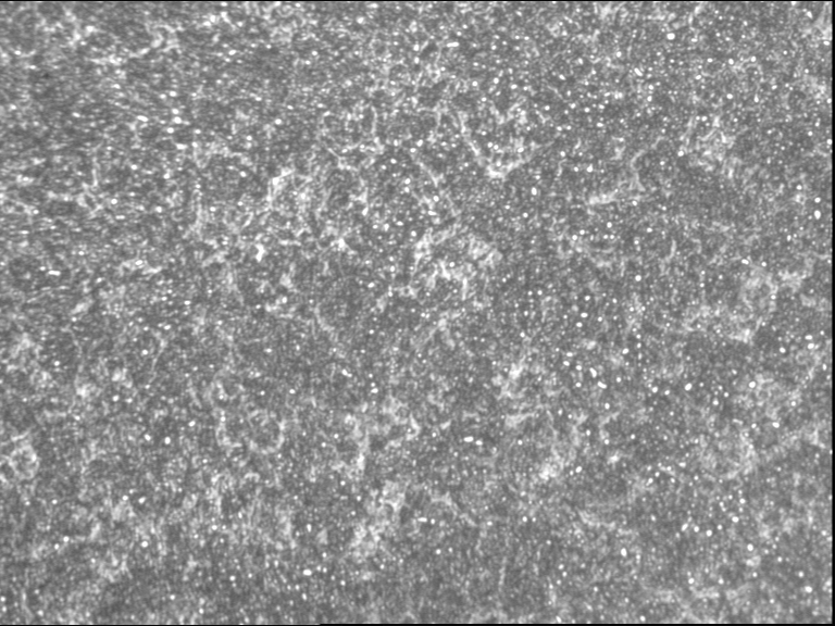
轴承钢正常热处理(845淬火)后,4%硝酸酒精浸蚀 的扫描电镜照片,白色球状的是残留碳化物,组织是马氏体组织吧,那些组织上有颜色很暗的小洞是什么原因,或者是什么组织?另外,这上面能不能看出残余奥氏体组织?
1-10000 (1).jpg
1-25000 (1).jpg
2-25000 (1).jpg
发表于 2008-4-8 14:33:17 | 显示全部楼层 来自: 中国湖北武汉
试解释:+ |9 R$ F/ m; d. r
(1)有颜色很暗的小洞,为在晶粒角隅部位存在的低熔点夹杂物;夹杂物;碳化物脱离后留下的凹坑(较圆整)。
, E, V3 w9 i4 s5 s; d. k4 u(2)因是金相试样的扫描电镜照片,鱼脊状的为马氏体,其它的也不一定全是残余奥氏体组织。

评分

参与人数 1三维币 +3 收起 理由
1135026 + 3 技术讨论

查看全部评分

发表于 2008-4-8 17:35:22 | 显示全部楼层 来自: 中国河北唐山
首先说一句,照相之前腐蚀的有点深,很多尺寸较大的未溶碳化物(图中白色块状物)都已经快脱落了。
1 }" \! v9 W: o5 d8 k1)颜色很暗的小孔洞应该是固溶处理时未完全溶解的小碳化物颗粒,在深腐蚀后脱落,形成小孔。
7 X2 r6 X/ B! N7 h) P2)三角形的小裂缝应该是一个三角晶界,主要是一些硫化物,淬火后在腐蚀时发生脱落。1 q8 Q- @5 @! L* ^" p8 s
3)扫描电镜下无法区分残余奥氏体,如果想观察残余奥氏体应该采用EBSD方法,简单的可以通过金相观察腐蚀形貌,残余奥氏体一般为白色。或者抛光后在电子探针下进行面扫描也可以看得出来。

评分

参与人数 1三维币 +4 收起 理由
1135026 + 4 技术讨论

查看全部评分

 楼主| 发表于 2008-4-9 12:42:13 | 显示全部楼层 来自: 中国浙江杭州
非常非常感谢上面两位HW1319和LLLDK3的分析!!  K8 b% a, A; F9 r. g/ Q
感谢LLLDK3提出的对残余奥氏体观察到建议!
 楼主| 发表于 2008-4-9 12:57:43 | 显示全部楼层 来自: 中国浙江杭州
当时腐蚀时间是15s,是不是太长了,一般要腐蚀几秒钟就可以了?
/ V5 \2 c  T4 c/ u- R" Q顺便再问问,通过金相观察要放大到几百倍?我放大到400×,感觉也看不出来残余奥氏体呀。是不是倍数太低了?
1402.BMP
1406.BMP
发表于 2008-4-15 00:57:36 | 显示全部楼层 来自: 中国江苏无锡
我们公司经常做轴承圈热处理,GCr15的材料840淬火....几乎看不到残奥........2 A" ?1 ]- i6 x2 e& @# G% l1 [
残奥需要深腐蚀才能看得到
发表于 2008-4-15 01:02:51 | 显示全部楼层 来自: 中国江苏无锡
GCr15,840淬火,1000x
未命名.jpg
发表于 2008-4-15 01:06:48 | 显示全部楼层 来自: 中国江苏无锡
C18E,860淬火,1000X,照片中的白色在针状马氏体之下的就是残余奥氏体.......
未命名.jpg
发表于 2008-4-15 21:03:11 | 显示全部楼层 来自: 中国山西忻州
残余奥氏体4-6%最好,针状马氏体可以在淬火之前进行球化处理,然后淬火效果较好,双液冷却,可以减少残余奥氏体。
 楼主| 发表于 2008-4-16 09:52:02 | 显示全部楼层 来自: 中国浙江杭州
原帖由 舞中飚歌 于 2008-4-15 00:57 发表 http://www.3dportal.cn/discuz/images/common/back.gif
. ~# x9 ]7 j7 W5 `: j% m' o我们公司经常做轴承圈热处理,GCr15的材料840淬火....几乎看不到残奥........
! K9 G, {! y7 \+ J+ a( l0 C残奥需要深腐蚀才能看得到

1 b  J3 @$ I0 X, f4 p& f: ~0 Q' b5 \6 r' i+ n* g' t
残余奥氏体和马氏体哪个更容易腐蚀呀?
发表于 2008-4-19 20:04:45 | 显示全部楼层 来自: 中国江苏无锡
当然是马氏体啊( C. q# A/ Z( q: k  |+ }
残奥需要深腐蚀才能看到.............
发表于 2010-4-19 18:04:08 | 显示全部楼层 来自: 中国上海
GCr15材料840度左右淬火,在光镜下是看不到残余奥氏体的,主要是因为残奥量太低,而且形态多为薄片状。
发表于 2010-4-19 21:09:13 | 显示全部楼层 来自: 中国广东韶关
同意楼上的说法,一般是很难看到的,可能需要特性的浸蚀剂
发表于 2010-4-19 22:48:14 | 显示全部楼层 来自: 中国河南新乡
GCr15金相的显著特点是有高碳区和低碳区,呈眼镜状,低碳区是隐晶马氏体和大量未溶碳化物,高碳区是细针状马氏体、点状碳化物和残余奥氏体,在马氏体针之间有残奥,只有当碳化物溶解较多,出现针状马氏体时,在光学显微镜下才能看到残奥.
发表于 2010-5-7 14:27:03 | 显示全部楼层 来自: 中国江苏常州
我是来学习得,我们公司准备买扫描电镜,但基础没怎么学,光靠工具不行吧
发表于 2010-12-8 09:38:33 | 显示全部楼层 来自: 中国陕西西安
做个EBSD试试,扫描电镜看形貌深腐蚀,做成分浅腐蚀
发表回复
您需要登录后才可以回帖 登录 | 注册

本版积分规则


Licensed Copyright © 2016-2020 http://www.3dportal.cn/ All Rights Reserved 京 ICP备13008828号

小黑屋|手机版|Archiver|三维网 ( 京ICP备2023026364号-1 )

快速回复 返回顶部 返回列表