QQ登录

只需一步,快速开始

登录 | 注册 | 找回密码

三维网

 找回密码
 注册

QQ登录

只需一步,快速开始

展开

通知     

查看: 2445|回复: 14
收起左侧

[求助] 阶梯剖

[复制链接]
发表于 2008-4-16 09:13:19 | 显示全部楼层 |阅读模式 来自: 中国浙江宁波

马上注册,结识高手,享用更多资源,轻松玩转三维网社区。

您需要 登录 才可以下载或查看,没有帐号?注册

x
SOLIDWORKS 有没有阶梯剖的功能?不是旋转剖,旋转后要展开的。
阶梯剖.jpg
发表于 2008-4-16 09:29:26 | 显示全部楼层 来自: 中国北京
当然有了,你在旁边的视图中画个阶梯形状的草图线段就可以了。: e- _4 P3 D3 k6 c5 C/ j

5 [: k) J6 ^! u, m* I阶梯剖很好使用的。
发表于 2008-4-16 10:03:45 | 显示全部楼层 来自: 中国江苏苏州
刚才试了一下,确实可以的* R. x  n, J4 `6 z
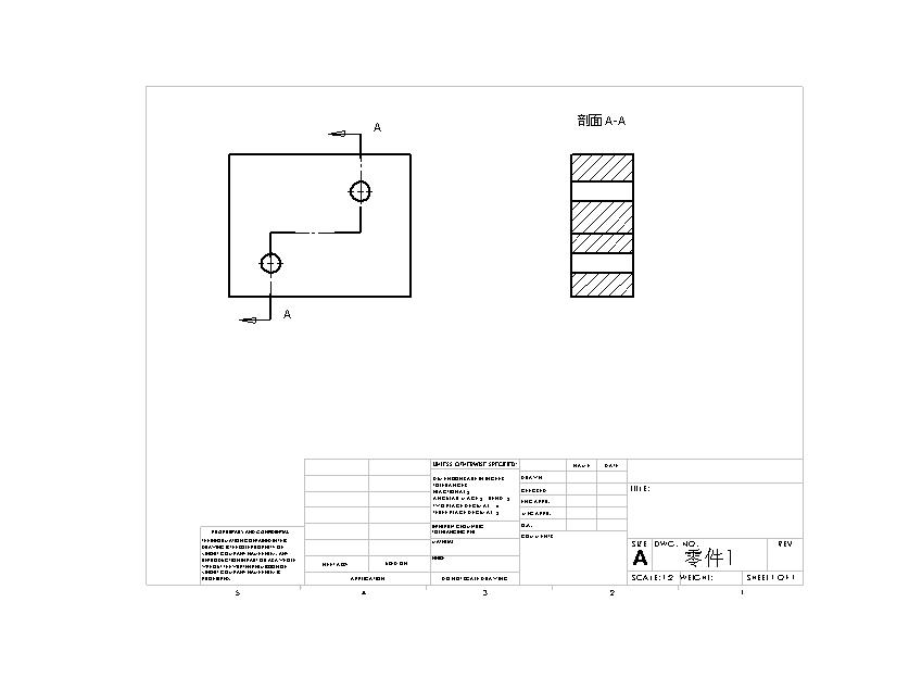
零件1.jpg

评分

参与人数 1三维币 +2 收起 理由
mr.lee + 2 应助

查看全部评分

 楼主| 发表于 2008-4-16 10:31:43 | 显示全部楼层 来自: 中国浙江宁波

回复 3# 的帖子

中间多了一条线,怎么去掉?剖线。你仔细看看(国标里应应该是没有的)。
8 J# D* c& c' d4 o4 U! T
# `0 `% H: R3 A8 z7 h
发表于 2008-4-16 10:31:47 | 显示全部楼层 来自: 中国辽宁抚顺
按你要的抛面划抛切线,然后全选抛切线,选择抛面视图按纽就可以了.
发表于 2008-4-16 11:36:47 | 显示全部楼层 来自: 中国辽宁抚顺
右键点要隐藏的线,选择隐藏就可以了

评分

参与人数 1三维币 +1 收起 理由
mr.lee + 1 应助

查看全部评分

 楼主| 发表于 2008-4-16 13:00:57 | 显示全部楼层 来自: 中国浙江宁波

回复 6# 的帖子

请问一下剖面线可以隐藏吗?
发表于 2008-4-16 13:21:59 | 显示全部楼层 来自: 中国北京
阶梯剖的方法和做普通剖视的方法是一样的。
发表于 2008-4-16 13:52:02 | 显示全部楼层 来自: 中国上海
我试了一下,怎么与3#箭头位置不一样?能往上移吗?
未命名.JPG
 楼主| 发表于 2008-4-16 16:16:36 | 显示全部楼层 来自: 中国浙江宁波

回复 9# 的帖子

双击箭头可以改变方向
发表于 2009-3-26 19:30:41 | 显示全部楼层 来自: 中国广东东莞

学习中

,学习中.:lol: :lol:
发表于 2009-3-27 16:58:47 | 显示全部楼层 来自: 中国广东深圳
走过,路过,可以学习的不放过
发表于 2009-3-27 22:02:41 | 显示全部楼层 来自: 中国辽宁铁岭
学习中。学习中。
发表于 2009-3-28 10:39:25 | 显示全部楼层 来自: 中国福建厦门
呵呵。。。我昨天刚刚用过。。。
发表于 2009-4-7 13:11:09 | 显示全部楼层 来自: 中国上海
我怎么用也不行,但阶梯剖确实是那样做的
发表回复
您需要登录后才可以回帖 登录 | 注册

本版积分规则


Licensed Copyright © 2016-2020 http://www.3dportal.cn/ All Rights Reserved 京 ICP备13008828号

小黑屋|手机版|Archiver|三维网 ( 京ICP备2023026364号-1 )

快速回复 返回顶部 返回列表