QQ登录

只需一步,快速开始

登录 | 注册 | 找回密码

三维网

 找回密码
 注册

QQ登录

只需一步,快速开始

展开

通知     

查看: 6042|回复: 7
收起左侧

[讨论] GB/T12459-2005钢制对焊无缝管件使用问题

[复制链接]
发表于 2008-4-18 15:14:41 | 显示全部楼层 |阅读模式 来自: 中国江苏无锡

马上注册,结识高手,享用更多资源,轻松玩转三维网社区。

您需要 登录 才可以下载或查看,没有帐号?注册

x
最近用到GB/T12459-2005钢制对焊无缝管件有几个问题想请教大家:
0 ^) p6 \  K" t2 g4 y6 N- N标准10.5标志示例
2 v/ D3 W( O! n3 o) b, S8 r! t2:公称尺寸DN100×80、外径为Ⅱ系列、壁厚等级Sch80、材料牌号为16Mn的同心异径接头,其标记为:1 I' L& f, `3 ^1 @0 E
DN100×80 -Sch80-16Mn  RC GB/T12459-2005# j" T+ ^2 \/ S
3:公称尺寸DN150、外径为Ⅰ系列、壁厚为4.5mm、材料牌号为0Cr18Ni990°长半径弯头,其标记为:* n* t  y3 i5 O3 j
DN150-4.5-0Cr18Ni9  90EL GB/T12459-20052 a- }" [% L* x9 E
说明:RC)代表同心异径接头;RC)代表90°长半径弯头;Ⅰ系列为英制管;Ⅱ系列公制管" o  R$ W0 v! z4 I8 e8 S
问题:
' z* R% Z- r$ N, }& A9 v1.
! k. k9 W4 G9 ?5 H& O$ A. ^
2外径为Ⅱ系列查附录B可知外径为108,壁厚等级Sch80查附录B可知公称壁厚为8.56,公称壁厚是什么意思?接头所配管子规格怎么选择?例3外径为168.3,壁厚为4.5,弯头所配管子规格怎么选择?
9 i  d. W# p) a# @2.9 C2 F3 Y) V5 n
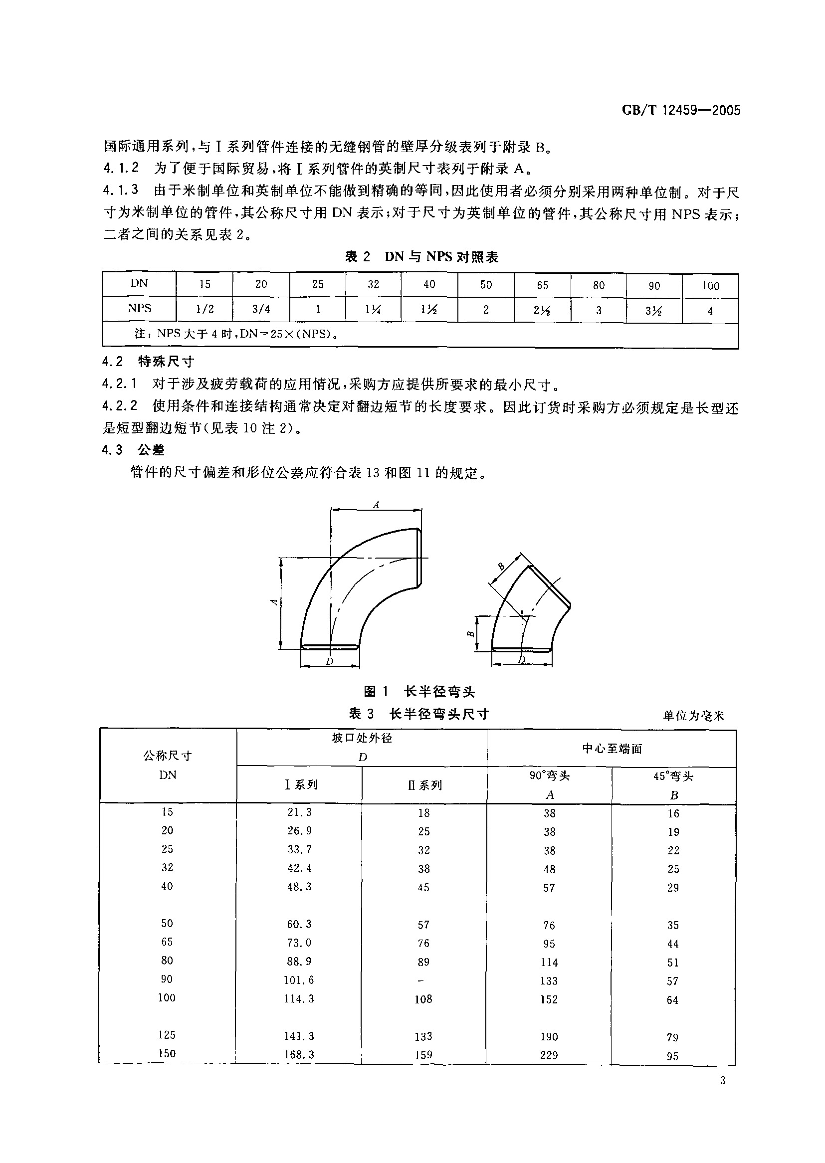
3长半径弯头尺寸中坡口处外径D在图13上应该是什么位置,D1 or D2?公称壁厚在图中是哪一段距离?' k* K) S$ _; a
这个标准是参考ASME标准的,和我国的管子规格怎么匹配?
# A9 x, o# v! p: {# ^/ b- V; g/ ]9 y$ D: J
标准论坛中有,我把标准发到您的邮箱也行,我的邮箱:yjt322@163.com3 L# K2 U6 y: C
$ i% \8 y% x% i, F8 c
[ 本帖最后由 89568003 于 2008-4-18 15:18 编辑 ]
GB-T 12459-2005钢制对焊无缝管件_Page_06.jpg
255.JPG
GB-T 12459-2005钢制对焊无缝管件_Page_43.jpg

评分

参与人数 1三维币 +3 收起 理由
liuhob + 3 鼓励!

查看全部评分

发表于 2008-4-20 23:01:48 | 显示全部楼层 来自: 中国江苏南京
公称壁厚就是你在标准中查出的壁厚。接管壁厚可以按管子表号确定,也可按公称壁厚相等的原则确定。

评分

参与人数 1三维币 +2 收起 理由
liuhob + 2 参与,LZ还有疑问,请继续

查看全部评分

 楼主| 发表于 2008-4-21 11:27:25 | 显示全部楼层 来自: 中国江苏无锡
原帖由 IMWORKMAN 于 2008-4-20 23:01 发表 http://www.3dportal.cn/discuz/images/common/back.gif
9 m" b1 v; m$ M公称壁厚就是你在标准中查出的壁厚。接管壁厚可以按管子表号确定,也可按公称壁厚相等的原则确定。
6 u% d- H  ~8 }1 P( e
公称壁厚与管子壁厚什么关系?相等?
6 {: ~, [/ z4 l. x6 V6 y5 Q3 z8 ^( S另外标准中给出了两种外径系列Ⅰ系列和Ⅱ系列,Ⅰ系列是ASME的标准系列DN15-400的外径都是带小数的,Ⅱ系列是我们国家经常使用的外径都是整数的。标准中外径是两种系列,但是壁厚却只提到了ASME的规格,没有我国的常用规格。5 Y- I0 A/ _3 m* \" G! K" C
2:公称尺寸DN100×80、外径为Ⅱ系列、壁厚等级Sch80、材料牌号为16Mn的同心异径接头,其标记为:
' ?2 V, f% a3 ~8 t" J6 @- SDN100×80 -Sch80-16Mn  RC GB/T12459-2005
+ C! N  d( p4 ~6 V2 ]# j) u3:公称尺寸DN150、外径为Ⅰ系列、壁厚为4.5mm、材料牌号为0Cr18Ni990°长半径弯头,其标记为:5 C& C" l# Y! M) o
DN150-4.5-0Cr18Ni9  90EL GB/T12459-2005
# x/ H+ y1 Q1 E- t/ u说明:RC)代表同心异径接头;RC)代表90°长半径弯头;Ⅰ系列为英制管;Ⅱ系列公制管
6 K  s3 n3 Y. Z' r问题:
8 I# L  C; t$ X1 N& e' ?1.* V2 n  \; o) {+ m
2外径为Ⅱ系列查附录B可知外径为108,壁厚等级Sch80查附录B可知公称壁厚为8.56,公称壁厚是什么意思?接头所配管子规格怎么选择?例3外径为168.3,壁厚为4.5,弯头所配管子规格怎么选择?
发表于 2008-4-22 23:15:34 | 显示全部楼层 来自: 中国江苏无锡
问题:' x" G8 [0 l1 z9 Y9 t
1.
7 a3 b$ R2 P6 q+ [- k+ B: p例2外径为Ⅱ系列查附录B可知外径为108,壁厚等级Sch80查附录B可知公称壁厚为8.56,公称壁厚是什么意思?接头所配管子规格怎么选择?8 n: W2 ^7 w# y/ ~7 ~6 \  i
SCH80外径108的管件的公称壁厚就是8.56,公称壁厚就是按壁厚等级表查出的壁厚,接头所配的管子规格就选 108*8.56的。如没有相同的可选稍厚点的如108*9r
$ @9 f* W  t  x. b例3外径为168.3,壁厚为4.5,弯头所配管子规格怎么选择?
, X; N% C0 q( M$ t+ ^管子可选成与管件相同的型号
 楼主| 发表于 2008-4-24 11:17:00 | 显示全部楼层 来自: 中国江苏无锡
总结一下:9 [$ `( B5 ?  E* t0 d
坡口处外径有两个系列,系列1是ASME标准,系列2是国内常用标准,在国内做选系列2 就可以了。% Z  y6 L2 B% U" L
壁厚:壁厚等级SchXX也是ASME标准,国内直接选管子最小壁厚如3mm,4.5mm等就行,应和所接的管子壁厚相等。
7 z' `' Y1 |$ O& s3 O& Z' o) Z1 h
[ 本帖最后由 89568003 于 2008-4-24 11:18 编辑 ]
头像被屏蔽
发表于 2008-4-29 10:29:08 | 显示全部楼层 来自: 中国重庆
提示: 作者被禁止或删除 内容自动屏蔽
发表于 2008-12-17 05:48:16 | 显示全部楼层 来自: 中国辽宁沈阳
公称壁厚就是按壁厚等级表查出的壁厚。
/ a, n( Z1 m9 s8 p) S* p8 R所谓“公称壁厚”是因为实际管件或管子存在壁厚偏差。管件或管子壁厚的最大偏差可查阅其标准。实际计算壁厚应为“公称壁厚”减去“壁厚的最大偏差”,可能还有“腐蚀余度”等
发表于 2009-7-14 11:53:34 | 显示全部楼层 来自: 中国河北沧州
1.7 R/ ~+ |! X* A. I+ u
例2外径为Ⅱ系列查附录B可知外径为108,壁厚等级Sch80查附录B可知公称壁厚为8.56,公称壁厚是什么意思?接头所配管子规格怎么选择?
/ i/ z, _6 L2 QSCH80外径108的管件的公称壁厚就是8.56,公称壁厚就是按壁厚等级表查出的壁厚,接头所配的管子规格就选 108*8.56的。如没有相同的可选稍厚点的如108*9r 0 P# J% v6 }5 r
例3外径为168.3,壁厚为4.5,弯头所配管子规格怎么选择?' O$ C' E. ]3 g' {
管子可选成与管件相同的型号) J( A+ ^& v& X5 j/ \. j
注意一点:这个壁厚已经考虑到腐蚀量。/ [6 B/ ^  V: {& ^* j  I) @+ e
2、壁厚允许下差0.875S
发表回复
您需要登录后才可以回帖 登录 | 注册

本版积分规则


Licensed Copyright © 2016-2020 http://www.3dportal.cn/ All Rights Reserved 京 ICP备13008828号

小黑屋|手机版|Archiver|三维网 ( 京ICP备2023026364号-1 )

快速回复 返回顶部 返回列表