QQ登录

只需一步,快速开始

登录 | 注册 | 找回密码

三维网

 找回密码
 注册

QQ登录

只需一步,快速开始

展开

通知     

查看: 3311|回复: 15
收起左侧

[已解决] 刀路经怎么可以这样走?搞不懂

[复制链接]
发表于 2008-4-22 11:06:08 | 显示全部楼层 |阅读模式 来自: 中国江苏苏州

马上注册,结识高手,享用更多资源,轻松玩转三维网社区。

您需要 登录 才可以下载或查看,没有帐号?注册

x
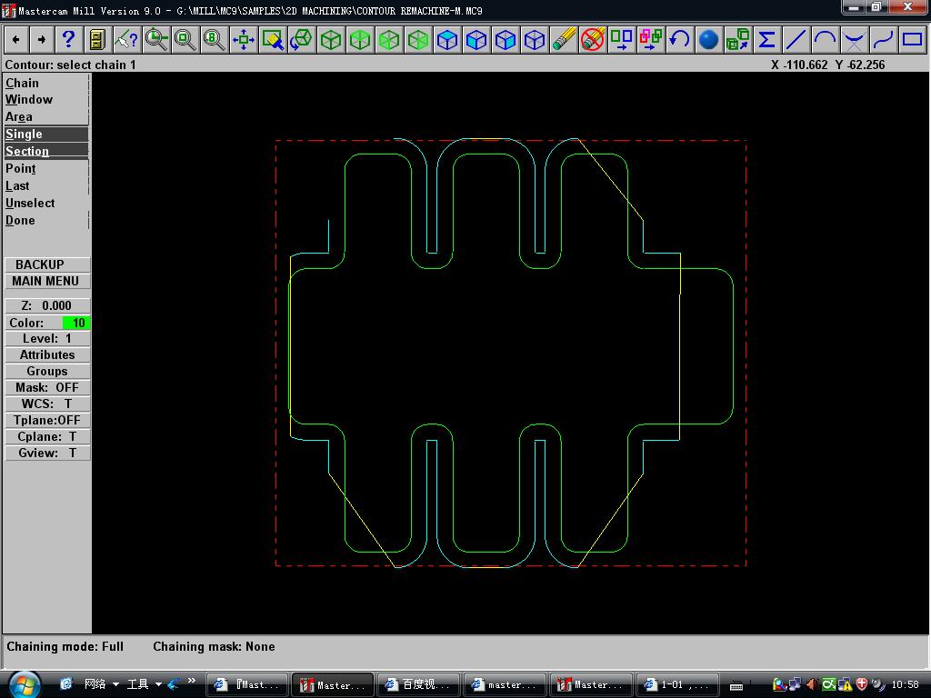
师傅们:请问刀路经怎么可以这样走?搞不懂,它是怎么窜连的啊 :( 希望高手指点一下 ll.JPG
发表于 2008-4-22 11:19:34 | 显示全部楼层 来自: 中国广东广州
看了你的这个贴沃才知道强中自有强中手,你能把路径做成这样实属不易呀 从图中看来你应该是在做外形铣削。你是不是选串联的时候选少了几段,也就是说被跳过的那几段是不是和那些线没有连来哦。
发表于 2008-4-22 11:34:37 | 显示全部楼层 来自: 中国浙江宁波
在选择串连前,先要把多出来的线删掉,有些CAD导进去的线,有些没有联接的,你应该把它们整理一下,不然,; y$ ?- g& [# i+ ~7 b. p  T' L
后果嘛,大概感受到了吧
 楼主| 发表于 2008-4-22 12:10:12 | 显示全部楼层 来自: 中国江苏苏州

2D残料清角

上一步已加工过 我就是郁闷第二步的刀路经是怎么窜连的 po.JPG
 楼主| 发表于 2008-4-22 12:14:36 | 显示全部楼层 来自: 中国江苏苏州

双击图 然后

双击图 然后用鼠标滚动能放大图 可看的清楚
发表于 2008-4-22 13:57:24 | 显示全部楼层 来自: 中国江苏扬州
第二步刀具路经的串连应该是没有问题的,问题在于你使用了残料加工,自己好好想想吧

评分

参与人数 1三维币 +2 收起 理由
qiushaojun + 2 应助

查看全部评分

 楼主| 发表于 2008-4-22 14:58:04 | 显示全部楼层 来自: 中国江苏苏州

多谢6#

果然是用了残料加工的缘故,模拟时自动生成这样的路经。看来还要多多熟练这些细节问题啊!good

评分

参与人数 1三维币 +1 收起 理由
qiushaojun + 1 加油!

查看全部评分

发表于 2008-4-22 15:26:45 | 显示全部楼层 来自: 中国广东广州
原来是残料清角加工,那生成这样的路径久不奇怪了。因为他只做上次刀具没有切到的地方。所以那些地方才会出现跳刀现象了
发表于 2008-7-26 20:46:08 | 显示全部楼层 来自: 中国广东佛山
这个方法很方便的。  重在理解
发表于 2008-7-30 00:30:58 | 显示全部楼层 来自: 中国广东深圳
这就是用2D加工中的清角加工就可以了,.没什么难的,也很好用,
发表于 2008-7-30 20:26:39 | 显示全部楼层 来自: 中国湖北武汉
外形铣削重要的就是在你的圆弧和你的刀具的选择 还有岛屿的选择
发表于 2008-8-2 00:25:34 | 显示全部楼层 来自: 中国广西柳州
出现这个问题可能的原因有2:- g# Y4 [, |# m+ I1 a) Y
1 未串联到的地方出现两条以上线段的重叠
; N; n/ g; ?+ z6 L  f8 A2 串联线段时没有选全,中间出现不太易察觉的断节
4 v0 s! n( s! z# x- A: z) s以上两个原因归根结底都是绘图质量不高造成的,请楼主注意检查
发表于 2008-8-2 23:04:44 | 显示全部楼层 来自: 中国广西玉林
谁有MASTERCAMX2的视频教程啊?
发表于 2008-8-6 10:49:32 | 显示全部楼层 来自: 中国浙江杭州
这就是用2D加工中的清角加工就可以了,.没什么难的,也很好用,
) f) H0 j9 [) a同意!10楼
发表于 2008-8-6 14:27:45 | 显示全部楼层 来自: 中国福建厦门

这个方法很方便的。 重在理解

这个方法很方便的。  重在理解
发表于 2008-8-9 17:01:35 | 显示全部楼层 来自: 中国浙江宁波
谢谢楼主的分享 支持一下
发表回复
您需要登录后才可以回帖 登录 | 注册

本版积分规则


Licensed Copyright © 2016-2020 http://www.3dportal.cn/ All Rights Reserved 京 ICP备13008828号

小黑屋|手机版|Archiver|三维网 ( 京ICP备2023026364号-1 )

快速回复 返回顶部 返回列表