QQ登录

只需一步,快速开始

登录 | 注册 | 找回密码

三维网

 找回密码
 注册

QQ登录

只需一步,快速开始

展开

通知     

查看: 2163|回复: 2
收起左侧

[求助] 求助sauer90系列闭式泵的工作原理

[复制链接]
发表于 2008-4-23 11:50:52 | 显示全部楼层 |阅读模式 来自: 中国河北秦皇岛

马上注册,结识高手,享用更多资源,轻松玩转三维网社区。

您需要 登录 才可以下载或查看,没有帐号?注册

x
各位大哥:, D: Z6 _" Y: M7 }
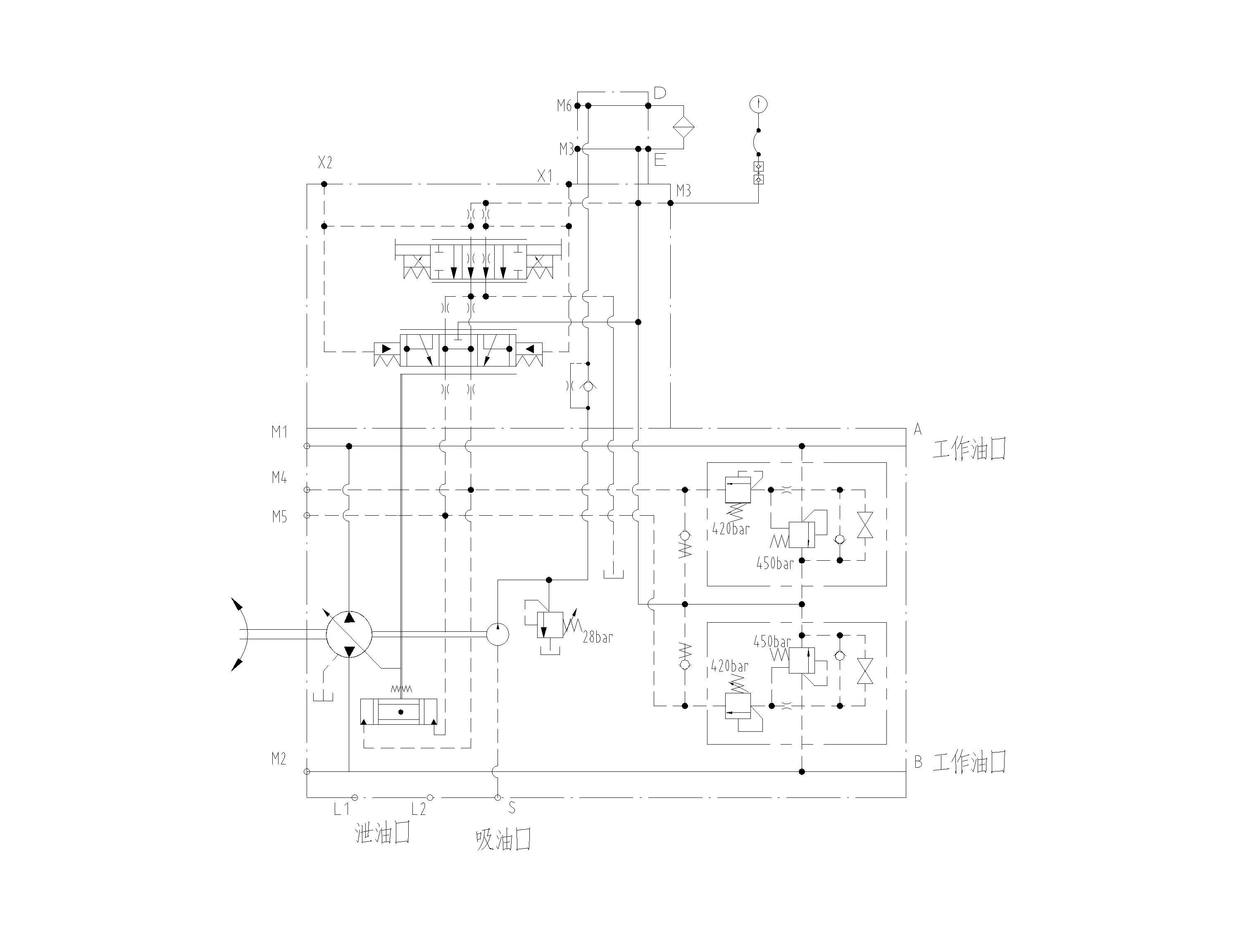
给俺解释一下sauer90系列闭式泵具体的工作原理及控制原理
. |& `- E4 z& e5 S& V1 @
/ ]3 B# u+ u9 U- O2 w8 \) b[ 本帖最后由 cnjason 于 2008-4-23 13:25 编辑 ]

sauer 90R闭式泵原理图

sauer 90R闭式泵原理图
发表于 2008-4-24 09:12:07 | 显示全部楼层 来自: 中国江苏无锡
这应该是一张变量泵控制图!这是一位置力反馈型流量调解泵!变量缸的油液是通过辅助泵的供油的在由图上,下面一个换向阀进行换向决定起变量杆的工作位置在+100%或-100%之间转换.是该阀起换向作用的是阀两端液压力发生了变化,因为换向两端的控制油有一个压差值,此压差值是有图上上面一个换向阀决定!这样就可以控制变量泵的流量了!
  J% m- P" V% G' J3 G图下方的右边的两块阀块则是泵两个方向作用每个方向的上的安全阀避免超载!
1 h( q4 y3 n2 t* D) [: F, \% f个人看法!说的不对还请谅解!
* m0 P0 d  A+ t0 _- l1 a6 ?) N
6 [% F7 f" ?" T) {/ E/ L[ 本帖最后由 wuwanfu 于 2008-4-24 14:49 编辑 ]

评分

参与人数 1三维币 +3 收起 理由
晨砂 + 3 技术讨论!

查看全部评分

发表于 2008-4-24 13:40:29 | 显示全部楼层 来自: 中国广东广州
此泵的三位四通阀是三位五通的先导阀,油压由补油泵提供。三位四通阀在左位时,三位五通的右边先导油背压减小,为伺服缸左腔通压力油,右腔回油箱,缸动后通过杠杆带动阀套,此时摆量与三位四通阀移动量成正比。当B口油压超过420BAR时,阀打开,以稍高于28BAR的压力作用于伺服缸右腔(加上单向阀的开启压力)使流量减小,同时通过杠杆带动阀套,使三位五通阀工作在左腔,阀口大开,使伺服缸迅速减到最小,450BAR一般地说不会打开,起安全保护作用。

评分

参与人数 1三维币 +3 收起 理由
晨砂 + 3 技术讨论!

查看全部评分

发表回复
您需要登录后才可以回帖 登录 | 注册

本版积分规则


Licensed Copyright © 2016-2020 http://www.3dportal.cn/ All Rights Reserved 京 ICP备13008828号

小黑屋|手机版|Archiver|三维网 ( 京ICP备2023026364号-1 )

快速回复 返回顶部 返回列表