QQ登录

只需一步,快速开始

登录 | 注册 | 找回密码

三维网

 找回密码
 注册

QQ登录

只需一步,快速开始

展开

通知     

全站
11天前
查看: 4431|回复: 19
收起左侧

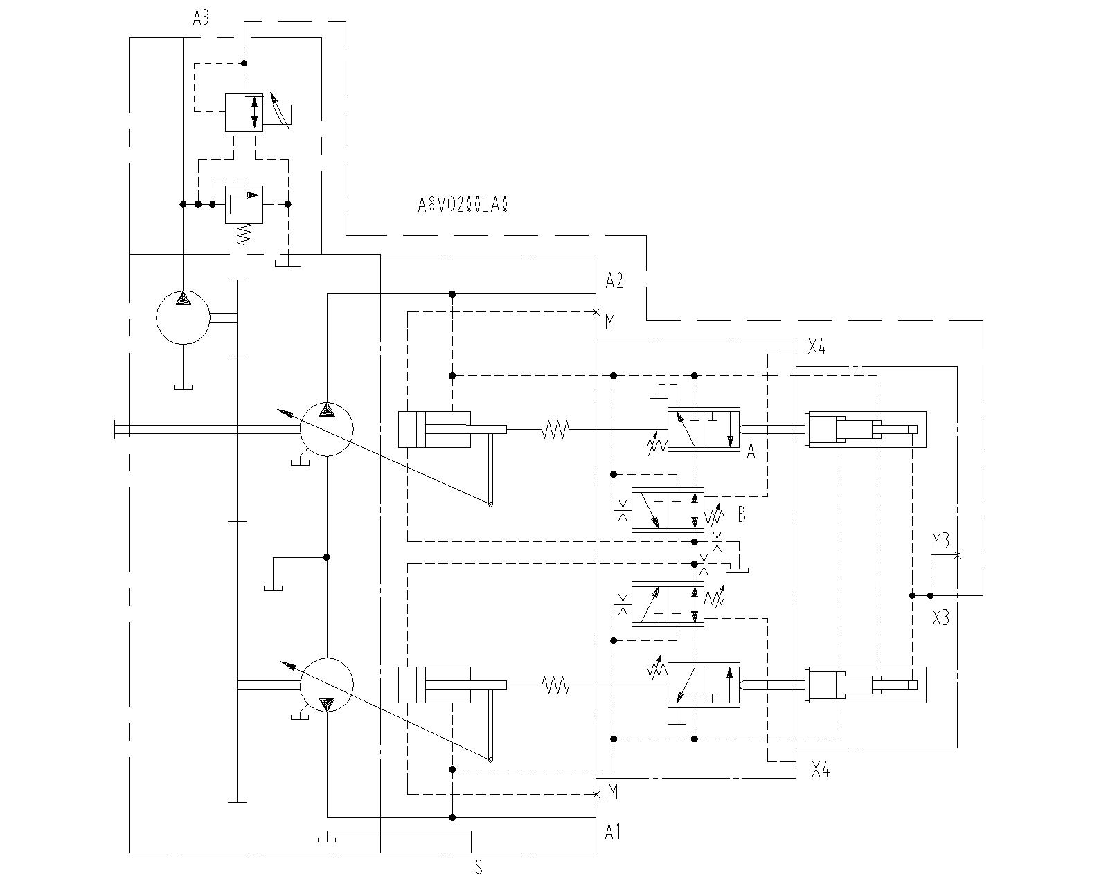
[求助] 关于力士乐A8VO双泵的控制

[复制链接]
发表于 2008-5-20 22:49:11 | 显示全部楼层 |阅读模式 来自: 中国上海

马上注册,结识高手,享用更多资源,轻松玩转三维网社区。

您需要 登录 才可以下载或查看,没有帐号?注册

x
请教以下几个问题/ n* G5 ^/ @8 @1 t
1.图中A.B两个阀各起什么作用,怎么调节
9 ~0 u4 k1 g0 h$ F0 H2 N2 M2.这两个阀的先后动作顺序是怎么样的' {+ v# i2 U/ p6 q/ }% W8 B3 b
3.最小流量怎么设置,再哪里
A8VO200LA0.jpg
发表于 2008-5-21 10:29:10 | 显示全部楼层 来自: 中国浙江杭州
图看的不是很清楚
( B: ]) y$ t. v) S) n& t1 }/ q重新处理一下吧
发表于 2008-5-21 13:58:41 | 显示全部楼层 来自: 中国陕西榆林
将文件转换成了PDF格式供大家讨论

A8VO200LA0.pdf

126.76 KB, 下载次数: 48

发表于 2008-5-21 15:20:24 | 显示全部楼层 来自: 中国江苏无锡
你应该把说明书发全!要不然没发看的!除非用过这个泵的人知道
发表于 2008-5-21 21:04:56 | 显示全部楼层 来自: 中国北京
A阀: LS压差控制阀.: [+ @8 h" J3 R9 X
B阀: 恒功率控制阀.
( j, E, x' M4 f: v2 w0 ]! ]/ [( o  [5 ~泵在设定的恒功率(近似)曲线以下工作时,B阀不动作,! ^0 N2 B8 c0 ~0 A: H1 @9 q
一旦超了恒功率,B阀就要越权控制泵的排量.& s( H! @& n& ]) f
在泵的"尾巴"(与泵输入轴垂直方向)上有两个螺钉是调节泵的最小流量的., H& q- E1 v. W1 B7 V* o* w

2 `. r/ d5 M1 ~& B; V$ e[ 本帖最后由 liu_jk 于 2008-5-21 21:06 编辑 ]

评分

参与人数 1三维币 +3 收起 理由
晨砂 + 3 技术讨论

查看全部评分

发表于 2008-5-21 21:28:44 | 显示全部楼层 来自: 中国广西玉林
回复楼主,这个泵应该是用在挖掘机上。5 H5 N( L4 N% E9 v6 O3 Y7 P
该泵具有如下功能:- A4 @  `: G8 I1 u, c) ]9 J. N
(1)双泵总功率调节,通过调节X3压力实现。
* p; I0 e9 p/ N8 T(2)交叉功率调节,即当某一泵的吸收功率较低时,发动机剩余的功率可以由另一泵利用(要符合某些条件)。
0 O% F1 t% ]2 N: X  n$ P$ y1 q( q(3)流量调节,通过X4实现,通常X4为多路阀压力反馈口。- V7 d$ c  W0 U2 g
A是功率调节阀
! W* |; A8 F+ {B是流量调节阀
' e9 B& b( P8 }( h功率调节优先级高于流量调节,即泵的吸收功率未超过设定功率时,泵按流量需求供油,当泵的功率到达设定功率时,泵按设定功率供油。

评分

参与人数 1三维币 +5 收起 理由
晨砂 + 5 技术讨论

查看全部评分

发表于 2008-5-21 21:41:19 | 显示全部楼层 来自: 中国北京
呵呵,不好意思,一不小心把A,B搞反了(5楼)。. e8 Y; N5 u6 J, @; C9 {1 U$ y
即A为B ,B为A。
 楼主| 发表于 2008-5-22 23:48:33 | 显示全部楼层 来自: 中国上海
感谢楼上各位大侠的帮助,还有几个问题; W; O; s( I' o
1. 五楼讲的在泵的"尾巴"(与泵输入轴垂直方向)上有两个螺钉是调节泵的最小流量的
3 Q7 I: A& c; X+ D应该就是这个图上M3旁边的调节旋钮螺杆了,最高点处,那么应该是拧紧可以增大最小排量,对面的地方,最下边的螺杆是不是限制最大流量的,拧紧减小最大排量。
# V  [# K. ~* [! c* s# G2。如果X4没有压力会怎样。应该是最小排量了,这个最小排量的大小有什么讲究,多大可以,多大不可以4 t3 S4 ?/ s, k1 @7 ~; Z5 J% m
3.可否讲一下泵的加载过程
) s6 s8 H# Z* H8 ~+ g! q8 f
  k% O& X' i4 M7 R[ 本帖最后由 yongdongji 于 2008-5-22 23:56 编辑 ]
a8vo.jpg
发表于 2008-6-4 21:44:48 | 显示全部楼层 来自: 中国广西玉林
回复楼上(2)、(3):
; [6 A; ]# R; f: D4 L3 z5 A(2)由负载敏感Pp-Px4=dP,因为x4=0,泵将调整流量,维持出口Pp=dP,直到受到功率限制或者斜盘摆角限制。1 [) Q+ R% }5 t& F' i
(3)泵的加载过程就是负载的加载过程,和其它泵应该没有区别吧。
 楼主| 发表于 2008-6-4 23:53:43 | 显示全部楼层 来自: 中国上海
调节B阀处的弹簧应该就是调节dP,那么这个调节螺杆的实物是哪个,调了会怎样?泵的这个dP和阀的那个dP是怎么个关系。
发表于 2008-6-5 10:42:24 | 显示全部楼层 来自: 中国湖南长沙

我是做泵方面的

想下载那个
- i$ M* P+ b8 a& p) }2 v. _但是积分不够
: T, ]" }8 `2 }汗~~~
发表于 2008-6-5 21:49:00 | 显示全部楼层 来自: 中国广西玉林
DP信号要么在泵上取出,要么从阀上取出,二者有一即可。我见过的力士乐是从泵上取出,东芝从阀上取出。反正起的作用都一样,只是管路损失有差别而已。补充一下:所谓取出,是流量阀B装在泵上还是多路阀上。楼上可能对负载敏感还不是很清楚,建议在论坛在搜索相关主题。& l/ t+ H4 N9 v: e7 Z$ w
0 j( C3 S( P+ m" b: D, d( U# `& m/ m# {
[ 本帖最后由 lwgx 于 2008-6-5 22:08 编辑 ]
发表于 2008-6-5 23:08:18 | 显示全部楼层 来自: 中国江西九江
那个调节螺钉调节流量与压力。+ s- A# Y, n2 U. ]2 L) U
这种泵的加压过程怎样的?适应范围有哪些呢?
 楼主| 发表于 2008-6-6 00:06:54 | 显示全部楼层 来自: 中国上海
那你说这个系统中dP是怎样的,大小是怎么确定的,不是阀决定的吗?

A1.rar

155.02 KB, 下载次数: 17

发表于 2008-6-17 21:20:54 | 显示全部楼层 来自: 中国江苏徐州

A8VO

1、A8VO在工程机械上主要用在挖掘机、起重机等履带式上;
+ I# U: V6 a0 Q6 w0 n- v2、图中泵的控制方式为LS、总功率控制且带功率越权控制既可以降低双泵的总功率实现极限功率控制也称负载控制;
1 _* g  g" G% }' l- Z! p& F3、LS的dP可以通过一Y3口左右的调节螺栓来分别调节,一般在16~30bar,主要有负载敏感阀确定;
% ?/ p% c1 |  Q& x1 e- r4、泵的最小排量主要有系统来确定,不过有最小排量既待命流量可以提高泵的响应速度

评分

参与人数 1三维币 +3 收起 理由
柠檬咖啡 + 3 技术交流

查看全部评分

发表于 2008-6-17 21:51:10 | 显示全部楼层 来自: 中国上海
这种泵主要用在工程机械上,详细地说明可以参见力士乐样本,A3口出来的压力油可以调节泵的输出功率,比例减压阀的控制信号可以连接到发动机上,使动力源的输出与执行机构的动作、负载相关联,从而节省能源,再配合负载敏感阀,反馈X口,效果更明显。

评分

参与人数 1三维币 +2 收起 理由
柠檬咖啡 + 2 技术交流

查看全部评分

发表于 2008-6-18 13:41:35 | 显示全部楼层 来自: 新加坡
A是功率调节阀- [9 \! \5 \/ Q7 @+ e
B是流量调节阀
发表于 2010-9-2 19:08:22 | 显示全部楼层 来自: 中国上海
泵的变量机构向左移动排量减小还是增大?
发表于 2010-10-18 08:52:06 | 显示全部楼层 来自: 中国北京
18#:8 B2 l+ n' Q" p, m3 K/ |, @) N7 I
向左移动排量减大。
发表于 2012-4-16 16:05:21 | 显示全部楼层 来自: 中国江苏苏州
这种泵好像只能调最大排量吧 最小的调不了
发表回复
您需要登录后才可以回帖 登录 | 注册

本版积分规则


Licensed Copyright © 2016-2020 http://www.3dportal.cn/ All Rights Reserved 京 ICP备13008828号

小黑屋|手机版|Archiver|三维网 ( 京ICP备2023026364号-1 )

快速回复 返回顶部 返回列表