QQ登录

只需一步,快速开始

登录 | 注册 | 找回密码

三维网

 找回密码
 注册

QQ登录

只需一步,快速开始

展开

通知     

全站
10天前
查看: 5971|回复: 31
收起左侧

[讨论] 你能画出来吗?

[复制链接]
发表于 2008-5-28 11:12:57 | 显示全部楼层 |阅读模式 来自: 中国江苏常州

马上注册,结识高手,享用更多资源,轻松玩转三维网社区。

您需要 登录 才可以下载或查看,没有帐号?注册

x
大家好:
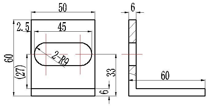
' Y3 d( F+ l$ @. y一个60X60X6的L型折弯角铁,宽50,其中的一面上有个与L平行的腰型孔,长45,R=9;
/ U' G: ~6 a  b" e/ Z, z如何准确的根据加工工艺把这个三视图画出来?; N) b) e) r7 W0 h" H2 i
这个是我的一位当画法几何老师的朋友给的题目。" l/ I6 v- {$ ^3 F$ R

- q5 V$ _& L7 B, M- w- X[ 本帖最后由 eastlakewater 于 2008-5-28 12:16 编辑 ]
发表于 2008-5-28 11:22:19 | 显示全部楼层 来自: 中国上海
一个60X60X6的L型折弯角铁,宽50?
发表于 2008-5-28 11:30:11 | 显示全部楼层 来自: 中国北京
缺少腰孔的定位尺寸,即中心线距L面的距离。50是角钢的长度吧?
 楼主| 发表于 2008-5-28 12:16:03 | 显示全部楼层 来自: 中国江苏常州
回楼上的& R6 t6 U% W% F) y
在正中间把, X( `9 r' M5 G& T& `% g# s
是的4 u  C+ {- r9 G4 X: {
-----------------------------------+ f6 L1 D" ^$ F  p
能完全的正确的画出来的是高手哦# u0 H* a7 k3 M/ Z4 V3 }- W

' a& E% Y/ H. {; G. H; |0 o3 Z2 c1 X[ 本帖最后由 eastlakewater 于 2008-5-28 16:49 编辑 ]
 楼主| 发表于 2008-5-29 13:07:28 | 显示全部楼层 来自: 中国江苏常州
没有人接招??????????????
发表于 2008-5-29 17:54:44 | 显示全部楼层 来自: 中国广东深圳
这个题目没有表达清楚,,$ E6 j: m# R& Z7 V! @" b9 q) b
是长50吧,还有"其中的一面上有个与L平行的腰型孔",你告诉大家怎么平行法????
发表于 2008-5-30 09:08:31 | 显示全部楼层 来自: 中国北京

回复 5# 的帖子

在L型角钢的一个面上将长45、R9的腰孔画上,若非要三视图,在其余二视图上用虚线表示腰孔的位置就行了,很纳闷,复杂到何处?(因出差外地无法画图)
& h* \0 M# H9 `. C; D* g此图难在何处,请楼主赐教。
头像被屏蔽
发表于 2008-5-30 09:29:59 | 显示全部楼层 来自: 中国河北衡水
提示: 作者被禁止或删除 内容自动屏蔽
发表于 2008-5-30 10:54:32 | 显示全部楼层 来自: 中国四川眉山
画不出来............
发表于 2008-5-30 11:10:34 | 显示全部楼层 来自: 中国江苏常州
其实这个问题主要在腰孔的变形和折弯角的变形上面+ f6 I4 E, K+ L4 ~5 \. T
由于折弯,孔变成了椭圆向下拉伸. q& X3 z6 u6 \2 E& \. O; G
由于折弯,角部往外面凸和凹。
发表于 2008-5-30 11:42:08 | 显示全部楼层 来自: LAN
这个很难吗???
发表于 2008-5-30 11:46:52 | 显示全部楼层 来自: 中国江苏常州
鸡蛋大家会画。~~~~~~~~~~~·
发表于 2008-6-11 20:10:26 | 显示全部楼层 来自: 中国江苏常州
表述模糊,50是长度?腰型孔的位置也不确定啊
发表于 2008-6-13 15:20:58 | 显示全部楼层 来自: 中国浙江绍兴
描述清楚点大家才能帮你啊,以后发贴希望能注意这点
发表于 2008-6-13 20:53:17 | 显示全部楼层 来自: 中国安徽合肥
一会慢慢研究,看看能不能画出来!!!
发表于 2008-6-13 21:03:06 | 显示全部楼层 来自: 中国浙江嘉兴
老大,腰孔的位置没有说明呀
发表于 2008-6-14 09:20:49 | 显示全部楼层 来自: 中国江西宜春
根据楼主字面上的理解,画了一个草图。不一定正确,起个抛砖引玉之用,请楼主说明尺寸、位置关系对否?
角铁.jpg

评分

参与人数 1三维币 +2 收起 理由
asdolmlm + 2 参与

查看全部评分

发表于 2008-6-14 10:48:30 | 显示全部楼层 来自: 新加坡
就是应该在一个面正中,50是长度
发表于 2008-6-14 11:28:20 | 显示全部楼层 来自: 中国广东

回复如下

如角铁图,展开图.8 W. s2 u0 c9 z5 l# @+ u2 C
(材料:碳素结构钢,如Q235A)
+ R+ c/ M3 G  r7 Z6 Z3 t5 r工艺:1冲腰形孔;# c+ X- O; W7 S' X
         2折弯机上折弯
9 w# P7 }% ^6 I  m
5 q" l/ r, p5 e" S. @[ 本帖最后由 kllkll 于 2008-6-14 11:34 编辑 ]
角铁.jpg
角铁展开图.jpg
角铁.jpg
角铁展开图.jpg

评分

参与人数 1三维币 +2 收起 理由
asdolmlm + 2 鼓励参与

查看全部评分

发表于 2008-6-14 11:36:07 | 显示全部楼层 来自: 中国广东
说明先发的展开图尺寸114应为108;57应为54,修改如后图所示
发表于 2008-6-14 11:58:33 | 显示全部楼层 来自: 中国广东东莞
我的理解是这样的。
1.jpg

评分

参与人数 1三维币 +2 收起 理由
asdolmlm + 2 鼓励参与

查看全部评分

发表于 2008-6-20 19:47:02 | 显示全部楼层 来自: 中国江苏南通
不值得讨论,是讨论划图?是讨论工艺?
发表于 2008-6-20 20:26:01 | 显示全部楼层 来自: 中国辽宁沈阳
没感觉有什么问题!
a.jpg

评分

参与人数 1三维币 +2 收起 理由
asdolmlm + 2 参与

查看全部评分

发表于 2008-6-21 09:41:43 | 显示全部楼层 来自: 中国辽宁沈阳
今天早上合计了一下  我们画图都是以圆心距定位孔与孔的距离  所以 LZ 的意思就是这样的吧是不     孔于孔的中心距离是45 而并非是把孔的外圆半径加上!  我们画图也不能这么画对吧~~~
QQ截图未命名.jpg

评分

参与人数 1三维币 +2 收起 理由
asdolmlm + 2 参与

查看全部评分

 楼主| 发表于 2008-6-21 09:52:32 | 显示全部楼层 来自: 中国江苏常州
发几张图片
# T5 v. G. q' p: f6 ?/ T/ z不太清楚
: K7 r! ]4 k2 W: H3 S; o: o但是可以说明问题
001.JPG
002.JPG
003.JPG
004.JPG
发表回复
您需要登录后才可以回帖 登录 | 注册

本版积分规则


Licensed Copyright © 2016-2020 http://www.3dportal.cn/ All Rights Reserved 京 ICP备13008828号

小黑屋|手机版|Archiver|三维网 ( 京ICP备2023026364号-1 )

快速回复 返回顶部 返回列表