QQ登录

只需一步,快速开始

登录 | 注册 | 找回密码

三维网

 找回密码
 注册

QQ登录

只需一步,快速开始

展开

通知     

查看: 1501|回复: 6
收起左侧

[求助] 请教旋转刨视

[复制链接]
发表于 2008-5-30 10:28:55 | 显示全部楼层 |阅读模式 来自: 中国河北石家庄

马上注册,结识高手,享用更多资源,轻松玩转三维网社区。

您需要 登录 才可以下载或查看,没有帐号?注册

x
我在画工程图时,用旋转刨视图,刨视图比实际试图长多了,那位高手能指教以下如何符合国标!!谢谢!!!
' N& S, b# H9 e* S
' Q- S( x. d; j- D( p9 O
2 u$ y' k3 M$ Z8 L! W' L* h[ 本帖最后由 fanlixue_2000 于 2008-5-30 11:02 编辑 ]
发表于 2008-5-30 10:48:26 | 显示全部楼层 来自: 中国辽宁沈阳
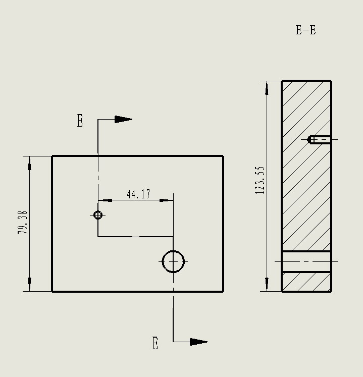
用剖面视图可以作出旋转剖视,不要用工具栏的旋转剖视图命令,我理解那个命令是阶梯剖,你先画出旋转剖视的几条线,都选中,然后点剖视图,就可以了。如果用旋转剖视,效果见图3,变长的尺寸其实就是图中的44.17
' ?) U$ u8 A0 e8 f- U; d
3 ?. z; w) k7 j" x3 }[ 本帖最后由 GAOLIZHONG1974 于 2008-5-30 11:06 编辑 ]
1.jpg
2.jpg
3.jpg
 楼主| 发表于 2008-5-30 10:58:09 | 显示全部楼层 来自: 中国河北石家庄

回复 2# 的帖子

怎么上传图片 把我的船上去
发表于 2008-5-30 11:03:46 | 显示全部楼层 来自: 中国辽宁沈阳
先发表帖子,然后编辑发表的帖子,就可以上传图片了。
 楼主| 发表于 2008-5-30 11:45:34 | 显示全部楼层 来自: 中国河北石家庄

回复 2# 的帖子

实在是感谢阿,原来如此!!!
发表于 2008-5-30 13:41:25 | 显示全部楼层 来自: 中国浙江嘉兴
有时候基础的东西看看挺有帮助
发表于 2008-5-30 13:47:51 | 显示全部楼层 来自: 中国北京

回复 2# 的帖子

great,you are right!
发表回复
您需要登录后才可以回帖 登录 | 注册

本版积分规则


Licensed Copyright © 2016-2020 http://www.3dportal.cn/ All Rights Reserved 京 ICP备13008828号

小黑屋|手机版|Archiver|三维网 ( 京ICP备2023026364号-1 )

快速回复 返回顶部 返回列表