QQ登录

只需一步,快速开始

登录 | 注册 | 找回密码

三维网

 找回密码
 注册

QQ登录

只需一步,快速开始

展开

通知     

全站
3天前
查看: 1785|回复: 2
收起左侧

[求助] 关于2007工程图

[复制链接]
发表于 2008-6-2 14:18:24 | 显示全部楼层 |阅读模式 来自: 中国黑龙江哈尔滨

马上注册,结识高手,享用更多资源,轻松玩转三维网社区。

您需要 登录 才可以下载或查看,没有帐号?注册

x
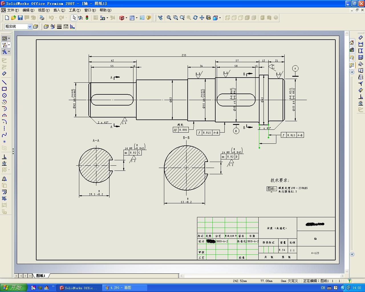
下面是我练习画的一根轴的图,有几点我没有弄懂的地方请大家指教:; U" J0 ]+ j" G) s% y4 r
1。轴上所标的径向尺寸跟轴心线,和键槽边线有相交叉的情况,怎么设置才能在尺寸的数字处把相交线给打断(不是尺寸和尺寸相交)
3 u7 J2 E- V- ^9 E' N6 B4 J2。当改面图纸比例的时候,很多标注都错位了,这个应该怎么设?象粗糙度符号,形位公差,基准等。9 {: z0 o' N! K, n# a
3。所变图纸比例后,是不是以前标的尺寸不随图纸的比例变化面变化?如果真是这样那图纸将会很难看。请明白人指教。
: H" ?3 C( _# y, ~- R, d4。图中所标的2X45°字符间的间距太大,我把间距设成0。3都没看出有什么变化,不知道大家怎么弄的。" `  s+ ?$ c, X  d3 D

( `7 L- c% c( c3 J[ 本帖最后由 dashayu3008 于 2008-6-3 13:58 编辑 ]

这是1:1的图

这是1:1的图

这是1:3的图

这是1:3的图
发表于 2008-6-2 14:23:57 | 显示全部楼层 来自: 中国辽宁大连
粗糙度的话如果在模型里标是不是就不会变位置了.
+ ?8 L* L& b5 z: A; B! l. ~3 t
- e  n9 x8 F. [, [" E楼主可以试下,俺没用过.
 楼主| 发表于 2008-6-3 13:33:36 | 显示全部楼层 来自: 中国黑龙江哈尔滨
另外我把这个图映射到CAD中之后出现下图中的两种情况,有什么办法解决?大家来帮帮忙呀。
6.JPG
发表回复
您需要登录后才可以回帖 登录 | 注册

本版积分规则

Licensed Copyright © 2016-2020 http://www.3dportal.cn/ All Rights Reserved 京 ICP备13008828号

小黑屋|手机版|Archiver|三维网 ( 京ICP备2023026364号-1 )

快速回复 返回顶部 返回列表