QQ登录

只需一步,快速开始

登录 | 注册 | 找回密码

三维网

 找回密码
 注册

QQ登录

只需一步,快速开始

展开

通知     

全站
23小时前
查看: 9086|回复: 17
收起左侧

[求助] 如何控制气缸在任意位置停止?

[复制链接]
发表于 2008-6-2 17:16:13 | 显示全部楼层 |阅读模式 来自: 中国湖南常德

马上注册,结识高手,享用更多资源,轻松玩转三维网社区。

您需要 登录 才可以下载或查看,没有帐号?注册

x
我设计一个自动上下料装置,其中一 个环节是要控制一个气缸要任意位置能停止。我采用一个三位五通中位封闭电磁换向阀,其结果总是在电磁铁都失电的情况下还是继续往前走。搞不清为什么会这样,请朋友们帮帮我,在下不胜感激!
发表于 2008-6-2 17:30:40 | 显示全部楼层 来自: 中国四川自贡
1.楼主你上全部你的原理图,大家好分析
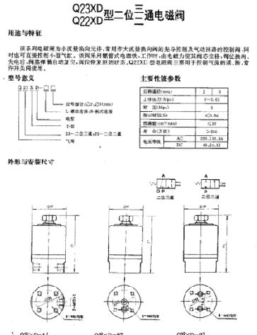
9 n# v# }+ ~0 G6 `6 B1 v5 t9 F2.气缸在任意位置停下可用这种阀.
OO.jpg
发表于 2008-6-10 23:43:34 | 显示全部楼层 来自: 中国江苏南京
停不住估计只有两个原因,% y5 g' [1 _  g# W% ^3 Q( V- ~
1。你的负载太大,导致中封状态时气体还是被严重压缩
6 W4 d" M3 z+ b( Z2 H2。你采购的三位中封阀品质有问题,本身阀在中封位置就不是密封的
发表于 2008-6-10 23:45:26 | 显示全部楼层 来自: 中国江苏南京
TO:2楼的朋友; V% H# f1 |  i. {
2位3通的阀不能实现任意位置停留的,除了气缸活塞已经到底:)
发表于 2008-6-12 14:44:53 | 显示全部楼层 来自: 中国浙江杭州
如果是爬行后一段后就停止了 就可能是负载太大了
 楼主| 发表于 2008-6-15 16:06:53 | 显示全部楼层 来自: 中国湖南常德

回复 3# 的帖子

谢谢你!我猜也是阀的质量有问题。负载很小的。三位五通中封和中泄式我都试过了,都不是100%能停止。或许买个小日本的能行也说不定
发表于 2008-6-29 16:12:00 | 显示全部楼层 来自: 中国北京
中泄式阀配合气控单向阀来使用就可以了,重复定位精度要求不高的话就行% v2 u& b- ^% J1 W+ s+ D* j
- a6 |( q- m* \/ X" p8 Y1 D) @; B* i5 L
中封式阀仍往前走的原因是气缸活塞两端受力面积不一样,另外中封阀仍会有一定量的泄露,只是量很小很小而已

评分

参与人数 1三维币 +2 收起 理由
晨砂 + 2 技术讨论!

查看全部评分

发表于 2008-7-27 01:02:56 | 显示全部楼层 来自: 中国北京
msc有带传感器的气缸,可以在任意位置停留。
发表于 2008-7-27 05:13:20 | 显示全部楼层 来自: 中国吉林长春
建议:- M) k1 _0 J/ F3 j6 d# Y

( F& `0 v& I8 N2 H, A$ C! @, |& @' f; ~1.采用回气截流。
9 y% ]8 m+ k% n
  t5 ]0 n5 Z+ P( _3 l" {2.用调速阀不用截流阀8 H/ p+ m+ f; U. ^* h
: \, w2 \% d* L3 C! r, v8 M
3.加背压阀
发表于 2008-7-28 07:59:59 | 显示全部楼层 来自: 中国湖北武汉
建议采用气动比例阀。
发表于 2008-7-30 16:08:45 | 显示全部楼层 来自: 中国重庆
使用带锁紧的气缸,如果发仔不大的话,停位还比较准确。
发表于 2008-8-13 08:23:16 | 显示全部楼层 来自: 中国湖南湘潭
也可以用2个逻辑元件分别锁住2腔,不过要再增加一个信号。( R4 `' A# ^/ h3 P) d
气缸刚度小,好像停住了也没有什么作用
发表于 2008-8-13 11:12:48 | 显示全部楼层 来自: 中国黑龙江佳木斯
停不住的原因:
, ^& n7 j2 R3 R7 K1.首先应该认识到空气是有弹性的,供气停止了,虽然压力在下降,但气体的体积仍然在膨胀。6 `7 B% U+ m- J( `. V0 z: o, S
2.负载仍有速度惯性。; f0 W6 l/ I0 H& K+ H
解决办法:8 o4 w; s! [8 m1 V; V
1.迅速排出压力腔剩余空气。7 k) u' V2 f7 w) l
2.采用抱闸使运动装置停止前进。其实抱闸是随时停止的关键装置。
发表于 2008-8-13 11:26:47 | 显示全部楼层 来自: 中国山东青岛
好复杂的说~~% k$ I/ }9 M: ^0 e6 o
:L
发表于 2008-9-16 15:21:31 | 显示全部楼层 来自: 中国江苏无锡
建议用步进(或伺服)电机加丝杠!精度可以做的肯定比气缸高!
发表于 2008-9-16 15:31:49 | 显示全部楼层 来自: 中国辽宁阜新
可以采用磁性气缸,带磁性开关,来控制行程位置
发表于 2008-9-16 16:07:16 | 显示全部楼层 来自: 中国安徽马鞍山
在气动设计时需要加装36XXJP型定位器,根据来自电/气转换器输出的信号气压,调节和固定活塞的位置
发表于 2008-9-16 19:06:45 | 显示全部楼层 来自: 中国江苏徐州
用旋转油缸可能行
发表回复
您需要登录后才可以回帖 登录 | 注册

本版积分规则

Licensed Copyright © 2016-2020 http://www.3dportal.cn/ All Rights Reserved 京 ICP备13008828号

小黑屋|手机版|Archiver|三维网 ( 京ICP备2023026364号-1 )

快速回复 返回顶部 返回列表