QQ登录

只需一步,快速开始

登录 | 注册 | 找回密码

三维网

 找回密码
 注册

QQ登录

只需一步,快速开始

展开

通知     

查看: 2297|回复: 8
收起左侧

[求助] 液控单向阀

[复制链接]
发表于 2008-6-7 21:16:13 | 显示全部楼层 |阅读模式 来自: 中国江苏常州

马上注册,结识高手,享用更多资源,轻松玩转三维网社区。

您需要 登录 才可以下载或查看,没有帐号?注册

x
哪儿有6通径的板式液控单向阀
发表于 2008-6-7 21:20:18 | 显示全部楼层 来自: 中国北京
华德有这种的,型号SV/SL6
, x6 l1 a7 g9 |+ i% h& z具体可直接和厂家联系,好多厂家都有的

评分

参与人数 1三维币 +3 收起 理由
9619 + 3 应助

查看全部评分

发表于 2008-6-7 21:34:40 | 显示全部楼层 来自: 中国江苏徐州

华德单向阀

华德单向阀,可以联系一下 S8004540.JPG
发表于 2008-6-9 08:16:04 | 显示全部楼层 来自: 中国河北秦皇岛
3楼贴的好像也不是液控的吧。立新有SV/L系列的液控单向阀。hawe有RH系列液控单向阀
发表于 2008-6-9 11:41:35 | 显示全部楼层 来自: 中国上海
rexroth的Z2S6系列的叠加式液控单向阀,也是板式安装的,国内的华德、立新等厂家均生产。
发表于 2008-6-9 12:31:45 | 显示全部楼层 来自: 中国上海
好像华德没有6通的,只有10以上的。不过立新有
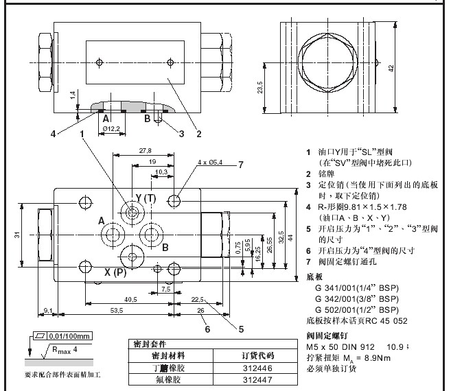
. [$ V* i% E. _+ a' Z6 w. ` Adobe Acro..._2008.06.09.12.34.11.jpg : C3 R! k8 _+ E( j) L% g6 k2 k
& ~0 [* W. e4 I1 _( p4 [3 \
[ 本帖最后由 46792974 于 2008-6-9 12:40 编辑 ]
Adobe Acro..._2008.06.09.12.34.25.jpg
Adobe Acro..._2008.06.09.12.34.41.jpg
Adobe Acro..._2008.06.09.12.37.24.jpg

0143.pdf

415.69 KB, 下载次数: 9

评分

参与人数 1三维币 +5 收起 理由
9619 + 5 应助

查看全部评分

发表于 2008-6-9 19:29:46 | 显示全部楼层 来自: 中国河北秦皇岛
华德的叠加式液控单向阀质量一般 我们的液压站大量采用Z2S6  Z2S10系列 PAKER的RH2质量比较好 但是很贵 但不是板式安装 原装力士乐的也很好 如果要求定位精确 最好选用进口的
发表于 2008-6-9 20:57:58 | 显示全部楼层 来自: 中国北京
北京华德有的,质量不错
发表于 2008-6-9 21:43:53 | 显示全部楼层 来自: 中国北京
华德有的我们用过的还好
发表回复
您需要登录后才可以回帖 登录 | 注册

本版积分规则


Licensed Copyright © 2016-2020 http://www.3dportal.cn/ All Rights Reserved 京 ICP备13008828号

小黑屋|手机版|Archiver|三维网 ( 京ICP备2023026364号-1 )

快速回复 返回顶部 返回列表