QQ登录

只需一步,快速开始

登录 | 注册 | 找回密码

三维网

 找回密码
 注册

QQ登录

只需一步,快速开始

展开

通知     

查看: 1604|回复: 2
收起左侧

[求助] 水泵

[复制链接]
发表于 2008-6-11 11:20:36 | 显示全部楼层 |阅读模式 来自: 中国北京

马上注册,结识高手,享用更多资源,轻松玩转三维网社区。

您需要 登录 才可以下载或查看,没有帐号?注册

x
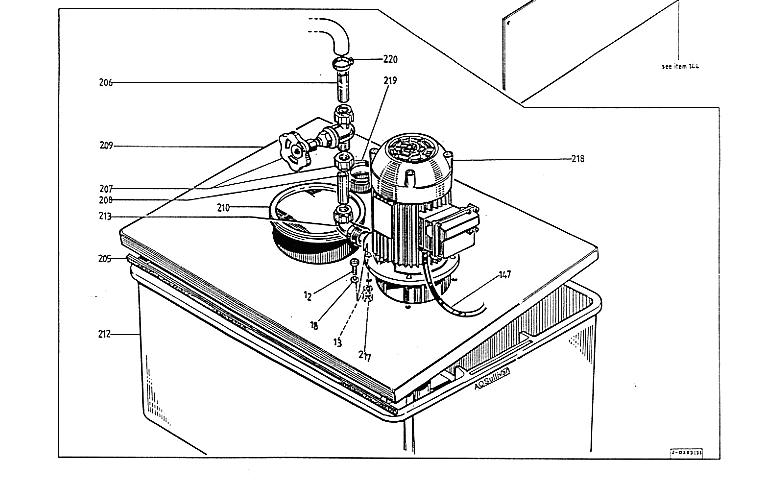
附件中旋转手柄上连接的是排水管.那个进水口不知道在哪里.设备是用来循环冷却的.电机与水泵是否已经联成一体了.还有这个水泵是什么工作的.在数字210处具体也不清楚干吗用的.请有关这方面高手指教.

Doc1.zip

284.13 KB, 下载次数: 9

发表于 2008-6-11 20:44:01 | 显示全部楼层 来自: 中国江苏苏州
附件中只是一张图片,以后此类求助,还是请楼主自己帖出来比较好:
* S0 L: a, y: ?, p% {$ G 1.JPG
发表于 2008-6-12 09:00:32 | 显示全部楼层 来自: 中国山西太原
这是一个循环冷却水箱,箱盖上安装的是液下泵,泵头和吸入管就插入水中,泵与电机之间用管形支架、联轴节和底座联接在一起,电机高速旋转通过联轴节、长泵轴与泵叶轮相连,高速旋转的叶轮产生的离心力将从吸入管进来的水甩向泵的出口,泵打出的水由泵出口管向上从电机底座旁穿出(就是看到有阀门的那个管子)。回来的冷却水流入水箱内。图中那个标210的带盖的孔,是加补充水和清理污物用的。1 j. }. {& o; f* Q2 C$ ~
. q$ D- t* o) D
[ 本帖最后由 gaoyns 于 2008-6-12 09:02 编辑 ]

评分

参与人数 1三维币 +6 收起 理由
hero2006 + 6 应助

查看全部评分

发表回复
您需要登录后才可以回帖 登录 | 注册

本版积分规则


Licensed Copyright © 2016-2020 http://www.3dportal.cn/ All Rights Reserved 京 ICP备13008828号

小黑屋|手机版|Archiver|三维网 ( 京ICP备2023026364号-1 )

快速回复 返回顶部 返回列表