QQ登录

只需一步,快速开始

登录 | 注册 | 找回密码

三维网

 找回密码
 注册

QQ登录

只需一步,快速开始

展开

通知     

查看: 2388|回复: 10
收起左侧

[求助] 如何提高石墨球的圆整度

[复制链接]
发表于 2008-6-15 07:31:48 | 显示全部楼层 |阅读模式 来自: 中国浙江宁波

马上注册,结识高手,享用更多资源,轻松玩转三维网社区。

您需要 登录 才可以下载或查看,没有帐号?注册

x
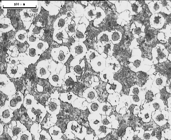
如何提高石墨球的圆整度,主要影响的因素是什么,我采用500KG冲入法球化,球化剂使用无锡聚丰(T-2)1.0%加入,孕育剂自然块硅(75#)1.0%加入,浇注时0.2%强化孕育(硅钡孕育剂),原铁水:C 3.7~3.8,Si 1.4~1.6 MN 0.3  P 0.50  球化:C 3.5~3.6,Si 2.7~2.9 MN 0.3  P 0.50  S 0.01 下面是同一个样品做的金相图(*100,*200)请大侠赐教
10.jpg
1.jpg
2.jpg
3.jpg
4.jpg
5.jpg
6.jpg
7.jpg
头像被屏蔽
发表于 2008-6-15 09:30:40 | 显示全部楼层 来自: 中国黑龙江齐齐哈尔
提示: 作者被禁止或删除 内容自动屏蔽
 楼主| 发表于 2008-6-15 11:34:36 | 显示全部楼层 来自: 中国浙江宁波
出炉温度1550~1560度,P为0.05,铸件10公斤以下,金相图是从金相样品观察的。废钢只有8%
头像被屏蔽
发表于 2008-6-15 13:24:29 | 显示全部楼层 来自: 中国黑龙江齐齐哈尔
提示: 作者被禁止或删除 内容自动屏蔽
发表于 2008-6-17 17:05:07 | 显示全部楼层 来自: 中国宁夏银川
你这个已经很不错了,再提高还有必要吗?
发表于 2008-6-17 21:04:53 | 显示全部楼层 来自: 中国黑龙江齐齐哈尔
3级够了,2级达不到
发表于 2008-6-17 21:21:40 | 显示全部楼层 来自: 中国北京
出炉温度太高了,同时想办法提高一下冷却的速度!球化温度不要太高,球化后及时浇注!
发表于 2008-6-19 12:43:03 | 显示全部楼层 来自: 中国广东深圳
效果很好啊,就算后面两张比较差点的,球化率按iso 或者astm a247评级都很不错了,都能通过检验。
发表于 2008-6-19 16:34:01 | 显示全部楼层 来自: 中国福建漳州
我也觉得球化等级不错吗,应该算合格,其他的楼上的都说了
头像被屏蔽
发表于 2008-6-19 19:59:41 | 显示全部楼层 来自: 中国黑龙江齐齐哈尔
提示: 作者被禁止或删除 内容自动屏蔽
发表于 2008-6-27 19:44:14 | 显示全部楼层 来自: 中国黑龙江齐齐哈尔
我试过了,楼上的方法很有效。haha
发表回复
您需要登录后才可以回帖 登录 | 注册

本版积分规则


Licensed Copyright © 2016-2020 http://www.3dportal.cn/ All Rights Reserved 京 ICP备13008828号

小黑屋|手机版|Archiver|三维网 ( 京ICP备2023026364号-1 )

快速回复 返回顶部 返回列表