QQ登录

只需一步,快速开始

登录 | 注册 | 找回密码

三维网

 找回密码
 注册

QQ登录

只需一步,快速开始

展开

通知     

查看: 3592|回复: 22
收起左侧

[讨论结束] 此零件内孔倒角如何加工

[复制链接]
发表于 2008-6-17 16:23:33 | 显示全部楼层 |阅读模式 来自: 中国山东潍坊

马上注册,结识高手,享用更多资源,轻松玩转三维网社区。

您需要 登录 才可以下载或查看,没有帐号?注册

x
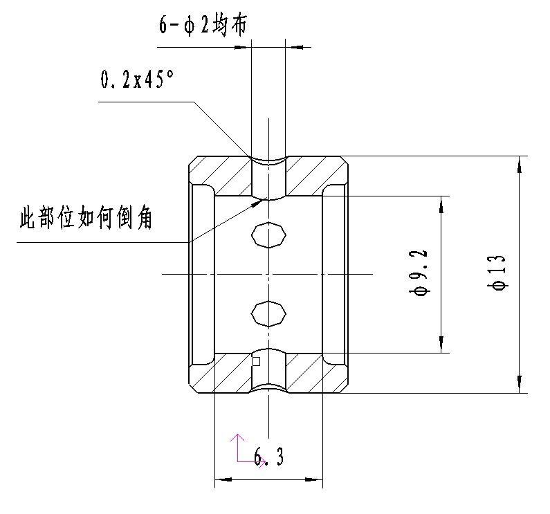
图示零件内孔倒角如何加工,谢绝链接资料链,说见手册等。

jpeg

jpeg
发表于 2008-6-17 17:26:28 | 显示全部楼层 来自: 中国浙江温州
按图的意思是去掉钻孔后的毛刺,可以用内孔车刀倒角
发表于 2008-6-17 17:36:44 | 显示全部楼层 来自: 中国江苏常州
看看这个呢!
www.cn-jinwei.com__burr-bye_feed.gif

评分

参与人数 1三维币 +1 收起 理由
zyj10282005 + 1 应助

查看全部评分

发表于 2008-6-18 08:13:50 | 显示全部楼层 来自: 中国山东烟台
我们一般都手工到了,楼上的很好,见识了
 楼主| 发表于 2008-6-18 16:47:19 | 显示全部楼层 来自: 中国山东潍坊
三楼的方法用过,但划伤6-2内孔;
7 \- R% B' z. d9 }二楼的内孔车刀如何在孔口倒角
发表于 2008-6-19 01:53:55 | 显示全部楼层 来自: 中国台湾
有点难…因为是直径2mm& O+ ^' E" ^0 n2 ~" X1 h  n* W
所以刀架可能找不到。
发表于 2008-6-19 08:29:34 | 显示全部楼层 来自: 中国辽宁丹东
三楼的方法比较好,,但成本高。
发表于 2008-6-19 09:18:00 | 显示全部楼层 来自: LAN
三楼的方法到底可不可以啊,角是如何通过孔倒出来的,我看不太懂
发表于 2008-6-19 15:55:57 | 显示全部楼层 来自: 中国安徽安庆
用手持球磨头就可以了,油缸油口的倒棱经常用这种方法 DSC05954.JPG 6 L5 X$ k, E8 t3 |3 B2 @3 r1 \
: D1 J1 }: B/ B, q8 l+ O* o
[ 本帖最后由 haozb 于 2008-6-19 15:57 编辑 ]
发表于 2008-6-19 16:58:24 | 显示全部楼层 来自: 中国浙江温州
楼上的方法很好,又学习到了一个经验
发表于 2008-6-19 17:10:23 | 显示全部楼层 来自: 中国广东广州
九楼的方法可行,学到东西了。
发表于 2008-6-19 21:37:35 | 显示全部楼层 来自: 中国江苏常州
介绍一种非常简单的办法,用大点的钻头手工铰一下孔口就好了。操作简单。
 楼主| 发表于 2008-6-20 07:11:19 | 显示全部楼层 来自: 中国山东潍坊
12#如何将大点的钻头深入内部倒角呢?
发表于 2008-6-20 08:46:33 | 显示全部楼层 来自: 中国河北廊坊

00

反镗刀,我看可以喽!!!
01.JPG
发表于 2008-6-22 22:31:43 | 显示全部楼层 来自: 中国湖南衡阳
谁能看出3楼的那个刀是什么原理能加工出倒角来.
发表于 2008-6-22 22:38:04 | 显示全部楼层 来自: 中国湖南衡阳
能不能说明一下该刀如何加工倒角的?好像刀侧边有一凸台有什么作用?
发表于 2008-6-23 22:00:57 | 显示全部楼层 来自: 中国四川成都
图中只标注了在外圆上要倒角呀,没有要求内孔方向也要倒角啊,图中的线是相贯线。如果真要倒,只有手工横向伸入进去才能倒角。
发表于 2008-7-25 14:26:21 | 显示全部楼层 来自: 中国北京
加工内孔倒角的刀具厂家很多,瑞典。。。。。就是成本有点。。。
发表于 2008-7-25 15:32:31 | 显示全部楼层 来自: 中国山东日照
3楼介绍的方法能不能详细的介绍一下?这个倒角确实有点忙烦,还望高人指点。
% ~& Q8 c0 q7 }  n. a8 V1 M. v: g
0 J' U9 X+ L2 w[ 本帖最后由 xingcb 于 2008-7-25 15:38 编辑 ]
发表于 2008-8-5 09:46:40 | 显示全部楼层 来自: 中国江苏常州
通过材料的弹性闭合实现通孔倒角。正反两面可以一次性倒角,特别合适批量生产,可以节余人力与物力。
& R; _6 i/ T  M+ ]4 f3 z9 Y2 ehttp://www.burroff.cn! N2 d/ I; [# X: }8 ~9 W' N- f
QQ:313721587
发表于 2008-8-5 09:51:40 | 显示全部楼层 来自: 中国江苏常州
可以针对材料的不同,作特殊处理,不会划伤内壁的!
发表于 2008-8-5 16:57:52 | 显示全部楼层 来自: 中国江苏常州
3、9、14楼的方法值得怀疑,因为孔只有2mm.
发表于 2008-8-7 18:03:53 | 显示全部楼层 来自: 中国江苏常州
呵呵,这个做到专业,那就会有对应刀具来解决。镗刀相对是比较难的
发表回复
您需要登录后才可以回帖 登录 | 注册

本版积分规则


Licensed Copyright © 2016-2020 http://www.3dportal.cn/ All Rights Reserved 京 ICP备13008828号

小黑屋|手机版|Archiver|三维网 ( 京ICP备2023026364号-1 )

快速回复 返回顶部 返回列表