QQ登录

只需一步,快速开始

登录 | 注册 | 找回密码

三维网

 找回密码
 注册

QQ登录

只需一步,快速开始

展开

通知     

查看: 12473|回复: 67
收起左侧

[讨论] 零线与地线的区别??此贴为优秀技术讨论帖,鼓励大家继续讨论!

[复制链接]
发表于 2008-6-22 11:58:09 | 显示全部楼层 |阅读模式 来自: 中国

马上注册,结识高手,享用更多资源,轻松玩转三维网社区。

您需要 登录 才可以下载或查看,没有帐号?注册

x
在车间配电柜的接线处,有时候零线和地线是接在一个接线端子上的。请大家讨论一下吧。

评分

参与人数 1三维币 +15 收起 理由
半生缘 + 15 鼓励技术讨论

查看全部评分

发表于 2008-6-22 15:34:23 | 显示全部楼层 来自: 中国陕西西安
如果配电柜内没有装带漏电保护的开关,有时候零线和地线是接在一个接线端子上,一般没有什么问题。如果有带漏电保护的设备,此设备一使用就会跳闸。

评分

参与人数 1三维币 +5 收起 理由
半生缘 + 5 鼓励技术讨论

查看全部评分

发表于 2008-6-22 15:39:23 | 显示全部楼层 来自: 中国江苏无锡
零线是相对三相电压来说的零电压.而地线是接大地的,形成的回路是完全不同的.

评分

参与人数 1三维币 +5 收起 理由
半生缘 + 5 鼓励技术讨论

查看全部评分

发表于 2008-6-22 16:17:59 | 显示全部楼层 来自: 中国湖北孝感
零线是供电线路中的零电压线,三相四线制线路中,零线与其余三个相线(火线)构成回路,在供电变压器端,零线是接地的。 地线是电器外壳与大地相连的保护线,主要是保护操作者及相连设备的俺。

评分

参与人数 1三维币 +5 收起 理由
半生缘 + 5 鼓励技术讨论

查看全部评分

发表于 2008-6-22 16:27:39 | 显示全部楼层 来自: 中国河北石家庄
这种接法是不规范的,零线一般是在变电站处与地线相接,而在用户端是不允许将零线与地线短接的,它们有着不同的作用,一个用于电力回路,一个用于安全保护。

评分

参与人数 1三维币 +5 收起 理由
半生缘 + 5 鼓励技术讨论

查看全部评分

发表于 2008-6-22 16:31:07 | 显示全部楼层 来自: 中国福建福州
零线和地线没什么本质区别,不过据我所知,零线是在低压变压器端挖个3~4米深的坑埋入一个比较大的金属条。这种接地方法阻抗比较小。而地线就是简单的连入地下的线就可以了。早在我国解放初期是单个火线供电的,自己家里接个地线就可以点灯。有时灯泡不亮就拿盆水浇下地线导有水后电效果好了灯泡就变亮了

评分

参与人数 1三维币 +5 收起 理由
半生缘 + 5 鼓励技术讨论

查看全部评分

 楼主| 发表于 2008-6-22 16:37:54 | 显示全部楼层 来自: 中国

回复 6# 的帖子

我见过以前的广播(喇叭)有这样的,一根线和总广播站相连,另一跟插在地下,越潮湿越好。现在想想,它起的就是零线的作用,构成回路了。

评分

参与人数 1三维币 +5 收起 理由
半生缘 + 5 鼓励技术讨论

查看全部评分

发表于 2008-6-22 19:59:21 | 显示全部楼层 来自: 中国辽宁沈阳
地线和零线本身就是一根,只是接接地点位置不同,一个在接地体上,一个在变压器的中心抽头上,中心抽头也是接在一个接地体上的.3 {6 C. g9 d$ @5 ], {
没有地线一样工作.只是有了它更安全,保护线,它是.零线是工作线.

评分

参与人数 1三维币 +5 收起 理由
半生缘 + 5 鼓励技术讨论

查看全部评分

发表于 2008-6-22 19:59:59 | 显示全部楼层 来自: 中国辽宁沈阳
以上内容是基础.看看电工考试题就知道了.

评分

参与人数 1三维币 +5 收起 理由
半生缘 + 5 鼓励技术讨论

查看全部评分

发表于 2008-6-22 23:11:35 | 显示全部楼层 来自: 中国江苏无锡
6#,8#的,再看看电路基础,零线和地线在概念上是有本质区别的,不要误导别人!# X" v; t2 {5 o, s7 U( w$ G
变压器由于400V是采用的三相四线制,为了用电的安全,因此将零线和地线接在一起的(主要为了在断相等故障时中心点不偏移,防止过压损毁用电设备)
' e8 x& ~' g( {9 c- J现在好的楼宇都是三相五线,其中地线是就地打下金属杆,好像要打入地下4M,使电阻小于某个数值。

评分

参与人数 2三维币 +15 收起 理由
半生缘 + 5 鼓励技术讨论
yqwfk + 10 技术讨论

查看全部评分

发表于 2008-6-23 11:25:26 | 显示全部楼层 来自: 中国山东泰安
零线&地线到底是不是一样的?大家还是按照国家规定来,日常生活种的很多做法不符合安全用电规定,电死人可不得了。大家不要乱说,说一样的人查查国家标准。

评分

参与人数 1三维币 +5 收起 理由
半生缘 + 5 鼓励技术讨论

查看全部评分

发表于 2008-6-23 12:55:18 | 显示全部楼层 来自: 美国
区别如下! i5 D: N& T$ P1 v6 u" Q- q8 n
1。零线一般指三相四线制输电系统中的中性点。通常在最后一级输电变压器的次级三相中性点接入大地,然后把中性点(与大地连接)作为一根线引出去,如果用电设备为单相,则并联接入三相中任意一相与零线即可。如果是三象设备,则直接接入三相电。零线不接。但保护地要接6 G( w' r9 q6 k- i2 P) k( E
2。地线一般作为保护用。防止设备漏电,或者泄放静电。地线实际上也接入大地。这一点与零线是一样的。只不过零线是在最后一级输电变压器端接入大地。而地线是在用电设备端接入大地。因此地线数量要远远多于零线4 j% {& A! ~- w
3。二者作用不同,零线是作为供电回路使用的,因此多数情况下零线中流有电流,地线是作为保护用的,因此多数情况下地线中没有电流。
4 ]& B  I( ]4 m5 }4 P3 @$ |4。高压设备通常没有零线,但都有接地端点。/ L+ f$ W! o0 ~$ v3 `( Q) j

7 \, l6 I; J% [希望回答了你的问题。

评分

参与人数 2三维币 +20 收起 理由
半生缘 + 5 鼓励技术讨论
yqwfk + 15 标准答案(标准外的)

查看全部评分

 楼主| 发表于 2008-6-23 13:43:51 | 显示全部楼层 来自: 中国河北保定
在电工类的书籍上有这么一条内容——关于TN-C系统的解释:“三相四线制供电,分别引出L1,L2,L3,PEN。PEN为【保护接零】方式,即设备外壳连接到工作零线上(通常PEN要在用电侧进线处做重复接地)。节省线路有色金属,工业供电常用(三相负荷相对平衡运行时,PEN线上的电流一般不太大),民用建筑不用。”+ d. ?) `* |, V
这就是说,工业供电时,零线和地线和为一根,可以这么理解吗?
* [) `7 T8 t& x5 h0 |3 k' {$ H( f9 S
[ 本帖最后由 yjybd 于 2008-6-23 13:45 编辑 ]

评分

参与人数 1三维币 +5 收起 理由
半生缘 + 5 鼓励技术讨论

查看全部评分

 楼主| 发表于 2008-6-23 13:48:28 | 显示全部楼层 来自: 中国河北保定
还有一下几种方式供电方式:TN-S:三相五线制供电的解释:“分别引出L1,L2,L3,N,PE。N为工作零线,PE为专用【保护接地】线,即设备外壳连接到PE上。因为用5线配电,有色金属用量大,多为民用建筑配电选择方式,对于大量单相负荷造成的三相不平衡问题,因为N为专用,平时PE不导电,安全性好。 " u0 L5 @5 Z1 V" n
TN-C-S:变压器引出为TN-C方式,在某级配电系统开始将PE与N从PEN中区分开(二者此后不得再见面握手),也就是该分歧点之前为TN-C型式,此后类似TN-S(不是真正的TN-S)。对于要求不严格的民用建筑可以选用,如变压器及一级配电用TN-C,在建筑电源进线总箱处将PE从PEN中分离,建筑二级配电仍为5线制。 * J0 L( c& |& V9 m5 t; j

. c9 i! N; O4 g0 ?% X6 f这就是说,如果却是要零、地分开的话,就应该采用三相五线制接法了。如不不是。那么零线和地线可以合用一根了?????! D% E  @: G7 U. Z* Y$ `
! q4 `' d$ F* y5 k% w
[ 本帖最后由 yjybd 于 2008-6-23 15:36 编辑 ]

评分

参与人数 1三维币 +5 收起 理由
半生缘 + 5 鼓励技术讨论

查看全部评分

发表于 2008-6-23 13:55:50 | 显示全部楼层 来自: 中国上海
零线是相对火线来说的,两个组成回路.
3 ^9 y- p! U/ m1 V地线是为了将静电,残留电荷,机壳漏电等产生的电荷及时到入大地,以免对其它设备或人造成伤害.
! l9 s! y  f$ b" ~8 S& P4 ]如果将火线和地线形成回路,电流就会倒流进本身不带电的部件,让这些部件形成高电势,随时都可以以及快的速度放电.很危险.所以零线和地线一定要分开.
( l1 |/ l6 j) X; M2 E- g9 s3 |在电子厂,地线还分成设备地线和静电地线.虽然两根线最终在地下相邻很近,但是在工作环境中也一定要区分.切勿混淆!!

评分

参与人数 2三维币 +15 收起 理由
半生缘 + 5 鼓励技术讨论
yqwfk + 10 作用说的很清

查看全部评分

发表于 2008-6-23 14:19:51 | 显示全部楼层 来自: 中国北京
零线是相对来说的。地线指大地。

评分

参与人数 1三维币 +5 收起 理由
半生缘 + 5 鼓励技术讨论

查看全部评分

发表于 2008-6-23 17:44:42 | 显示全部楼层 来自: 中国河北石家庄
各位讲的真好,张了不少见识。谢谢

评分

参与人数 1三维币 +5 收起 理由
半生缘 + 5 鼓励技术讨论

查看全部评分

发表于 2008-6-23 19:48:04 | 显示全部楼层 来自: 中国湖北武汉
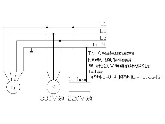
TN-C系统:
" e/ I. j  S% B. G. b- y# R 1.JPG   f4 `& P% c8 f/ G" t
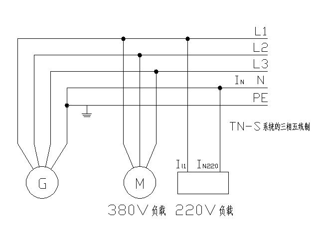
TN-S系统:, J0 U# A: c& K" c% e4 d
2.JPG
' O# ~5 k- L& }9 S% a  i! yTN-C-S系统:
5 D* `* S/ n' e1 p7 t 3.JPG ( ?: D0 B9 p1 }, s7 s7 A2 ~

; d: l' F3 q8 X, F; K9 E$ i[ 本帖最后由 lidake2005 于 2008-6-23 19:50 编辑 ]

评分

参与人数 2三维币 +15 收起 理由
半生缘 + 5 鼓励技术讨论
yqwfk + 10 我都不会评分了

查看全部评分

 楼主| 发表于 2008-6-23 22:45:44 | 显示全部楼层 来自: 中国

回复 18# 的帖子

谢谢18楼楼主的解释,你的第三幅图附说明,解释的很清楚。我基本上明白了。8 ?9 n2 q# p, E7 E7 u; t
但是你的第二幅图的TN-S接法是不是如你在第三幅图的说明中所讲的“二者见面握手"呢1 B; |/ Z7 A1 n: F9 v

. K0 }9 w. t( S3 F/ ][ 本帖最后由 yjybd 于 2008-6-23 22:54 编辑 ]
tn-s.JPG

评分

参与人数 1三维币 +5 收起 理由
半生缘 + 5 鼓励技术讨论

查看全部评分

发表于 2008-6-24 19:11:00 | 显示全部楼层 来自: 中国湖北武汉
TN-S系统为三相五线制,如楼主图中所示,从变压器输出有三根相线分别为l1,l2,l3,另外从变压器的次级三相中性点同时引出N线和PE线,共五根(芯)线,五根线都是从电源端变压器引出的。
! g( r( Y6 ^2 W4 h/ }/ V区别:N线,为构成回路的,其上流过于单相回路火线同样的电流,而PE线目的为保护接地,当有金属外壳的设备与相线接触可能引起人触电危险时,若有图5.1.1所示的3方式接地,PE线保护接地消除此危险。所以PE线可认为平时不流过电流。" U2 C- \' d2 O" I$ M& R+ F* z9 Z
但由于N线和PE线都是从电源变压器的次级三相中性点同时引出的,整个系统都是三相五线制,并没有出现再次见面握手,原因,前面已经解释过了,若再次见面握手,则不能确保,PE线不流过N线的电流。只要从PE线和N线的功能入手理解,应该不难理解,
% d" g& q9 D0 j, Z) a3 M7 b/ _希望对楼主有所帮助,祝好运!:) 3 o; L7 L. Y4 T7 @8 H9 M/ [
:)

评分

参与人数 2三维币 +10 收起 理由
半生缘 + 5 鼓励技术讨论
zhous_ch + 5 参与讨论!

查看全部评分

发表于 2008-6-27 17:20:57 | 显示全部楼层 来自: 中国广东汕头
零线是我们国家的习惯,国外没有零线的说法,电气中记得有3种线L(相线=火线)、N(中性线)、PE(保护线),L和N是带电的,PE是不带电导体。记住这分类就不会混淆了,我们现在常说的零线并不单指中性线N,在TN-C系统中零线还指PE线和N线(即PEN线),所以零线称法很容易让我们初学时候混淆。所以建议我们知道零线这个国内常用的词的代表意义,但是自己只记住L、N、PE线,这样绝对不会混淆的。
) _- ~6 G, E1 X8 E5 |: a: x' k; a0 R$ p6 K$ A/ |7 P
1、结构的区别:
+ W7 m5 |0 _2 R5 U零线(N): 从变压器中性点接地后引出主干线。
. a1 V/ `, U! M1 z. m  W0 i2 T+ ^地线(PE):从变压器中性点接地后引出主干线,根据标准,每间隔20-30米重复接地。
* Q0 a$ f; J# {2、原理的区别:
0 R1 p1 s  A! Q2 i2 Z) p零线(N): 主要应用于工作回路,零线所产生的电压等于线阻乘以工作回路的电流。由于长距离的传输,零线产生的电压就不可忽视,作为保护人身安全的措施就变得不可靠。  F1 e3 |& q0 n7 |2 c+ E% L
地线(PE): 不用于工作回路,只作为保护线。利用大地的绝对“0”电压,当设备外壳发生漏电,电流会迅速流入大地,即使发生PE线有开路的情况,也会从附近的接地体流入大地

评分

参与人数 2三维币 +10 收起 理由
半生缘 + 5 鼓励技术讨论
zhous_ch + 5 参与讨论!

查看全部评分

发表于 2008-6-29 10:51:22 | 显示全部楼层 来自: 中国江苏无锡

三相五线的相关知识,解释零线和地线

三相五线的相关知识,解释零线和地线

三相五线.pdf

120.08 KB, 下载次数: 60

评分

参与人数 2三维币 +15 收起 理由
半生缘 + 5 鼓励技术讨论
yqwfk + 10 此问题的第一个句号

查看全部评分

 楼主| 发表于 2008-6-29 23:15:09 | 显示全部楼层 来自: 中国

回复 22# 的帖子

谢谢 楼主提供的资料。

评分

参与人数 1三维币 +5 收起 理由
半生缘 + 5 鼓励技术讨论

查看全部评分

发表于 2008-6-30 15:01:36 | 显示全部楼层 来自: 中国浙江温州
原帖由 bluesea168 于 2008-6-22 16:17 发表 http://www.3dportal.cn/discuz/images/common/back.gif
4 A( f, ]0 C1 ]- e# y( i零线是供电线路中的零电压线,三相四线制线路中,零线与其余三个相线(火线)构成回路,在供电变压器端,零线是接地的。 地线是电器外壳与大地相连的保护线,主要是保护操作者及相连设备的俺。
( O, a# [9 r; n0 S

, I; W6 _( J, \* Y. m8 `赞同此说话~~还是不要这么接比较好

评分

参与人数 1三维币 +5 收起 理由
半生缘 + 5 鼓励技术讨论

查看全部评分

发表于 2008-6-30 17:00:02 | 显示全部楼层 来自: 中国湖南衡阳
把电气设备的金属外壳及与外壳相连的金属构架用接地装置与大地可靠地连接起来,以保证人身安全的保护方式,叫保护接地,简称接地。把电气设备的金属外壳及与外壳相连的金属构架与中性点接地的电力系统的零线连接起来,以保护人身安全的保护方式,叫保护接零(也叫保护接中线),简称接零。0 G* M( @4 s9 A

- H# W) f* {* ^6 \5 m3 c: L% _看看附件的文章吧!?

接地和接零.rar

100.71 KB, 下载次数: 46

评分

参与人数 2三维币 +15 收起 理由
半生缘 + 5 鼓励技术讨论
yqwfk + 10 此问题的最后一个句号!

查看全部评分

发表回复
您需要登录后才可以回帖 登录 | 注册

本版积分规则


Licensed Copyright © 2016-2020 http://www.3dportal.cn/ All Rights Reserved 京 ICP备13008828号

小黑屋|手机版|Archiver|三维网 ( 京ICP备2023026364号-1 )

快速回复 返回顶部 返回列表