QQ登录

只需一步,快速开始

登录 | 注册 | 找回密码

三维网

 找回密码
 注册

QQ登录

只需一步,快速开始

展开

通知     

全站
8天前
查看: 1912|回复: 4
收起左侧

[已解决] 请帮忙看一下这张图的符号

 关闭 [复制链接]
发表于 2008-7-3 02:45:26 | 显示全部楼层 |阅读模式 来自: 中国浙江丽水

马上注册,结识高手,享用更多资源,轻松玩转三维网社区。

您需要 登录 才可以下载或查看,没有帐号?注册

x
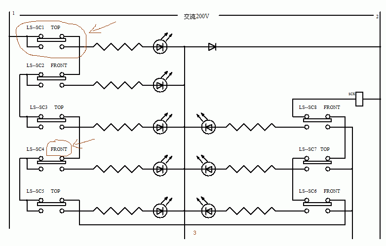
请帮忙看一下这张图的符号
6 u7 H/ R0 f3 t: J; F这是日本KOMORI公司生产的LITHRONE 26型胶印机上的部分电路,SCX是控制起动准备的一个信号灯,现在它不正常工作,我想查它的回路,但不知图中符号产指什么,在机器上对不上具体元件,请大家帮忙,谢谢!急等!:L
Snap1.gif
发表于 2008-7-3 06:09:22 | 显示全部楼层 来自: 中国江苏南通
图上所指是一个按纽开关
发表于 2008-7-3 07:17:32 | 显示全部楼层 来自: 中国黑龙江大庆
LS应是液位开关,TOP 顶部、Front 前部,应是现场安装位置。
 楼主| 发表于 2008-7-3 14:54:14 | 显示全部楼层 来自: 中国浙江丽水
哦,谢谢!它不工作,也许是液体位置不对了?...
 楼主| 发表于 2008-7-3 14:57:28 | 显示全部楼层 来自: 中国浙江丽水
谢谢楼上的朋友,原来是8个行程开关,我也是帮别人修理机械的,不悉他的机器,问题解决了,再次谢谢大家
发表回复
您需要登录后才可以回帖 登录 | 注册

本版积分规则


Licensed Copyright © 2016-2020 http://www.3dportal.cn/ All Rights Reserved 京 ICP备13008828号

小黑屋|手机版|Archiver|三维网 ( 京ICP备2023026364号-1 )

快速回复 返回顶部 返回列表