QQ登录

只需一步,快速开始

登录 | 注册 | 找回密码

三维网

 找回密码
 注册

QQ登录

只需一步,快速开始

展开

通知     

全站
5天前
查看: 7092|回复: 17
收起左侧

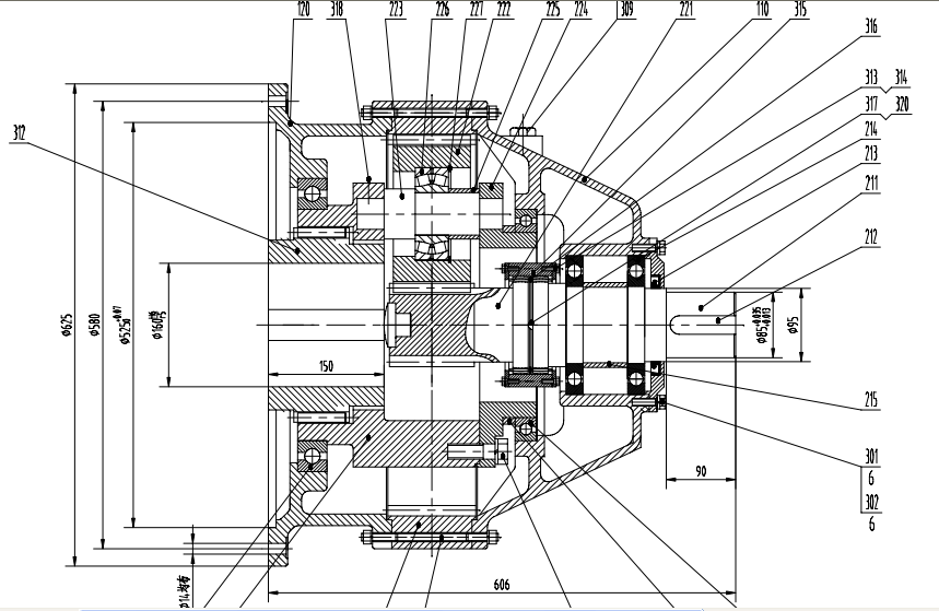
[机械] NGW51行星传动齿轮箱图纸一套

[复制链接]
发表于 2008-7-4 10:52:36 | 显示全部楼层 |阅读模式 来自: 中国河南安阳

马上注册,结识高手,享用更多资源,轻松玩转三维网社区。

您需要 登录 才可以下载或查看,没有帐号?注册

x
附件为PDF格式,没有DWG格式的
$ B/ c  a" ]! B8 ~4 A8 I
' N8 Y' _# B0 H" ~ 11.png

NGW51行星传动齿轮箱图纸一套.rar

1.46 MB, 下载次数: 878

评分

参与人数 1三维币 +5 收起 理由
唐昕晨 + 5 好资料,感谢对论坛的支持!

查看全部评分

发表于 2008-7-10 11:48:55 | 显示全部楼层 来自: 中国河南郑州
谢谢了,看看
发表于 2008-7-30 17:06:28 | 显示全部楼层 来自: 中国江苏常州
下来看看,谢谢楼主!
发表于 2008-7-31 10:45:36 | 显示全部楼层 来自: 中国浙江宁波
好资料,下来学习学习,谢谢楼主!
发表于 2008-9-15 16:02:13 | 显示全部楼层 来自: 中国广西柳州
好资料,谢谢楼主good good good
发表于 2008-10-14 12:20:24 | 显示全部楼层 来自: 中国山东潍坊
不像是一套,而是一张装配图
发表于 2008-11-28 14:18:48 | 显示全部楼层 来自: 中国山西太原
可以转为.DWG格式
发表于 2008-11-30 15:03:59 | 显示全部楼层 来自: 中国江西新余
正缺这方面的资料,谢谢!下载了!
发表于 2008-12-8 19:13:11 | 显示全部楼层 来自: 中国浙江杭州
好东西,留着以后用。谢谢。
发表于 2008-12-12 20:50:36 | 显示全部楼层 来自: 中国江苏无锡
.。。正学习中。。。先下了  。。留着学习。。
. W* z, a3 r8 Z    谢谢  下载了
发表于 2008-12-19 13:55:54 | 显示全部楼层 来自: 中国辽宁盘锦
下来看看,好资料,收藏了
发表于 2009-4-27 18:06:01 | 显示全部楼层 来自: 中国辽宁沈阳
好资料,收藏了
发表于 2011-5-31 16:03:38 | 显示全部楼层 来自: 中国北京
有推土机用的齿轮箱图纸没?
发表于 2011-12-19 09:05:49 | 显示全部楼层 来自: 中国江苏苏州
是不是和其它的一样是PDF版的啊!
发表于 2012-12-19 22:21:44 | 显示全部楼层 来自: 中国四川乐山
看着挺不错,感谢楼主了
发表于 2013-10-16 15:54:54 | 显示全部楼层 来自: 中国江苏无锡
下载下来,学习下!在研究邦飞利310R的减速箱
发表于 2018-7-27 16:43:04 | 显示全部楼层 来自: 中国广东惠州
haodongxi
发表于 2019-7-12 13:59:35 | 显示全部楼层 来自: 中国浙江金华
下载看看。
发表回复
您需要登录后才可以回帖 登录 | 注册

本版积分规则


Licensed Copyright © 2016-2020 http://www.3dportal.cn/ All Rights Reserved 京 ICP备13008828号

小黑屋|手机版|Archiver|三维网 ( 京ICP备2023026364号-1 )

快速回复 返回顶部 返回列表