QQ登录

只需一步,快速开始

登录 | 注册 | 找回密码

三维网

 找回密码
 注册

QQ登录

只需一步,快速开始

展开

通知     

全站
6天前
查看: 13075|回复: 67
收起左侧

[练习题] 基础综合练习40

[复制链接]
发表于 2008-7-5 17:27:31 | 显示全部楼层 |阅读模式 来自: 中国台湾

马上注册,结识高手,享用更多资源,轻松玩转三维网社区。

您需要 登录 才可以下载或查看,没有帐号?注册

x
本帖最后由 2005llnn 于 2011-5-4 16:49 编辑
# H' E9 x) ?0 c* c* L6 {9 p
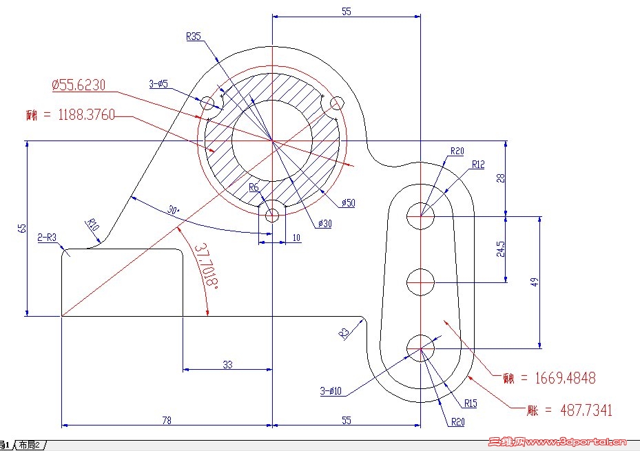
& Z1 T- I8 O' `基础综合练习405 S' S2 T7 O! _; T; O
希望这些基础练习题- K4 p% q' [9 |! P$ K, E6 i/ r# r
可以带给初学者一些欢乐
基础综合练习40.jpg

评分

参与人数 2三维币 +30 收起 理由
woaishuijia + 20 入选CAD几何作图竞赛题系列
2005llnn + 10 提供作图练习

查看全部评分

发表于 2011-4-15 17:25:36 | 显示全部楼层 来自: 中国广西河池
本帖最后由 2005llnn 于 2011-5-4 16:46 编辑 " i  f4 I4 P% g9 ]" y7 L2 ~% s
9 {! p/ K: _) X3 D( n7 ]1 m' U7 u
CA D几何作图竞赛题(2011年4月),至4月27日止
$ G  J4 ~; c/ _8 d5 l5 K* M$ x& _2 w6 Q) e
一.竞赛题目(参见附图)
5 t" J9 x# @% }/ n; k0 S& e8 L; F, F. `# n* ^/ h
基础综合练习40
* h6 o/ g. I+ W# v( _
9 P2 y! `: r8 @& K' M9 K  c7 W" O3 p) J& |* o$ e8 ]
用AutoCAD作图法求出该题要求的5个数值,3 ?  [8 n8 J" B8 A" r$ o
( x1 c* i3 l: K1 w
尺寸精度要求精确到小数点后4位。角度单位必须使用十进制度数,不得使用度/分/秒,百分度和弧度,精度也要求精确到小数点后4位。
$ \6 U* r9 j( |/ Q3 S/ M' h2 G4 l& y  {+ X/ q' A
二. 竞赛要求+ Y+ X; x' `/ w5 p$ x

# J/ \( m  W, z2 _  A6 A会员、技术团队成员都可以参加,版主不参加,使用AutoCAD、ACM和MDT二维软件,
1 r% d/ E% C" R7 U/ |3 w9 V在规定时间内将作出的jpg附件在本主题下跟帖发表,& S3 m6 B& R; }8 v
阅读权限定为110。活动结束后由版主统一取消阅读权限。
% f) {8 M; L* E" k2 y禁止会员利用马甲一起参赛,发现将严惩。( T8 u9 |4 b2 j

! K$ \9 u' w9 C7 T- v# N三.竞赛时间
7 R# ^+ s- W' j4 R- y2 b
7 B* k( ]0 r# q- z  Y" j- U2011年4月20日至2011年4月27日。
% M6 U/ F$ q/ }1 [5 g5 s/ @4 X; [! l/ h, ]  R0 G* X  v
四. 评选时间及方法
  B0 u% L+ j* T0 k3 ], C+ ^
: A1 }9 Y5 u+ R4 }2011年4月28日-2011年4月30日,由三维网技术论坛CAD版块版主为评委,内部评选出各奖项。
1 v; a1 ]8 P5 U$ I6 z
: V3 s  L' `: }  Z五.奖励
6 f; _% ]' m+ r5 T) k  F
) R9 Y# q6 @% S; F2 k$ J1、一等奖:5题全对奖励三维币30; : n/ D. e% e; D8 Q( l
2、二等奖:答对4题奖励三维币20;
: E- _# e9 b; O5 b1 i/ ~3、三等奖:答对3题奖励三维币10;
% n+ Z! C0 @7 v7 C4、作图基本符合要求者先各奖励5个三维币;( I' Y- |3 Z) J8 c* F/ {2 W! z. M5 j
5、根据竞赛实际情况会对奖励规则进行适当修改。& K2 d( e) V1 ]- f

1 n1 x( a4 V4 |: n六.其它9 h# r* s7 k6 ~/ J  Y6 n# ?

1 g* d; M- _2 o# r( M: @# Z竞赛结束后在本帖发回复帖进行点评和讨论/ ?# b- H. \. y! j4 g( m
; X8 W, l$ S5 a) e1 l4 c( j) O- g5 l# o
竞赛已结束,评分及奖励见下表" O( |+ f. a3 e" i% r
标准答案55.6231669.484837.70181188.376487.7341   
3zyyyyp55.6231669.484837.70181188.376489.02174二等奖20
4inuyasha_pw55.6231669.484837.70181188.376487.73415一等奖30
5lxf32555.6231669.484837.70181188.376487.73415一等奖30
6coolboy12355.6231669.484837.70181188.376487.73415一等奖30
912fzj55.6231669.484837.70181188.376487.73415一等奖30
10LIAIYAO55.6231669.484837.70181188.376487.73415一等奖30
12百陌生55.6231667.004437.70181896.7302487.73413三等奖10
14王老大先生55.6231669.484837.70181188.376487.73415一等奖30
15taianchuwei55.6231669.484837.70181188.3761487.73414二等奖20
171341511007655.6231669.484837.70181188.376487.73415一等奖30
18zhaoyafei1955.6231669.484837.70181188.3761485.86583三等奖10
19yuansyou55.6231669.484837.70181188.3761388.30143三等奖10
20Oo55.6231669.484837.70181188.376487.73415一等奖30
21yjhljh55.6231669.484852.29821188.376487.73414二等奖20
23zhou-pei@26355.6231669.484837.70181188.376487.73415一等奖30
24mountainsheep
8 N( e  z8 A$ k: {6 a
55.6231669.484837.70181188.376487.73415一等奖30
26yopcl55.6231669.207537.70181188.3761487.73413三等奖10
27归土落木55.6231669.4848217.70181188.376487.73414二等奖20
28wheasy02755.6231669.484837.70181188.376487.73415一等奖30
30xiaoyi94555.6231669.484852.29821188.376487.73414二等奖20
31大隐于市55.6231669.484837.70181188.376487.73415一等奖30
33lanbo955.6231669.484837.70181188.376487.73415一等奖30
34林主059855.6231506.272537.70181188.376487.73414二等奖20
38ss98855.6231669.484837.70181188.376487.73415一等奖30
40laualfred55.6231669.484837.70181188.376487.73415一等奖30
41liushui30255.6231669.484837.70181188.376487.73415一等奖30
45rgyzgwh55.6231669.484837.70181188.3761487.73414二等奖20
46wen_jg55.6231810.856537.70181189.8719487.73413三等奖10
47www200211055.6231669.484837.70181188.376487.74124二等奖20
48356483955.6231669.484837.70181895.2344487.73414二等奖20
49chuhanshe55.6231905.104237.70181188.3754487.73413三等奖10
50感悟人生55.6231669.484837.70181188.376487.73415一等奖30
52danielxp200455.6231669.484837.70181188.376489.81524二等奖20
53皮卡丘200755.6231669.484837.70181188.376487.73415一等奖30
) @/ z& J, `. d1 u0 d- y
注:表中文字为红色者,代表答案错误或不符合题意;空白代表未提供答案或答案不明确

竞赛评分.rar

12.22 KB, 下载次数: 19

发表于 2011-4-20 11:41:37 | 显示全部楼层 来自: 中国上海
本帖最后由 woaishuijia 于 2011-4-28 00:35 编辑
) n& [9 z+ k* V7 B7 z1 S5 o% h% E& ^4 y# |+ P$ ]+ P% E" r6 I& f
占个位先,吃完饭再来。
: v; ^0 N/ w2 o# g 110419.JPG
! Q8 T% J& g1 h' {9 L& C& d% x
$ ^- B3 ~3 `3 L5 \7 V9 ^, W" Z- C+ }/ I' a* A

  A- e. Z/ ^! {6 Z1 {8 \这个有点简单。。。。

评分

参与人数 2三维币 +25 收起 理由
2005llnn + 20 二等奖
woaishuijia + 5 参与鼓励

查看全部评分

发表于 2011-4-20 12:21:42 | 显示全部楼层 来自: 中国北京
本帖最后由 woaishuijia 于 2011-4-28 00:36 编辑 ) f" V& Y9 q, I) }; |2 \

+ J5 D7 q9 D% [# k$ K$ k慢了点,交作业:
复件 40-A.JPG

评分

参与人数 2三维币 +35 收起 理由
2005llnn + 30 完全正确,授予一等奖!祝贺!
woaishuijia + 5 参与鼓励

查看全部评分

发表于 2011-4-20 13:24:39 | 显示全部楼层 来自: 中国浙江台州
本帖最后由 woaishuijia 于 2011-4-28 00:36 编辑
" ?2 k1 W8 r; D  R. [. F+ |( F0 w, `6 f5 d* v+ }
交作业,这次应该满分了吧。。。
QQ拼音截图未命名.jpg

评分

参与人数 2三维币 +35 收起 理由
2005llnn + 30 完全正确,授予一等奖!祝贺!
woaishuijia + 5 参与鼓励

查看全部评分

发表于 2011-4-20 13:55:54 | 显示全部楼层 来自: 中国安徽芜湖
本帖最后由 woaishuijia 于 2011-4-28 00:36 编辑 6 G1 T! y- r0 X3 U$ I

  ?5 v4 |! m) t& j: N, J重要的是仔细。. z+ ~1 _2 T4 z% W% `( [( ^6 \! S
201104.PNG

评分

参与人数 2三维币 +35 收起 理由
2005llnn + 30 完全正确,授予一等奖!祝贺!
woaishuijia + 5 参与鼓励

查看全部评分

发表于 2011-4-20 13:58:48 | 显示全部楼层 来自: 中国山东菏泽
本帖最后由 woaishuijia 于 2011-4-28 00:37 编辑 ' T1 T" U4 t) l& U/ z* h
- h/ d# ?& E5 \, z% t* N8 s, {9 b
QQ截图未命名.jpg 占个位一会就交上

评分

参与人数 1三维币 +5 收起 理由
woaishuijia + 5 参与鼓励

查看全部评分

发表于 2011-4-20 14:05:58 | 显示全部楼层 来自: 中国河南新乡
本帖最后由 woaishuijia 于 2011-4-28 00:37 编辑 8 n- f* |" L3 a% _
3 c% ^0 W* s; s* m, U) Y
呵呵,我的答案:
答案.jpg

评分

参与人数 1三维币 +5 收起 理由
woaishuijia + 5 参与鼓励

查看全部评分

发表于 2011-4-20 15:19:22 | 显示全部楼层 来自: 中国辽宁营口
本帖最后由 woaishuijia 于 2011-4-28 00:37 编辑 $ B& v% q1 |* i# E: E$ k

9 z. f4 s; e" m- R哈哈,终于等到了,交作业
a副本.jpg

评分

参与人数 2三维币 +35 收起 理由
2005llnn + 30 完全正确,授予一等奖!祝贺!
woaishuijia + 5 参与鼓励

查看全部评分

发表于 2011-4-20 16:26:53 | 显示全部楼层 来自: 中国广东深圳
本帖最后由 woaishuijia 于 2011-4-28 00:37 编辑 7 _6 ^" V" b7 N7 n' E: y" \
1 d* Y4 M3 }; S+ l* T- n
交作业:挣点分  
3 b/ B- a  A, M" v9 L# I/ s: y* h' u8 L1 M( a! C

) n' ^, O6 h3 e' U- D6 Q2 i 2011-04-20_16-22-59.jpg

评分

参与人数 2三维币 +35 收起 理由
2005llnn + 30 完全正确,授予一等奖!祝贺!
woaishuijia + 5 参与鼓励

查看全部评分

发表于 2011-4-20 17:10:45 | 显示全部楼层 来自: 中国广东广州
本帖最后由 woaishuijia 于 2011-4-28 00:37 编辑
% P8 v4 K$ H. c9 n& f( [* N+ p
2 n! q* e0 ?% E1 h6 @' ^练习,不知道正不正确,试试
作业.jpg

评分

参与人数 1三维币 +5 收起 理由
woaishuijia + 5 参与鼓励

查看全部评分

发表于 2011-4-20 17:32:56 | 显示全部楼层 来自: 中国浙江杭州
本帖最后由 woaishuijia 于 2011-4-28 00:38 编辑
' y* U9 w3 M1 X/ I) p4 \6 G# f4 n
  @8 m$ }( m; _来赶个场参与一下
20110420.jpg

评分

参与人数 2三维币 +15 收起 理由
2005llnn + 10 三等奖
woaishuijia + 5 参与鼓励

查看全部评分

发表于 2011-4-20 20:36:51 | 显示全部楼层 来自: 中国山西忻州
本帖最后由 woaishuijia 于 2011-4-28 00:38 编辑 , B# [- D0 X  E% \
: H9 s& j$ s5 s9 D
答案 1.JPG

评分

参与人数 1三维币 +5 收起 理由
woaishuijia + 5 参与鼓励

查看全部评分

发表于 2011-4-20 20:56:09 | 显示全部楼层 来自: 中国湖北荆州
本帖最后由 woaishuijia 于 2011-4-28 00:38 编辑 2 S( a6 w, a/ H0 j7 u$ _$ B9 y5 o
; R$ k9 P# Q* l, Z, C5 w7 j
第三个问题不太清楚,不知对不对
+ W! a6 M" d( g% D; @, l 201104.jpg

评分

参与人数 2三维币 +35 收起 理由
2005llnn + 30 完全正确,授予一等奖!祝贺!
woaishuijia + 5 参与鼓励

查看全部评分

发表于 2011-4-20 21:41:53 | 显示全部楼层 来自: 中国山东泰安
本帖最后由 woaishuijia 于 2011-4-28 00:39 编辑 3 Q! \4 F) M  j' o, P6 d2 P

- D$ p, x& J$ E. d" A1 x( F小试一下,答案见附图
三维网练习.JPG

评分

参与人数 2三维币 +25 收起 理由
2005llnn + 20 二等奖
woaishuijia + 5 参与鼓励

查看全部评分

发表于 2011-4-20 22:17:03 | 显示全部楼层 来自: 中国江苏无锡

110

本帖最后由 woaishuijia 于 2011-4-28 00:39 编辑 5 ^; ]0 o" T  Q6 Q3 H
3 H# C5 [$ U, n3 M% y
交作业 QQ截图未命名.jpg

评分

参与人数 1三维币 +5 收起 理由
woaishuijia + 5 参与鼓励

查看全部评分

发表于 2011-4-20 22:37:06 | 显示全部楼层 来自: 中国广东汕头
本帖最后由 woaishuijia 于 2011-4-28 00:39 编辑
( z6 X0 H" y2 z+ b8 I' D8 ]
9 k& W$ b/ y; X6 |; F6 R# G 未命名.jpg

评分

参与人数 2三维币 +35 收起 理由
2005llnn + 30 完全正确,授予一等奖!祝贺!
woaishuijia + 5 参与鼓励

查看全部评分

发表于 2011-4-21 08:28:24 | 显示全部楼层 来自: 中国贵州黔东南苗族侗族自治州
本帖最后由 woaishuijia 于 2011-4-28 00:40 编辑
- m: O0 y* p: q
5 P4 N8 b5 B; U- D- [3 V* l4 L我参与,我快乐
2 P* T" ~9 v- a3 f
$ M1 z0 Q0 t, W2 Y1 n4 }+ T 40.dwg (37.11 KB, 下载次数: 0)

评分

参与人数 2三维币 +15 收起 理由
2005llnn + 10 三等奖
woaishuijia + 5 参与鼓励

查看全部评分

发表于 2011-4-21 09:33:33 | 显示全部楼层 来自: 中国山东烟台
本帖最后由 woaishuijia 于 2011-4-28 00:40 编辑 4 [5 m0 q2 @. }2 l
) _! k# `3 M( [
QQ截图未命名.jpg

评分

参与人数 2三维币 +15 收起 理由
2005llnn + 10 三等奖
woaishuijia + 5 参与鼓励

查看全部评分

发表于 2011-4-21 10:18:13 | 显示全部楼层 来自: 中国江西南昌
本帖最后由 woaishuijia 于 2011-4-28 00:40 编辑
7 ^9 j; @' e' Q8 L
% ^6 R" E0 S* B. p/ o. |. H参与一下。距离10很纠结,主要发现了两种方法,不知道哪个对。还是选了一个感觉正确的做法。
练习.jpg

评分

参与人数 2三维币 +35 收起 理由
2005llnn + 30 完全正确,授予一等奖!祝贺!
woaishuijia + 5 参与鼓励

查看全部评分

发表于 2011-4-21 12:11:59 | 显示全部楼层 来自: 中国江苏苏州
本帖最后由 woaishuijia 于 2011-4-28 00:41 编辑
( ?$ n0 W3 h* v3 L& O  d7 R/ h5 y  {0 G4 F- w2 U0 X9 S2 |5 Y
交作业了,哈哈 :)

2011.4.21.pdf

67.42 KB, 下载次数: 1

评分

参与人数 2三维币 +25 收起 理由
2005llnn + 20 二等奖
woaishuijia + 5 参与鼓励

查看全部评分

发表于 2011-4-21 13:25:25 | 显示全部楼层 来自: 中国江苏无锡
本帖最后由 woaishuijia 于 2011-4-28 00:41 编辑 8 G( c0 a7 [5 M% ?/ p, |# y) o; f! H

. \9 \- f0 ]- j9 [ 40.dwg (91.38 KB, 下载次数: 2)

评分

参与人数 1三维币 +5 收起 理由
woaishuijia + 5 参与鼓励

查看全部评分

发表于 2011-4-21 16:32:53 | 显示全部楼层 来自: LAN
本帖最后由 woaishuijia 于 2011-4-28 00:41 编辑 / d2 m6 r" j+ ^8 g8 L) F% z0 R4 j
% j' a- |: C1 i6 t8 z
做题拿分,重在参与
1.jpg

评分

参与人数 2三维币 +35 收起 理由
2005llnn + 30 完全正确,授予一等奖!祝贺!
woaishuijia + 5 参与鼓励

查看全部评分

发表于 2011-4-21 19:16:59 | 显示全部楼层 来自: 中国浙江杭州
本帖最后由 woaishuijia 于 2011-4-28 00:41 编辑 ! g' D# N3 n6 Q, V# r. f* |
" V/ O0 W- Y) h: g+ O7 _8 T8 S
简洁版
/ o$ O9 s- ~$ O* m$ B2 B mountainsheep.jpg

评分

参与人数 2三维币 +35 收起 理由
2005llnn + 30 完全正确,授予一等奖!祝贺!
woaishuijia + 5 参与鼓励

查看全部评分

发表于 2011-4-21 19:19:10 | 显示全部楼层 来自: 中国江苏无锡
本帖最后由 woaishuijia 于 2011-4-28 00:42 编辑 1 s6 ~/ S) O/ _& Q8 I% W

9 q9 o* ]$ z: e7 c" `试试  第一次参加  重在参与哈
搜狗截图_2011-04-21_19-16-53.png

评分

参与人数 1三维币 +5 收起 理由
woaishuijia + 5 参与鼓励

查看全部评分

发表回复
您需要登录后才可以回帖 登录 | 注册

本版积分规则


Licensed Copyright © 2016-2020 http://www.3dportal.cn/ All Rights Reserved 京 ICP备13008828号

小黑屋|手机版|Archiver|三维网 ( 京ICP备2023026364号-1 )

快速回复 返回顶部 返回列表