QQ登录

只需一步,快速开始

登录 | 注册 | 找回密码

三维网

 找回密码
 注册

QQ登录

只需一步,快速开始

展开

通知     

查看: 2834|回复: 9
收起左侧

[讨论] 油缸用活塞环的多吗?

[复制链接]
发表于 2008-7-7 20:28:00 | 显示全部楼层 |阅读模式 来自: LAN

马上注册,结识高手,享用更多资源,轻松玩转三维网社区。

您需要 登录 才可以下载或查看,没有帐号?注册

x
油缸用活塞环的多吗?有什么优缺点?
发表于 2008-7-10 11:04:50 | 显示全部楼层 来自: 中国广东深圳
LZ对活塞环没有确切定义,是不是装在活塞上的环形物,都叫活塞环?
发表于 2008-7-10 21:08:13 | 显示全部楼层 来自: 中国上海
液压油缸一般不用活塞环作为密封,多用橡胶件作为密封。
发表于 2008-7-10 21:12:15 | 显示全部楼层 来自: 中国江苏南京
不知楼主说得是导向套,还是隔来圈?
- ~7 o! b8 k& }- k* K* H" C9 L% W) }# k导向套应该是必需的,可以减少磨损;* {3 [2 A, v" L( u
隔来圈也挺好用的,但对油液要求高些,不然容易出现内泄
 楼主| 发表于 2008-7-11 08:09:46 | 显示全部楼层 来自: LAN
活塞环应该是发动机上常用的那种活塞环(piston ring)。
9 Q' p# P; t7 N, n这是一个日本的油缸,活塞上装了5组活塞环和1组O型圈。
7 m! b, G7 n2 O% T' R/ i: @我想问一下,向这样在油缸上使用活塞环的有吗?有什么优缺点呢?
piston ring.JPG
发表于 2008-7-11 09:14:04 | 显示全部楼层 来自: 中国北京
看图可以说活塞圈为导向作用,0形密封作为双向密封
发表于 2008-7-11 09:35:07 | 显示全部楼层 来自: 中国重庆
向这样在油缸上使用5组活塞环和1组O型圈,还没有见过,一般使用活塞环是在高温区域或超高速工况用,但他又有1组O型圈,整个密封系统有点矛盾,不知道小日本是怎么想的?
 楼主| 发表于 2008-7-14 07:50:32 | 显示全部楼层 来自: LAN
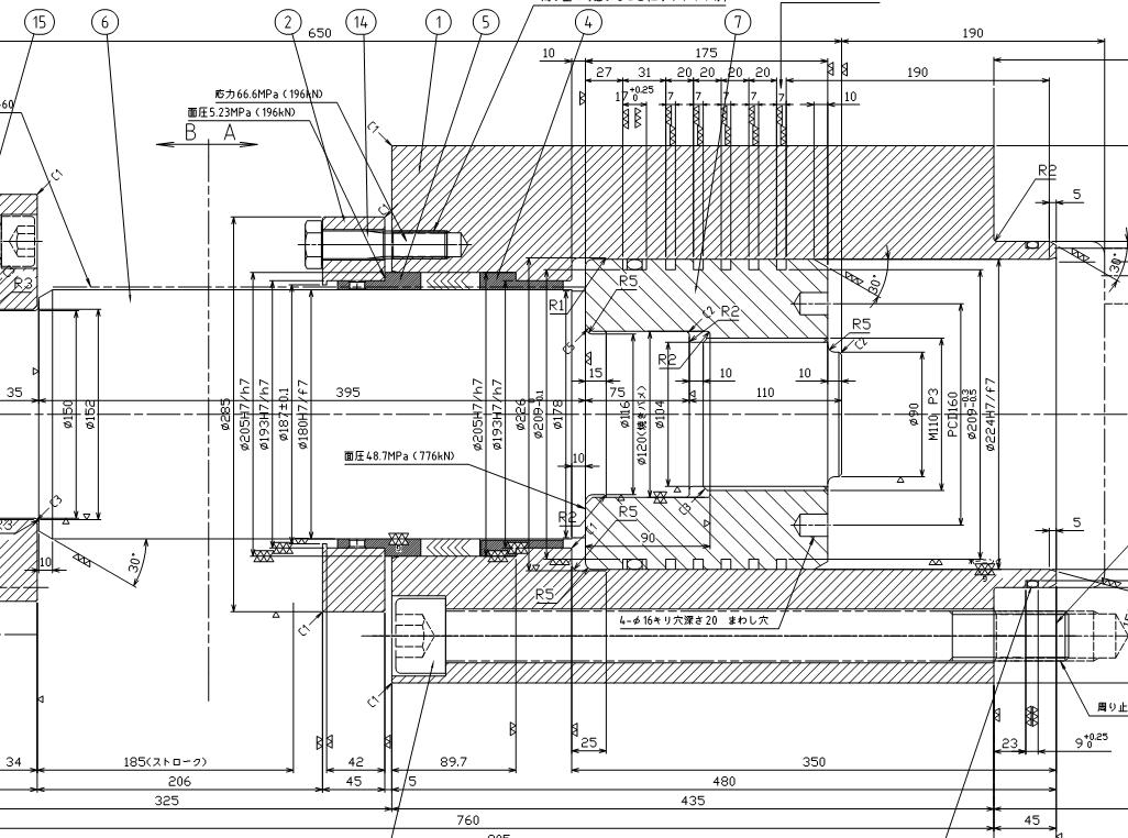
请高手看看图纸,多讨论讨论
发表于 2008-7-14 20:46:04 | 显示全部楼层 来自: 中国广东深圳
不知道油缸用途。
) C' V% f. B2 v  [+ n从图看O型圈似乎有2个挡圈,可以判断O型圈起双向密封作用。5组活塞环应该是起导向作用,这样可以防止活塞与缸内壁不同心而金属摩擦,破坏内壁表面,避免导致泄漏。
3 x7 w3 M7 _9 z8 I. f5 H感觉这样的选择比较经济吧,O型圈是最便宜的密封件,五组活塞环比用一条很宽的耐磨环(导向环/带)划算。
$ C0 V8 m! R0 y! W9 c估计这个缸的压力不大。: W1 U2 z. j' x% U2 F

, C* y8 Z' g( m( H( {8 S( Q[ 本帖最后由 李星云 于 2008-7-14 21:19 编辑 ]
发表于 2010-5-20 10:12:02 | 显示全部楼层 来自: 中国上海
O型圈有2个挡圈,可以判断O型圈起双向密封作用
发表回复
您需要登录后才可以回帖 登录 | 注册

本版积分规则


Licensed Copyright © 2016-2020 http://www.3dportal.cn/ All Rights Reserved 京 ICP备13008828号

小黑屋|手机版|Archiver|三维网 ( 京ICP备2023026364号-1 )

快速回复 返回顶部 返回列表