QQ登录

只需一步,快速开始

登录 | 注册 | 找回密码

三维网

 找回密码
 注册

QQ登录

只需一步,快速开始

展开

通知     

查看: 1888|回复: 21
收起左侧

[已解决] 急!!帮忙做个 模型

[复制链接]
发表于 2008-7-12 16:14:24 | 显示全部楼层 |阅读模式 来自: 中国江苏苏州

马上注册,结识高手,享用更多资源,轻松玩转三维网社区。

您需要 登录 才可以下载或查看,没有帐号?注册

x
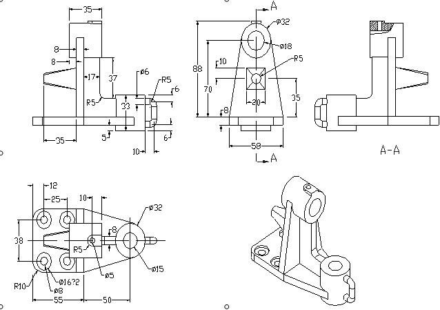
1.jpg 老师布置的作业  高手帮忙做下  小弟感激不尽阿1 \, d2 D& W$ V& W$ X
    % f: s9 H$ f) Y  n8 X9 P
按尺寸建立三维模型 . d! T  h2 ?7 j/ |9 L+ B
  
6 q$ a' ?) F: `$ ^' c; V3 q+ ?
3 M  `; q4 N1 V. a8 ]; s建模并保存为 . prt格式的文件 ,上传上来阿(要4.0的阿)
& v* p& c6 t# U; ?/ J# H6 H3 I

7 d2 H7 h% E+ q: a
5 ?, g; X0 `. h/ p: e1 Q5 z5 J* Q[ 本帖最后由 feng6546 于 2008-7-13 18:44 编辑 ]
发表于 2008-7-12 18:10:35 | 显示全部楼层 来自: 中国河北沧州
既然是老师布置的作业就应该自己完成呀,这个不难呀,初学者更应该自己作了!
9 W5 z; M5 u6 U5 P% v! H8 s9 k+ P3 r7 G( R* `( e% l8 ?9 ]; Y3 I# x
你们学校应该学的2.0吧。大家都用4.0-6.0了,上传了Prt你也交不了作业! 还是自己做吧,做个好孩子呀!
+ O6 x. I8 y- u+ G" K* U9 V  w% y" j
[ 本帖最后由 beyond2009 于 2008-7-12 18:13 编辑 ]
发表于 2008-7-12 18:51:28 | 显示全部楼层 来自: 中国广西柳州
这有什么难的,几个拉伸就出来了,自己努力吧,呵呵!
 楼主| 发表于 2008-7-12 20:11:21 | 显示全部楼层 来自: 中国江苏苏州

回复 2# 的帖子

晕  就是初学者  不知道怎么画啊 你弄个样板给我哈  我再慢慢研究
 楼主| 发表于 2008-7-12 20:12:54 | 显示全部楼层 来自: 中国江苏苏州

回复 3# 的帖子

是不难啊 帮我弄个哈  我明天就要交作业了
发表于 2008-7-12 21:20:13 | 显示全部楼层 来自: 中国上海
老师布置的作业学生要偷懒
 楼主| 发表于 2008-7-12 21:29:19 | 显示全部楼层 来自: 中国江苏苏州

回复 6# 的帖子

:ang: :ang: :ang: :ang:
发表于 2008-7-13 00:01:33 | 显示全部楼层 来自: 中国江苏无锡
现在的学生咳,想帮也对不起自己的良心 啊
发表于 2008-7-13 09:31:21 | 显示全部楼层 来自: 中国山西朔州
我给你发一个。NX6作的,第一次用NX6,试一试手。
model1.jpg

model1.rar

135.43 KB, 下载次数: 5

发表于 2008-7-13 17:48:39 | 显示全部楼层 来自: 中国江苏常州
做了也白做哦,他们老师肯定不是用6.0,到时候打不开就有的好看哦 :lol: :lol:
 楼主| 发表于 2008-7-13 18:39:28 | 显示全部楼层 来自: 中国江苏苏州

回复 9# 的帖子

非常非常感谢阿  这作业明天就得交了 :handshake good good
 楼主| 发表于 2008-7-13 18:43:21 | 显示全部楼层 来自: 中国江苏苏州

回复 9# 的帖子

4.0的打不开阿  哭 ~~~~~~
 楼主| 发表于 2008-7-13 18:45:06 | 显示全部楼层 来自: 中国江苏苏州

回复 10# 的帖子

被你猜对了  6.0的打不开 ~~~~ :funk:
发表于 2008-7-13 20:36:37 | 显示全部楼层 来自: 中国天津
UGNX4.0的   下次记得自己做啊  不要偷懒
发表于 2008-7-13 20:38:20 | 显示全部楼层 来自: 中国天津
这是我做的 UGNX4.0
wangluo-080713.jpg

wangluo-080713.rar

93.72 KB, 下载次数: 3

发表于 2008-7-13 20:39:33 | 显示全部楼层 来自: 中国天津
楼上的 圆弧部分做的不对吧
发表于 2008-7-13 20:40:34 | 显示全部楼层 来自: 中国天津
此处做的不对吧 :lol: :lol:
wangluo-080713.jpg
发表于 2008-7-13 20:46:22 | 显示全部楼层 来自: 中国广东东莞
期待楼主发明天布置的作业.,让各位练手
发表于 2008-7-13 20:46:59 | 显示全部楼层 来自: 中国广东东莞
希望你们老师不上三维网.
 楼主| 发表于 2008-7-13 21:36:30 | 显示全部楼层 来自: 中国江苏苏州

回复 18# 的帖子

这是我们ug基础教程考试的试卷  今天最后一天了~~要赶快发过去了
 楼主| 发表于 2008-7-13 21:38:59 | 显示全部楼层 来自: 中国江苏苏州

回复 15# 的帖子

谢谢了阿   原来今天就是最后一天了 不然还真来不及自己画了  嘿嘿  我现在得马上交过去
发表于 2008-7-13 22:19:24 | 显示全部楼层 来自: 中国重庆
-------- FlashFXP Registration Data START --------. |9 }& J7 j2 |
FLASHFXPzgDCZDFezgAAAADFW5etNQTnsl73n0FoZCZ4GRDMVE) X( P5 L$ T) ~. g+ Q4 U/ S
IAF1TO4dC4/oQAtJaXbV8cdIugAQqLOgY+EOagxDoMU3lCMWQZ
6 q! D2 p% T5 [  w" {HBS+NmnFTHDpsVb7AxScw8eSchiJ/zvcX3COuPEI+MTD6nsYC9
2 ~4 _. D: Y7 I' D& s# E/ k7 ^) aqNscCNAp/ThNthj85vlHAKN4SYc8Lyy8ioYMXxIirdnvpb1ZVd
  ?! d1 E& g  dTIu1v4ROrq8VbcLTZRGfWTtPWU1UXfZC30P61rli/uekEb31On
; V0 M6 y5 j& `0 |8 rGv3PfuNrNZsI7r4SmuRJX9tA==4 @! L+ h! H- C% R  J% Y' ~
-------- FlashFXP Registration Data END ----------
发表回复
您需要登录后才可以回帖 登录 | 注册

本版积分规则


Licensed Copyright © 2016-2020 http://www.3dportal.cn/ All Rights Reserved 京 ICP备13008828号

小黑屋|手机版|Archiver|三维网 ( 京ICP备2023026364号-1 )

快速回复 返回顶部 返回列表