QQ登录

只需一步,快速开始

登录 | 注册 | 找回密码

三维网

 找回密码
 注册

QQ登录

只需一步,快速开始

展开

通知     

查看: 2031|回复: 15
收起左侧

[讨论] 6通径或5通径的阀的选择问题?

[复制链接]
发表于 2008-7-14 16:05:19 | 显示全部楼层 |阅读模式 来自: 中国河南郑州

马上注册,结识高手,享用更多资源,轻松玩转三维网社区。

您需要 登录 才可以下载或查看,没有帐号?注册

x
大多数厂家的样本中都有5或6通径的电磁阀,选用时总觉得其油口布置造成阀块的设计不方便,另外如果配板式电磁溢流阀如何选择和布置?只能加大通径选10通径的吗?请大家讨论一下自己是如何选择的?

评分

参与人数 1三维币 +2 收起 理由
自流井 + 2 有意义的讨论

查看全部评分

发表于 2008-7-14 16:23:36 | 显示全部楼层 来自: 中国上海
要是为了方便可以用叠加溢流阀加HA或者HB机能电磁阀当电磁溢流阀用的。

评分

参与人数 1三维币 +2 收起 理由
自流井 + 2 应助

查看全部评分

发表于 2008-7-14 22:55:21 | 显示全部楼层 来自: 中国广东广州
楼主,板式的为什么不选叠加式的或插装式的呢?
 楼主| 发表于 2008-7-15 10:48:58 | 显示全部楼层 来自: 中国河南郑州
电磁溢流阀最小通径只有10,如果选用6通径的电磁换向阀,是可以采用叠加的溢流阀,而如果是并联系统,不可能在每个换向阀下都叠加个溢流阀吧?采用叠加溢流阀,电磁换向阀的中位机能只能选M型或H型,一片阀还可能,多联阀并联就不行了,只能另想办法
发表于 2008-7-18 08:04:20 | 显示全部楼层 来自: 中国上海
晕倒。溢流阀并联有意义吗?呵呵。
发表于 2008-7-18 08:10:36 | 显示全部楼层 来自: 中国上海
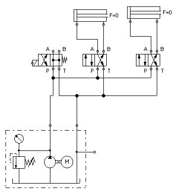
相当于这样。第一摞是单独增加的。因为泵源带溢流阀,所以这儿只有一个电磁阀用于卸荷。
FluidSIM-H_2008.07.18.08.08.48.jpg
发表于 2008-7-18 11:23:35 | 显示全部楼层 来自: 中国北京
这么小通径的阀实际上用螺纹插装阀很容易解决,块也小也美观
发表于 2008-7-18 15:43:24 | 显示全部楼层 来自: 中国上海
楼主想省事。考虑这样不用加工块,全选标准的就行了
发表于 2008-7-18 16:25:36 | 显示全部楼层 来自: 中国北京

回复 8# 的帖子

选板式阀也要做块呀,现在我觉得一些DN5DN6的板式阀要被淘汰,可以用螺纹插装阀替代
发表于 2008-7-18 20:36:16 | 显示全部楼层 来自: 中国上海
楼上的意思是叠加阀要被淘汰?
发表于 2008-7-18 21:06:38 | 显示全部楼层 来自: 中国湖南长沙
但是板式阀便宜,螺纹阀贵,加工阀块也不便宜,所以能选择板式阀就选板式阀吧
发表于 2008-7-18 22:51:02 | 显示全部楼层 来自: 中国上海
在一些领域螺纹插装阀肯定要代替版式阀的,因为大量设备开始小型化,对尺寸要求很严格。但是版式阀和叠加阀有很大的优势就是对加工要求低,使用方便。这一点是无法取代的。
发表于 2008-7-21 09:42:11 | 显示全部楼层 来自: 中国北京
螺纹插装阀和板式阀比省了很多材料,生产插装阀就是用数控车即可,不需要太多的胎具,从价格上应该是螺纹插装阀便宜,因为螺纹插装阀是新的东西,生产上一开始有些投入,这和板式阀一样道理,开始很贵。当模具的成本已摊完后价格就下来了。在生产油路块上需要成型刀,有了成型刀后加工并不复杂,就是一次性投资高点。我曾经接到个活,用的是华德DN10板式溢流阀,客户说不好使有泄漏,后我给改成意大利的插装阀组成的板式阀,一下省了50%,卖给客户还是那个价格,客户还很满意,一看还是进口阀。
发表于 2008-7-21 12:05:41 | 显示全部楼层 来自: 中国江苏无锡
原帖由 张红军 于 2008-7-15 10:48 发表 http://www.3dportal.cn/discuz/images/common/back.gif
" ~" B3 k: ?1 C4 E+ ]- w电磁溢流阀最小通径只有10,如果选用6通径的电磁换向阀,是可以采用叠加的溢流阀,而如果是并联系统,不可能在每个换向阀下都叠加个溢流阀吧?采用叠加溢流阀,电磁换向阀的中位机能只能选M型或H型,一片阀还可能,多 ...

7 @- U# k7 t2 ?什么样的换向阀中位机能和叠加式溢流阀没有必然联系!
 楼主| 发表于 2008-7-21 13:55:11 | 显示全部楼层 来自: 中国河南郑州
楼上的可能没明白我的意思,如果是多个并联的电磁阀,如果不用电磁溢流阀,启动电机后,泵需要高压溢流,不节能,还易发热,只有当某个电磁阀动作后,才能变为高压;而如果采用插装阀,同样还存在这个问题,个人认为,如果小通径的阀用插装阀,不经济,加工工艺要求高,阀块不易清洗.
发表于 2008-7-21 14:43:51 | 显示全部楼层 来自: 中国北京
螺纹插装阀也有电磁溢流的,在小流量时可以用一个溢流阀并联一个两位两通电磁阀解决,只不过是两个插装孔,如今加工业已经很发达,特别是有了成型刀后,普通钻床做插装块已经很容易,千万不要一谈插装阀就发晕,像解决你这个问题国产阀也不过300元,国外的也不过800元,加工块也不过40元/KG(钢),阀块清洗和一般阀块也是一样的。
发表回复
您需要登录后才可以回帖 登录 | 注册

本版积分规则

Licensed Copyright © 2016-2020 http://www.3dportal.cn/ All Rights Reserved 京 ICP备13008828号

小黑屋|手机版|Archiver|三维网 ( 京ICP备2023026364号-1 )

快速回复 返回顶部 返回列表