QQ登录

只需一步,快速开始

登录 | 注册 | 找回密码

三维网

 找回密码
 注册

QQ登录

只需一步,快速开始

展开

通知     

全站
5天前
查看: 31983|回复: 165
收起左侧

[练习题] 基础综合练习03

[复制链接]
发表于 2008-7-15 22:52:58 | 显示全部楼层 |阅读模式 来自: 中国台湾

马上注册,结识高手,享用更多资源,轻松玩转三维网社区。

您需要 登录 才可以下载或查看,没有帐号?注册

x
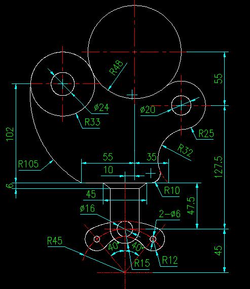
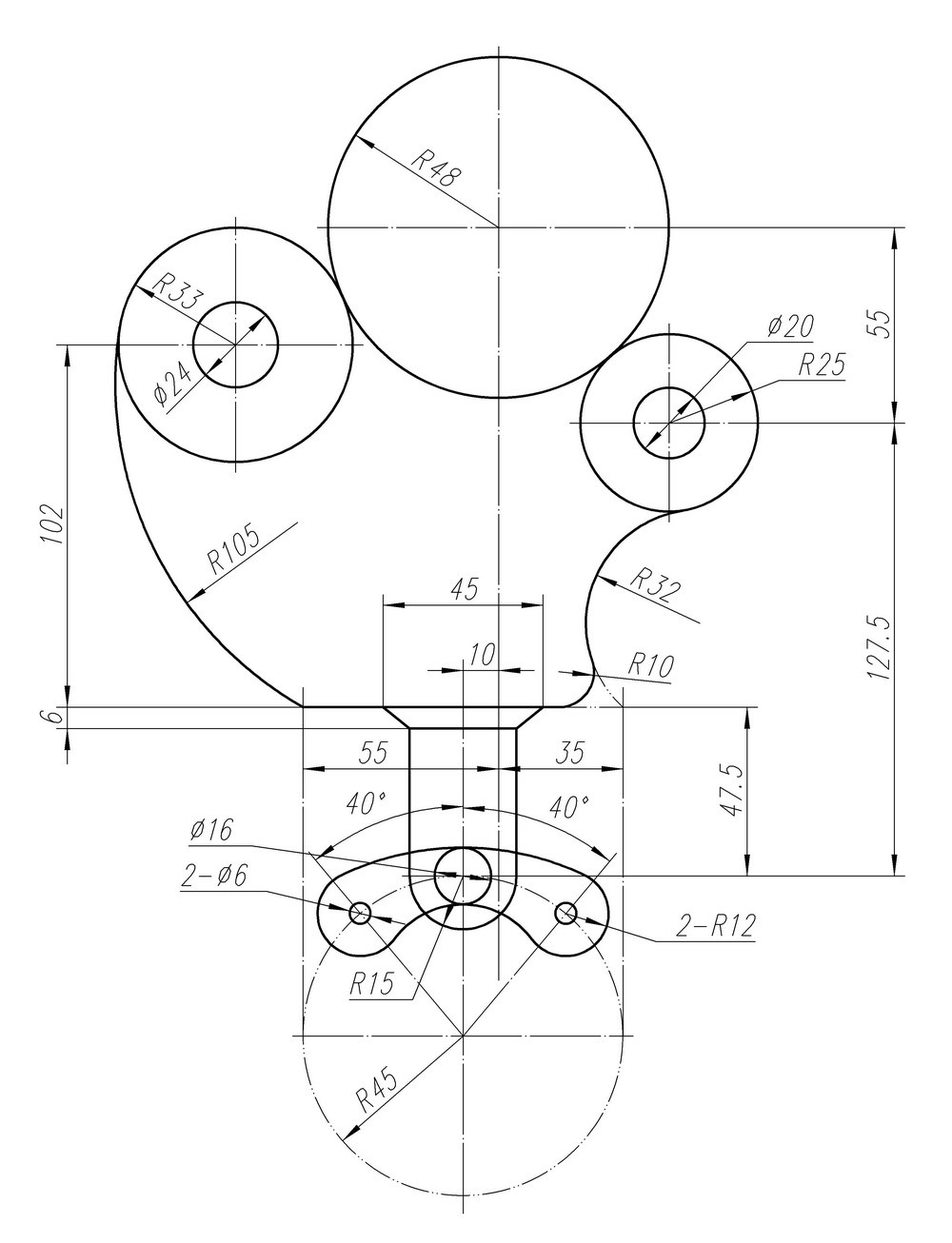
基础综合练习038 U1 z! m% ]. w, F% H
论坛里的练习题大都是进阶级的/ a7 Y7 {9 O7 u0 \, s! T$ r& `( X
不适合初学者
; l5 `' B* N3 j# r希望这些基础练习题4 P) k0 M8 P' J6 l$ U( e1 {- N# F
可以带给初学者一些欢乐
# H* [7 B6 f! t6 S4 A$ D( ]2 b
基础综合练习03.JPG

基础综合练习03.dwg

152.84 KB, 阅读权限: 120, 下载次数: 1

评分

参与人数 1三维币 +5 收起 理由
wsj249201 + 5 提供练习!

查看全部评分

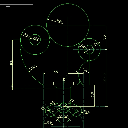
发表于 2008-8-4 16:02:32 | 显示全部楼层 来自: 中国甘肃张掖
学习,练习!(画的是什么,LZ能告诉我吗?
基础综合练习03答案.jpg

评分

参与人数 1三维币 +5 收起 理由
2005llnn + 5 很好

查看全部评分

 楼主| 发表于 2008-8-4 21:21:54 | 显示全部楼层 来自: 中国台湾
原帖由 同舟共济 于 2008-8-4 16:02 发表 http://www.3dportal.cn/discuz/images/common/back.gif
- f2 j$ \7 I8 z学习,练习!(画的是什么,LZ能告诉我吗?

/ X/ ~( f9 `% h7 I+ Z/ j那是在台灣一個民間機構的證照考題
8 ~; F* F" `" o; G, w5 T$ W. Q只是出題者依解題深淺出題考驗學子的題目
) A2 |7 G% R3 ]1 b1 c8 u& [沒有針對特別的物件作設計
发表于 2008-8-5 10:59:21 | 显示全部楼层 来自: 中国河北承德

怎么把图贴上啊!

发表于 2008-8-5 15:06:50 | 显示全部楼层 来自: 中国广东江门
练习了!!0 D4 |. K( t& p' M* }8 v; ]

$ b' e6 E* |" }2 X1 b6 J  i LS-3.jpg

评分

参与人数 1三维币 +5 收起 理由
2005llnn + 5 很好

查看全部评分

发表于 2008-8-5 15:34:09 | 显示全部楼层 来自: 中国广东深圳
基础综合练习032 g+ s6 `% Z; B6 q' ?
练习了.
01.jpg

评分

参与人数 1三维币 +5 收起 理由
2005llnn + 5 很好

查看全部评分

发表于 2008-8-5 16:48:49 | 显示全部楼层 来自: 中国湖北襄阳
画的不好请多指教,谢谢。! t# E' Z, h- z
/ I7 ]) X. D9 u' A
[ 本帖最后由 zeyong 于 2008-8-5 16:53 编辑 ]
础综合练习000002.jpg

评分

参与人数 1三维币 +4 收起 理由
2005llnn + 4 鼓励,图下方虚线部分没有画好,贴图太大了

查看全部评分

发表于 2008-8-5 20:06:55 | 显示全部楼层 来自: 中国浙江金华
练习了!!!* f2 ~8 u2 {* j  B2 A

+ Y: W! a/ W( @ 1.jpg

评分

参与人数 1三维币 +5 收起 理由
2005llnn + 5 很好

查看全部评分

发表于 2008-8-6 00:42:49 | 显示全部楼层 来自: 中国台湾
来练习了
3.jpg

评分

参与人数 1三维币 +5 收起 理由
2005llnn + 5 很好

查看全部评分

发表于 2008-8-7 16:11:15 | 显示全部楼层 来自: 中国广东广州
132123.jpg 有点不标准....

评分

参与人数 1三维币 +3 收起 理由
2005llnn + 3 鼓励,图下方虚线部分没有画好。

查看全部评分

发表于 2008-8-8 17:10:55 | 显示全部楼层 来自: 中国浙江金华
弄了好半天,不知道格式对不对的,试下了
未命名fg.jpg
发表于 2008-8-8 18:30:23 | 显示全部楼层 来自: 中国浙江金华
下班了,都没人请教了,自己再试试了 未命名de.jpg 好象还是看不清的 名.jpg 这样可以看清没?不行的话明天在请教同事了,今天要看奥运开幕试了,见谅!

Drawing3.dwg

39.67 KB, 下载次数: 42

评分

参与人数 1三维币 +5 收起 理由
2005llnn + 5 很好,贴图有进步。

查看全部评分

发表于 2008-8-11 10:42:00 | 显示全部楼层 来自: 中国江苏苏州
第三次练习 请多多指教1 b, ~6 y! Q4 z: d
未命名.jpg

基础综合练习03.dwg

45.06 KB, 阅读权限: 50, 下载次数: 6

评分

参与人数 1三维币 +5 收起 理由
2005llnn + 5 很好,应在标注样式改主单位 消零 后续

查看全部评分

发表于 2008-8-11 11:07:56 | 显示全部楼层 来自: 中国江苏苏州
多谢指教7 a$ F) Y) I1 V# h# J
这是修改后的
0 D! K! [5 C. B) ?* q: d) H 未命名.jpg

评分

参与人数 1三维币 +2 收起 理由
2005llnn + 2 这样好看多了。

查看全部评分

发表于 2008-8-11 14:07:23 | 显示全部楼层 来自: 中国广东中山
参与练习下% h8 }" X) N1 m
$ {+ [' Y- {) r, m1 l9 ~& v# [
1.jpg

评分

参与人数 1三维币 +5 收起 理由
2005llnn + 5 很好

查看全部评分

发表于 2008-8-12 07:44:26 | 显示全部楼层 来自: 中国江苏南京
我也发一个 基础综合练习03.JPG 03.dwg (54.36 KB, 下载次数: 1)

评分

参与人数 1三维币 +4 收起 理由
2005llnn + 4 积极参与,贴图太大,尺寸小了些。

查看全部评分

发表于 2008-8-12 13:29:10 | 显示全部楼层 来自: 中国广东惠州
弱弱的问一下! g# W) ^; F. O. u9 Z
图上绿色圈内的相切是怎么做到的??
3 C+ l$ P. ^- }: ^. K( J8 U4 T下图是我画的,不过没相切!
: l1 F! D! M7 z- o6 n+ z8 E2 f8 p! R/ m  T. d  X( K
[ 本帖最后由 fkewww 于 2008-8-12 13:32 编辑 ]
080812-001.JPG
080812-002.JPG
发表于 2008-8-12 17:46:56 | 显示全部楼层 来自: 中国广东惠州
谢谢  2005llnn7 x$ ?! h2 J! K, X
我还有待学习
080812-001.JPG

评分

参与人数 1三维币 +5 收起 理由
2005llnn + 5 积极参与

查看全部评分

发表于 2008-8-13 17:43:39 | 显示全部楼层 来自: 中国河北沧州
又来了一个练习的好机会,要努力完成每个练习的机会 :victory: :victory:
) E1 S3 N( B* C1 ?' V
练11习.jpg

评分

参与人数 1三维币 +5 收起 理由
2005llnn + 5 很好

查看全部评分

发表于 2008-8-13 22:21:27 | 显示全部楼层 来自: 中国浙江宁波
练习中!不过老大的尺寸过约束了!看的眼都花了!
12.jpg

评分

参与人数 1三维币 +5 收起 理由
2005llnn + 5 很好

查看全部评分

发表于 2008-8-14 10:53:05 | 显示全部楼层 来自: 中国江苏苏州
看着很简单,可还是画了好久,要加快脚步联系
4.jpg

评分

参与人数 1三维币 +3 收起 理由
2005llnn + 3 鼓励,图下方虚线部分没有画好。

查看全部评分

发表于 2008-8-18 17:24:17 | 显示全部楼层 来自: 中国山东威海
练习了 不知对不对?
+ O! A5 R. Y( N7 z4 q4 b8 C" L+ j1 {# a! v
[ 本帖最后由 2005llnn 于 2008-8-19 12:02 编辑 ]
练习14.jpg

练习14.dwg

84.25 KB, 下载次数: 33

评分

参与人数 1三维币 +3 收起 理由
2005llnn + 3 鼓励,图下方虚线部分没有画好。

查看全部评分

发表于 2008-8-19 15:16:00 | 显示全部楼层 来自: 中国
尺寸标注按自己的标注格式的。. I/ e4 B3 a% |2 R: A- O
未命名.JPG
发表于 2008-8-19 21:40:31 | 显示全部楼层 来自: 中国上海

偶是新手

就这样了,赶着睡觉了 这里真不错
练习题02.jpg

评分

参与人数 1三维币 +3 收起 理由
2005llnn + 3 鼓励,图下方虚线部分没有画好。

查看全部评分

发表于 2008-8-22 21:53:51 | 显示全部楼层 来自: 中国山东临沂

一日一练

lianxi3.jpg % F( Z; D) \# Y' C5 ~4 T% b1 p
/ m$ T' ~& r; A3 J
感谢楼主提供练习!

评分

参与人数 1三维币 +5 收起 理由
2005llnn + 5 很好

查看全部评分

发表回复
您需要登录后才可以回帖 登录 | 注册

本版积分规则


Licensed Copyright © 2016-2020 http://www.3dportal.cn/ All Rights Reserved 京 ICP备13008828号

小黑屋|手机版|Archiver|三维网 ( 京ICP备2023026364号-1 )

快速回复 返回顶部 返回列表