QQ登录

只需一步,快速开始

登录 | 注册 | 找回密码

三维网

 找回密码
 注册

QQ登录

只需一步,快速开始

展开

通知     

查看: 16903|回复: 98
收起左侧

[练习题] 基础综合练习11

[复制链接]
发表于 2008-7-15 23:29:34 | 显示全部楼层 |阅读模式 来自: 中国台湾

马上注册,结识高手,享用更多资源,轻松玩转三维网社区。

您需要 登录 才可以下载或查看,没有帐号?注册

x
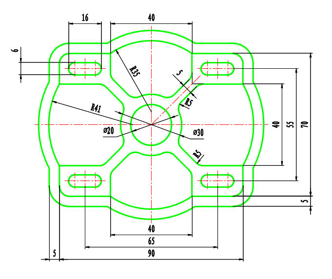
基础综合练习11
5 N# e" q8 `$ v0 Q# Q1 {+ O6 T2 N3 U9 a
[ 本帖最后由 2005llnn 于 2008-9-27 14:10 编辑 ]
基础综合练习11.JPG

评分

参与人数 1三维币 +5 收起 理由
2005llnn + 5 提供练习!

查看全部评分

发表于 2008-7-16 10:55:54 | 显示全部楼层 来自: 中国浙江金华
交作业了,练习练习;% J$ j. j7 w* Z  T+ R
2.JPG

评分

参与人数 1三维币 +5 收起 理由
2005llnn + 5 很好

查看全部评分

发表于 2008-7-16 14:35:20 | 显示全部楼层 来自: 中国广东深圳
练习下.
01.jpg

评分

参与人数 1三维币 +5 收起 理由
2005llnn + 5 很好

查看全部评分

发表于 2008-9-29 13:11:59 | 显示全部楼层 来自: 中国甘肃张掖
学习,练习!
基础综合练习11答案.jpg

基础综合练习11答案.dwg

43.2 KB, 阅读权限: 80, 下载次数: 2

评分

参与人数 1三维币 +5 收起 理由
2005llnn + 5 很好

查看全部评分

发表于 2008-10-3 11:30:36 | 显示全部楼层 来自: 中国辽宁沈阳
我做的图
4 K2 ]# X' T+ L" ^' A4 X

基础练习题11答案

基础练习题11答案

评分

参与人数 1三维币 +5 收起 理由
2005llnn + 5 很好

查看全部评分

发表于 2008-10-3 13:53:29 | 显示全部楼层 来自: 中国湖北襄阳
贵在参与,请指教。
1.jpg

评分

参与人数 1三维币 +5 收起 理由
2005llnn + 5 很好

查看全部评分

发表于 2008-10-4 11:14:23 | 显示全部楼层 来自: 中国山东聊城
图纸见附件
11.jpg

评分

参与人数 1三维币 +5 收起 理由
2005llnn + 5 很好

查看全部评分

发表于 2008-10-5 15:12:29 | 显示全部楼层 来自: 中国江苏苏州
新手学习中 请多多指教$ _2 e9 x7 s: H# c( A- ^
# Y! C4 L/ r9 P+ k+ N; N
1.jpg

评分

参与人数 1三维币 +5 收起 理由
2005llnn + 5 很好

查看全部评分

头像被屏蔽
发表于 2008-10-6 14:06:41 | 显示全部楼层 来自: 中国湖北武汉
提示: 作者被禁止或删除 内容自动屏蔽
发表于 2008-10-7 22:20:05 | 显示全部楼层 来自: 中国浙江衢州
11.JPG

评分

参与人数 1三维币 +5 收起 理由
2005llnn + 5 很好

查看全部评分

发表于 2008-10-8 08:25:02 | 显示全部楼层 来自: 中国福建厦门
练习一下! :)
未命名1.jpg

评分

参与人数 1三维币 +5 收起 理由
2005llnn + 5 很好

查看全部评分

发表于 2008-10-8 17:07:51 | 显示全部楼层 来自: 中国江苏徐州
抓取6.gif

评分

参与人数 1三维币 +5 收起 理由
2005llnn + 5 很好

查看全部评分

发表于 2008-10-9 14:37:25 | 显示全部楼层 来自: 中国浙江温州

学习

瞎画的请多多指教
& A! Y6 W4 l9 n* I0 b1 h; l2 S. c6 q/ v; |  t, O7 y/ ?
[ 本帖最后由 2005llnn 于 2008-10-9 14:40 编辑 ]
Drawing1.jpg

Drawing1.dwg

55.5 KB, 下载次数: 4

评分

参与人数 1三维币 +2 收起 理由
2005llnn + 2 第一次发帖,鼓励

查看全部评分

发表于 2008-10-9 22:01:29 | 显示全部楼层 来自: 中国河北沧州
做完了!希望大家指点指点!
- T$ ~% M! i, G  P' F5 y. w1 E4 r$ a) d( e6 W8 j
[ 本帖最后由 木易人之 于 2008-10-9 22:28 编辑 ]
swzhlx11.JPG

评分

参与人数 1三维币 +5 收起 理由
2005llnn + 5 很好

查看全部评分

发表于 2008-10-10 22:51:26 | 显示全部楼层 来自: 中国广东广州
没有做标注,正在学习。# z; |$ C4 m+ J  \, B
011.JPG

11.dwg

133.9 KB, 阅读权限: 50, 下载次数: 3

评分

参与人数 1三维币 +2 收起 理由
2005llnn + 2 鼓励,应该标注好

查看全部评分

发表于 2008-10-11 00:36:54 | 显示全部楼层 来自: 中国浙江嘉兴
练习 :(
21.jpg

评分

参与人数 1三维币 +4 收起 理由
2005llnn + 4 很好,5.1有点不对

查看全部评分

发表于 2008-10-11 16:03:52 | 显示全部楼层 来自: 中国江西新余
抽空作了一下,交上来。# @+ Y: B% Q/ C  Y
1 [: R4 ?* I& C) t! E
三维网完成基础11.jpg

评分

参与人数 1三维币 +5 收起 理由
2005llnn + 5 很好

查看全部评分

发表于 2008-10-11 18:47:58 | 显示全部楼层 来自: 中国湖南常德
尺寸10那里弄小了点。  国产的CAXA电子图板画的,能给分吗?+ A/ _! G, _6 f/ d2 C) {
QQ截图未命名2.jpeg ( F! z" c& h" K! j- N
[localimg=400,271]1[/localimg]
. t" g- p- G2 B# r; ?1 r# G/ [8 g. W7 l6 A1 u* e
[ 本帖最后由 sunping888 于 2008-10-11 18:50 编辑 ]

123.rar

10.02 KB, 阅读权限: 100, 下载次数: 1

评分

参与人数 1三维币 +4 收起 理由
2005llnn + 4 鼓励

查看全部评分

发表于 2008-10-23 16:56:28 | 显示全部楼层 来自: 中国辽宁沈阳
交作业了
$ A! p- k* K1 l" p( N  l0 |今天就到此为止
& u/ R: [) S$ g我要下班了
11.jpg

评分

参与人数 1三维币 +5 收起 理由
2005llnn + 5 很好

查看全部评分

发表于 2008-10-23 22:20:48 | 显示全部楼层 来自: 中国湖南长沙
我的作业~~
基础练习11.jpg

评分

参与人数 1三维币 +5 收起 理由
2005llnn + 5 很好

查看全部评分

发表于 2008-11-6 09:02:12 | 显示全部楼层 来自: 中国江苏无锡
完成练习。
' T& d, b8 q3 C 未命名.JPG

评分

参与人数 1三维币 +5 收起 理由
2005llnn + 5 很好

查看全部评分

发表于 2008-11-6 16:09:01 | 显示全部楼层 来自: 中国河北邯郸
跟做练习题。。。。7 Y5 W- m2 ^* n( ^: c! b2 n5 b7 y) k& V
# w. ^/ b+ a- z/ O1 q# ]
[ 本帖最后由 hiuhangzhe 于 2008-11-6 16:11 编辑 ]
5.JPG

评分

参与人数 1三维币 +5 收起 理由
2005llnn + 5 很好

查看全部评分

发表于 2008-11-11 15:38:39 | 显示全部楼层 来自: 中国山东烟台
Snap3.jpg

评分

参与人数 1三维币 +5 收起 理由
2005llnn + 5 很好

查看全部评分

发表于 2008-11-11 23:29:29 | 显示全部楼层 来自: 马来西亚
志在参与!1 v  X' z# c" C/ M2 ^1 ?9 J) r
4 U6 X. \6 D8 F# M% g" {9 M
1.JPG

评分

参与人数 1三维币 +5 收起 理由
2005llnn + 5 很好,小数点后应消0

查看全部评分

发表于 2008-11-13 14:28:33 | 显示全部楼层 来自: 中国河北唐山
我交作业了,请指教.
11a.jpg

评分

参与人数 1三维币 +5 收起 理由
2005llnn + 5 很好

查看全部评分

发表回复
您需要登录后才可以回帖 登录 | 注册

本版积分规则


Licensed Copyright © 2016-2020 http://www.3dportal.cn/ All Rights Reserved 京 ICP备13008828号

小黑屋|手机版|Archiver|三维网 ( 京ICP备2023026364号-1 )

快速回复 返回顶部 返回列表