QQ登录

只需一步,快速开始

登录 | 注册 | 找回密码

三维网

 找回密码
 注册

QQ登录

只需一步,快速开始

展开

通知     

查看: 5954|回复: 35
收起左侧

[讨论] 单向阀的压差与开启压力有何关联?新加了截图,希望大家能参与

[复制链接]
发表于 2008-7-16 08:35:34 | 显示全部楼层 |阅读模式 来自: 中国河北唐山

马上注册,结识高手,享用更多资源,轻松玩转三维网社区。

您需要 登录 才可以下载或查看,没有帐号?注册

x
如题,看资料得知,流体通过单向阀的压力差并不是简单的等于其开启压力。大家讨论下。。。4 S/ @5 q8 H2 l$ f) |" C4 ~/ z
6 Q/ K1 m; ?6 i2 N0 P3 d0 ~4 l
[ 本帖最后由 tudou198423 于 2008-7-18 14:26 编辑 ]
发表于 2008-7-17 18:21:45 | 显示全部楼层 来自: 中国北京
在该阀的额定流量内,压差和流速成线性正比关系

评分

参与人数 1三维币 +2 收起 理由
自流井 + 2 应助

查看全部评分

发表于 2008-7-17 20:24:08 | 显示全部楼层 来自: 中国河南南阳
原帖由 tudou198423 于 2008-7-16 08:35 发表 http://www.3dportal.cn/discuz/images/common/back.gif7 _& g" ~& Y, i4 {5 ?; i3 D
如题,看资料得知,流体通过单向阀的压力差并不是简单的等于其开启压力。大家讨论下。。。

9 W9 A8 Z: H" u4 n! H3 G) B! h6 S' U5 T( T9 M9 s
通过单向阀的流量小于额定流量时,压差小于该单向阀的开启压力。
2 q/ I6 `+ d  |0 l0 s这个议题好像以前讨论过,查不到了。

评分

参与人数 1三维币 +3 收起 理由
自流井 + 3 应助

查看全部评分

 楼主| 发表于 2008-7-18 08:30:35 | 显示全部楼层 来自: 中国河北唐山
昨天有点忙,没能及时跟帖,谅解!" Y- f4 h' q) _$ a, ?* W
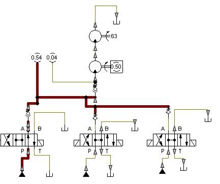
昨晚用automation studio 模拟了一个包含单向阀的简单系统,大家看看能从中得出什么结论。。。补充下:单向阀的开启压力为1bar。紫色数据为系统压力,绿色为流量,红色为压差
1 _9 J- y" f$ g) t  T. f" Q4 E% }7 a
8 A+ p2 H3 ^6 N3 G1 \- u( ?1 r, T7 l[ 本帖最后由 tudou198423 于 2008-7-18 08:33 编辑 ]
Automation Studio - [Project1  Diagram1]2.jpg
Automation Studio - [Project1  Diagram1]3.jpg
Automation Studio - [Project1  Diagram1]1.jpg

评分

参与人数 1三维币 +5 收起 理由
自流井 + 5 最好能打包上传,这样方便大家参与

查看全部评分

 楼主| 发表于 2008-7-18 14:28:34 | 显示全部楼层 来自: 中国河北唐山
原帖由 gxp1014 于 2008-7-17 18:21 发表 http://www.3dportal.cn/discuz/images/common/back.gif- x- }) S3 u: k; ^0 X3 T$ p
在该阀的额定流量内,压差和流速成线性正比关系
是成正比关系,这位朋友确认是成线性正比关系吗?
发表于 2008-7-18 14:31:50 | 显示全部楼层 来自: 中国浙江温州
4楼的说得很好,很直观。支持一下,谢谢分享。
发表于 2008-7-18 15:40:54 | 显示全部楼层 来自: 中国江苏无锡
原帖由 tudou198423 于 2008-7-18 14:28 发表 http://www.3dportal.cn/discuz/images/common/back.gif
4 H# }& D, I8 x6 @是成正比关系,这位朋友确认是成线性正比关系吗?

0 r. c  s( J3 @2 @准确的来说通过薄壁小孔的压差与流量成正比线性关系.
3 b" J9 D1 d2 r  h% ^! c. G  n  Y" T2 M( z- d
但是通常的阀线性不是很直,可以直接看下该阀的压力流量曲线4 F8 ?: c# Y! j4 o& L

8 n2 \( S& |5 O7 Y" |( {: T4 x: o, _样本上都有 流量大了,压差增加比线性略高

评分

参与人数 1三维币 +2 收起 理由
自流井 + 2 应助

查看全部评分

发表于 2008-7-18 15:54:39 | 显示全部楼层 来自: 中国上海
为什么流量越大泵出口的压力越高了呢?应该该随着节流阀开口增大压力降低的呀。有点弄不懂了。
 楼主| 发表于 2008-7-18 16:26:04 | 显示全部楼层 来自: 中国河北唐山
原帖由 46792974 于 2008-7-18 15:54 发表 http://www.3dportal.cn/discuz/images/common/back.gif
, @  h  v! ?3 @$ V4 E为什么流量越大泵出口的压力越高了呢?应该该随着节流阀开口增大压力降低的呀。有点弄不懂了。

: e8 J1 K) G  N1 o- \这个我也不是很清楚,刚开始接触这个软件,不是很熟悉。
发表于 2008-7-19 07:17:54 | 显示全部楼层 来自: 中国北京
1、同意7楼表述,实际任何物理关系都是都是经拟合后的,所以才有数学模型一说;9 j; i6 L5 H3 N, n5 L
2、4楼模拟原理图中我没看到有节流阀。
! d, t1 O9 z/ w: V: `1 d   压力和流量是两个不同特性,他们仅和功率产生关系,而功率的输出取决于负载;9 O# A2 E3 R/ g4 P0 p6 w& V# r0 P
   即使装了节流阀也不会改变这个关系。
2 f: G5 r: d: `+ x# G3、楼主的软件有点意思,能不能发我一个:g.xp@sohu.com7 a. S3 G  x+ a; f
      谢谢!!
 楼主| 发表于 2008-7-20 08:11:06 | 显示全部楼层 来自: 中国河北唐山
原帖由 gxp1014 于 2008-7-19 07:17 发表 http://www.3dportal.cn/discuz/images/common/back.gif
; J% F. d# y  c) t6 t* g( b# C1、同意7楼表述,实际任何物理关系都是都是经拟合后的,所以才有数学模型一说;3 Z1 h4 h) d% L( O; i. A
2、4楼模拟原理图中我没看到有节流阀。
$ [0 l: _3 J$ L" t# ?   压力和流量是两个不同特性,他们仅和功率产生关系,而功率的输出取决于负载;
1 z  p6 R& T3 F   即使装 ...

) g5 Y' o7 |$ W! A* C所模拟的系统中确实没有加节流阀,我也是刚刚接触这个软件。朋友如果想要的话,本论坛就有,你可以搜索下。
/ g* B7 n. q  n# a3 p* Z9 H* s! j9 Mhttp://www.3dportal.cn/discuz/viewthread.php?tid=214734&highlight=automation。看下这个。
+ v; z$ W) Q. A" ^0 Y) c另外,液压方面的软件还有几个,坛子里有个帖子讨论的很好,你也可以参考下。
! N* R  {8 G6 Z% `' \# ?$ I, ^/ e9 |http://www.3dportal.cn/discuz/viewthread.php?tid=107345&highlight=automation
' P6 d6 h$ v& x( h# g, F1 K' v“实际任何物理关系都是都是经拟合后的,所以才有数学模型一说”。这句话大概就是各种模拟软件的精髓所在吧。
- D; f- H9 |! Q$ w1 B! R% X  [大家一起学习

评分

参与人数 1三维币 +3 收起 理由
9619 + 3 积极参与发起的主题

查看全部评分

 楼主| 发表于 2008-7-20 08:18:12 | 显示全部楼层 来自: 中国河北唐山
自流井大哥的建议,我就把原文件上传。不过,该文件只能用automation studio 打开。

Project1单向阀.rar

15.01 KB, 下载次数: 7

发表于 2008-7-22 22:20:32 | 显示全部楼层 来自: 中国上海
automation studio的二通插装阀怎么设置?我为什么怎么设置都没有用呢。先导阀不起作用,插装阀当溢流阀用。是软件有问题还是怎么?
发表于 2008-7-22 22:59:28 | 显示全部楼层 来自: 中国上海
automation没弄懂呢。用festo fluidsim弄了一个。festo的液压件都流量非常小,所以我把泵调到0.5L/min。泵出口三个单向阀设置了开启压力1bar,被试单向阀开启压力为5bar。这样即使全开也到不了2L/min" e+ f% J7 T' j$ i" z
1.JPG 2.JPG 3.JPG 4.JPG ) Z8 G$ F+ r( m9 [6 K. N
四楼的时候可以把泵出口溢流阀去掉,以排除溢流阀对系统压力的影响?我试着同一个溢流阀流量不同的时候压力也是有差异的。所以就把溢流阀去掉了。
: ^: x8 R# r. h; w  |+ n
3 j2 w; h. u0 f% q& {[ 本帖最后由 46792974 于 2008-7-22 23:13 编辑 ]

评分

参与人数 1三维币 +5 收起 理由
晨砂 + 5 技术讨论

查看全部评分

 楼主| 发表于 2008-7-23 07:50:19 | 显示全部楼层 来自: 中国河北唐山
原帖由 46792974 于 2008-7-22 22:59 发表 http://www.3dportal.cn/discuz/images/common/back.gif& F; I' m2 n6 p2 R- T* R- g/ Y5 F3 d
automation没弄懂呢。用festo fluidsim弄了一个。festo的液压件都流量非常小,所以我把泵调到0.5L/min。泵出口三个单向阀设置了开启压力1bar,被试单向阀开启压力为5bar。这样即使全开也到不了2L/min
  o$ B; H. Z5 q3 t4 F  }$ d9118199118209 ...

8 {+ m( E3 l1 g  O2 \7 i感谢您的建议,我觉得系统中各个元件之间应该存在着某种关联。festo fluidsim 我也接触过,私下认为它更适合于教学用,把它推荐给了老师,老师很是喜欢。
+ n! X" n+ Q/ C6 V, Z( Q  s$ }晚上我试试把溢流阀去掉,看看对单向阀的压差有没有影响。
发表于 2008-7-23 21:47:01 | 显示全部楼层 来自: 中国北京
任何系统原理,都可以通过原理(元件)分析得出理论数据和实际工况结果;; {9 }3 b. P* p. z( W0 x! _* z  P
模拟软件只不过是将人对元件特性的理解流程化(简单叠加)罢了;
% A; c" o+ f4 i  A& U8 M! B* I) }; M建议大家多多交流不同阀的特性知识;多多交流样本资料;
发表于 2008-7-23 21:54:05 | 显示全部楼层 来自: 中国北京
我们就从单向阀开始;
3 R- K, Z- r/ J% s) p请各位给单向阀做出总结性论述,大家一致通过后.再进行下一个阀件的研究.
发表于 2008-7-24 07:15:52 | 显示全部楼层 来自: 中国上海
原帖由 gxp1014 于 2008-7-23 21:47 发表 http://www.3dportal.cn/discuz/images/common/back.gif! k- U; q" |2 R5 U7 q4 U" A
任何系统原理,都可以通过原理(元件)分析得出理论数据和实际工况结果;
3 z' v' J; h5 q! ^' b* i7 y/ [模拟软件只不过是将人对元件特性的理解流程化(简单叠加)罢了;
+ R. _7 h6 x  \7 B+ g" {: F建议大家多多交流不同阀的特性知识;多多交流样本资料;

; X$ u0 [" p$ Z+ g2 H0 E# F) V2 {我感觉也是。理论性的东西不好验证的。模拟软件只是把理论性东西输到电脑里,也不能保证准确的。即使试验台试验也有随即性的。
 楼主| 发表于 2008-7-24 08:54:24 | 显示全部楼层 来自: 中国河北唐山
原帖由 gxp1014 于 2008-7-23 21:54 发表 http://www.3dportal.cn/discuz/images/common/back.gif
8 ]9 a- o: ]3 y9 T8 c我们就从单向阀开始;
5 Q3 a( y# r9 N/ L请各位给单向阀做出总结性论述,大家一致通过后.再进行下一个阀件的研究.
: ~, p0 Q& x0 [' j# i" M+ M) y3 U/ @& Q
麻烦您给单向阀做个总结吧,您这个提议很好。
发表于 2008-7-26 09:39:18 | 显示全部楼层 来自: 中国北京
1、关于单向阀的理论特性和技术特性,在样本中表述的很清楚;但要归纳还需仔细整理资料;
/ o7 Z8 c9 l' n8 v  R- p我会努力在周一完成;$ G) W4 s, V- N9 N( z) ?
2、对于单向阀的反向截止和正向导通(存在压力损失)在系统中的典型应用,大家可继续交流,这样会对这类阀加深了解;
2 Y5 w: v4 ?: V3、感谢tudou198423的信任。
发表于 2009-11-8 23:20:44 | 显示全部楼层 来自: 中国湖北武汉
这个好牛逼,正好是我最近遇到的问题,有解了,不知道楼主能否发个FLASH格式的动画,我好参考下,谢谢,zhangxv11@163.com
发表于 2009-11-8 23:22:29 | 显示全部楼层 来自: 中国湖北武汉
做个总结吧
发表于 2009-11-9 01:44:26 | 显示全部楼层 来自: 中国湖北孝感
小于开启压力也有流量通过吗  好像讲不通啊
发表于 2009-11-9 19:46:32 | 显示全部楼层 来自: 中国安徽芜湖
实际上说来说去,还是在说单向阀的工作原理.
) |) g. l7 j+ x/ m* F找本英文的看看就明白了,国语的说得都不地道.
发表于 2009-11-9 20:26:31 | 显示全部楼层 来自: 中国北京
楼主设计这个油路有何目的,这种系统油缸运行不平稳,缺少被压在油缸回油箱的一端,流量增加过程中,单向阀的两端的压差也在增加,看不明白!6 ?3 K; b) D5 [, `5 a. C3 S
单向阀一般在系统中与泵连用时,不是减压的目的,是保护泵的作用,防止逆转,损毁泵!
" }2 G* ]# B6 z作者的意图是不是想证明单向阀的减压作用?还是什么?我看作者画的定量泵,不是变量泵?
发表回复
您需要登录后才可以回帖 登录 | 注册

本版积分规则


Licensed Copyright © 2016-2020 http://www.3dportal.cn/ All Rights Reserved 京 ICP备13008828号

小黑屋|手机版|Archiver|三维网 ( 京ICP备2023026364号-1 )

快速回复 返回顶部 返回列表