QQ登录

只需一步,快速开始

登录 | 注册 | 找回密码

三维网

 找回密码
 注册

QQ登录

只需一步,快速开始

展开

通知     

查看: 1981|回复: 6
收起左侧

[已解决] 有关顺序阀的问题

[复制链接]
发表于 2008-7-22 21:15:56 | 显示全部楼层 |阅读模式 来自: 中国北京

马上注册,结识高手,享用更多资源,轻松玩转三维网社区。

您需要 登录 才可以下载或查看,没有帐号?注册

x
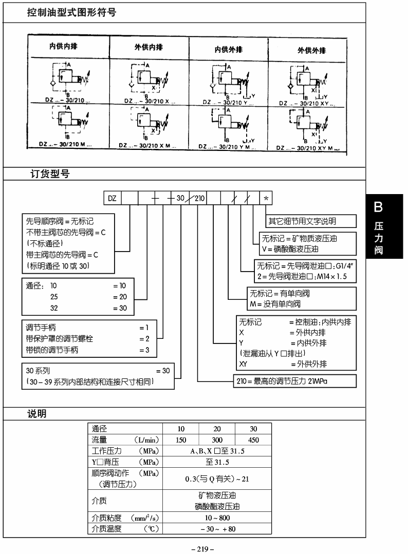
根据控制与泄油的方式 顺序阀 分为内控外泄 外空外泄 内控内泄和外控内泄5 u+ c6 ?4 x- @  }6 B7 Q$ z; Q; ^
请问 这四种顺序阀是如何区分的 以及它们之间是如何转换的 , Q2 E% A% v' T4 u6 Y0 V) W
因为大学刚毕业,工作需要开始自学液压知识,但是有好多方面都不是很明白,希望这里的高手能够不吝赐教,小弟在这里万分感激!!!

评分

参与人数 1三维币 +2 收起 理由
自流井 + 2 支持新人

查看全部评分

发表于 2008-7-22 21:25:08 | 显示全部楼层 来自: 中国上海
顺序阀没有内泄的,内泄的是溢流阀。顺序阀和减压阀一样,AB口都是压力口,泄不出来的。

评分

参与人数 1三维币 +3 收起 理由
9619 + 3 技术讨论

查看全部评分

发表于 2008-7-23 07:34:08 | 显示全部楼层 来自: 中国江苏无锡
楼上好象说的不对.有内供外排, 外供外排 ,内供内排, 和外供内排. 想详细了解这种阀,把样本仔细的看一下.

评分

参与人数 1三维币 +3 收起 理由
9619 + 3 技术讨论

查看全部评分

 楼主| 发表于 2008-7-23 20:52:58 | 显示全部楼层 来自: 中国北京
顺序是有 四种控制方式的 可是 如何按照这四种方式进行区分 望广大高手不吝赐教 也感谢 上面二位高手 关注我这个问题
发表于 2008-7-23 21:04:43 | 显示全部楼层 来自: 中国上海
看了看样本,的确分四种。我在二楼回答的太想当然了。呵呵。不过的确没用过内排的顺序阀的。 p219.gif ' r6 _3 S  m8 ~8 l. D3 h5 k) T

# D0 c& n* T$ N3 h[ 本帖最后由 46792974 于 2008-7-24 07:11 编辑 ]

评分

参与人数 1三维币 +1 收起 理由
自流井 + 1 是不是抢沙发过快了?啊

查看全部评分

发表于 2008-7-24 09:03:05 | 显示全部楼层 来自: 中国河北唐山
这种阀的形式主要是通过内部的加工孔是否安装螺堵来实现的。
发表于 2008-7-24 12:00:39 | 显示全部楼层 来自: 中国上海
顺序阀只有用于背压控制的时候才能用内排的。当然这个时候用溢流阀也是可以的。用于顺控制时只能用外排的。5 v; s$ L) }9 \1 }) w) Y
顺序阀和溢流阀在功能上的确不太好区分的。要根据应用场合具体分析。所有情况下溢流阀都能用顺序阀代替,某些情况下顺序阀也可以用溢流阀代替的。
发表回复
您需要登录后才可以回帖 登录 | 注册

本版积分规则

Licensed Copyright © 2016-2020 http://www.3dportal.cn/ All Rights Reserved 京 ICP备13008828号

小黑屋|手机版|Archiver|三维网 ( 京ICP备2023026364号-1 )

快速回复 返回顶部 返回列表