QQ登录

只需一步,快速开始

登录 | 注册 | 找回密码

三维网

 找回密码
 注册

QQ登录

只需一步,快速开始

展开

通知     

全站
9天前
查看: 7034|回复: 19
收起左侧

[已解决] 怎么自定义填充图案啊!

[复制链接]
发表于 2008-7-23 14:27:11 | 显示全部楼层 |阅读模式 来自: 中国广东广州

马上注册,结识高手,享用更多资源,轻松玩转三维网社区。

您需要 登录 才可以下载或查看,没有帐号?注册

x
大家好,在CAD里面怎么设置
* v; g7 d& D% z$ I1 x& l才能够以自己绘制的图形用来填充呢?5 F% F9 D/ B0 M0 x. |
还请各位高手指点!!!谢谢!!
发表于 2008-7-23 14:45:28 | 显示全部楼层 来自: 中国山东济宁
CAD自定义填充图案添加方法
& d& g9 F3 u2 t4 \6 H# Y% }1、将自定义填充图案文件复制到CAD安装目录下的Support文件夹下,如:C:\Program Files\AutoCAD 2006\Support,在CAD中点击工具/选项/文件/打开支持文件搜索路径/添加/浏览/将路径它指向你的填充图案的文件夹 应用确定。重启CAD就应该可以用啦
% r: k5 s, }3 K% ~% w- Q2 u9 V5 l1 _7 J" Y9 {* k: d
2、打开CAD,输入填充命令“H”,选择自定义填充。9 ?. T3 }" P2 R/ |! r! k# c3 f

5 I; V+ o( N4 M& s' `
. ~; j5 U. Y  H- w
# i, o" t7 }. B0 a* P; @* K. d! Z3、选择好要填充的图案就可以进行填充了。" d7 ]. `' k7 H* L( s
- o* E2 q! B, ^: |
[ 本帖最后由 kshl1999 于 2008-7-23 14:47 编辑 ]

评分

参与人数 1三维币 +3 收起 理由
wsj249201 + 3 技术讨论

查看全部评分

发表于 2008-7-23 15:12:30 | 显示全部楼层 来自: 中国浙江宁波
填充图案不需要自己绘制的!2楼说的很对!H命令后会弹出窗口如图所示。一般金属选ANSI31图案,塑料用ANSI37图案。里面的角度、比例都是可调的!楼住慢慢摸索吧!摸索后你会有很多收获的!
8 P5 i. {3 n0 m; G( {' [8 Y5 P$ F/ x
[ 本帖最后由 gsyefeng 于 2008-7-23 15:15 编辑 ]
填充设置.gif

评分

参与人数 1三维币 +3 收起 理由
wsj249201 + 3 技术讨论

查看全部评分

发表于 2008-7-23 15:25:34 | 显示全部楼层 来自: 中国河南郑州
1.编写自定义填冲图案文件(符合自定义填冲图案文件格式)。
6 q- R  v3 H( X2.将编写好的文件添加到软件的pat格式文件(软件的程序文件)中,默认路径为:0 k+ g+ Y6 b: E
C:\Documents and Settings\XXXX(机器用户名)\Application Data\Autodesk\AutoCAD 2006\R16.2\chs\Support\acaciso.pat
7 X1 W5 p. T6 H. D3 m; t3.打开CAD,执行图案填冲命令,选择其它预定义填充。。。。。。。。。
5 d" o: {- S* L7 X文件格式:A,dx,dy,dl,ds
$ J  W( D. y4 p1 S, v6 x" p! f# G每行定义一条线段。
( J6 k% [1 [3 h0 c% O0 ~8 _ 11.JPG
  f4 w' F6 ~4 k$ }' q) ?: C  z
- q3 K" z2 W" n6 ]" v0 u" t例如:
, E( Y4 P! J$ f. V' L9 K. F*编织材料, Tangent$ }& z( N; R  V/ Y5 N
0,0,0,1,1,1.5,-0.5" L) Y3 ^4 k2 ~3 X) _
0,0,0.5,1,1,1.5,-0.5
+ x) R1 \: M) {/ r0 L* O90,0.5,0.5,1,1,1.5,-0.5
) v6 T. @' O0 m7 g90,1,0.5,1,1,1.5,-0.5
, R% x8 B- B7 R4 M* J4 x: L$ t0 k- V" ~ 22.JPG
' J' [' ?, O7 C8 U
' I6 R. r: w" w* u$ P[ 本帖最后由 wang2003 于 2008-7-23 15:45 编辑 ]

评分

参与人数 1三维币 +10 收起 理由
wsj249201 + 10 应助

查看全部评分

发表于 2008-7-23 16:58:20 | 显示全部楼层 来自: 中国浙江宁波
啊?4楼高手啊!看来我把楼主的意思理解错了!!呵呵!见谅!!!
/ n" D# }  m' q5 P+ y) T) h% k5 a0 Q, |0 i( a4 ?1 L9 N4 `
[ 本帖最后由 gsyefeng 于 2008-7-23 19:31 编辑 ]
发表于 2008-7-23 17:49:12 | 显示全部楼层 来自: 中国福建福州
4楼太强了,看到人都汗了!
 楼主| 发表于 2008-7-24 08:19:48 | 显示全部楼层 来自: 中国广东广州
有各位大哥的解说,小弟明白不少,希望能够与你们多多交流!
 楼主| 发表于 2008-7-24 08:40:04 | 显示全部楼层 来自: 中国广东广州
不过我按二楼的说法做了一次,怎么会看不到自[定义的图案啊!& e: E/ f" {2 C6 D* _6 W
我的做法是,先画个五角星,然后把文件(是不是DWG格式啊)保存在/CAD2004/SUPPORT。
- X" R$ ?, X4 s3 [( U* K再按二楼所说的设置的路径,重启之后还是没有啊,不知道怎么回事!
3 S6 r$ }3 A4 t0 P: M" E
, {, d, K8 X* ?5 {5 _3 v2 F还请二楼的大哥可不可以说详细点啊!
) u/ L0 M, t7 B/ F( [谢谢了!
发表于 2008-7-24 11:45:33 | 显示全部楼层 来自: 中国四川内江
学习了,四楼的方法还是第一次看到~
发表于 2008-7-24 16:58:29 | 显示全部楼层 来自: 中国青海西宁
四楼是超级高手哟 汗
发表于 2008-7-24 22:09:36 | 显示全部楼层 来自: 中国河南郑州
原帖由 suwenlong 于 2008-7-24 08:40 发表 http://www.3dportal.cn/discuz/images/common/back.gif
9 k+ b- X$ n' M' L% Z' D不过我按二楼的说法做了一次,怎么会看不到自[定义的图案啊!; U# N9 g% a; K8 A' H" ^
我的做法是,先画个五角星,然后把文件(是不是DWG格式啊)保存在/CAD2004/SUPPORT。" L) L& X, N% T% z0 A
再按二楼所说的设置的路径,重启之后还是没有啊,不知道怎么回事 ...

& p0 N. b! Y; s6 U, Z; V
9 c# G8 K. ]2 A) ]5 P- H. Y! X你那样做肯定是不行的。。填冲图案文件是有格式(pat)要求的。你如果不想把它添加到acadiso.pat文件中,也可以把它另存为pat格式的文件,然后通过二楼朋友所说的那种方法设置一下也可以。
1 H- R8 i" W& O; r1 s1 m" U- e; h+ ^& Z. }, P
楼上几位朋友可不能那么说呀,你们汗?俺都大汗淋漓了。。。。真的不要那么说,谢谢!
- m; @; _  D# i% ^2 F. d- T6 J
! ]' Q2 V4 p4 [3 E本打算帮楼主朋友做一个,无耐水平有限,有几条线不会定义了(可能是总图案位置摆放不对),在这儿借楼主贴子向朋友们求助了!!!!!!!!
0 j# w5 K5 L$ d" m( C. L; j9 L7 v- s" J4 M2 p/ t* T' `
*五角星
$ W5 P' m  K8 o0, 0, 0, 14.635254916, 10.633135104, 5, -24.270509831" \) e" z1 v' {0 y& \" R" _
0, 8.090169944, 0, 14.635254916, 10.633135104, 5, -24.270509831( z2 K% @6 P% i9 T  P
-36, 0, 0, 5.590169944, 17.204774006, 5, -13.090169944
. {& Q, C, A3 [% J, \6 H-36, 6.545084972, -4.755282581, 5.590169944, 17.204774006, 5, -13.090169944
; ?# M% N+ N5 _$ P1 k. T% F36, 2.5, -7.694208843, 12.5, 17.204774006, 5, -13.0901699449 [& g* k( |* }
36, 9.045084972, -2.938926261, 12.5, 17.204774006, 5, -13.090169944

五角星.rar

247 Bytes, 下载次数: 13

发表于 2008-7-24 22:14:24 | 显示全部楼层 来自: 中国安徽蚌埠
2#的方法  不能自己设定自己图形的填冲图案吧?  & V- ^5 G* N4 w1 Y' L3 P
填充图案应该象4楼那样 用记事本编辑成为.lsp应用程序才可以的
 楼主| 发表于 2008-7-25 09:25:47 | 显示全部楼层 来自: 中国广东广州
11楼的兄弟!
6 J, z& m& @2 j; c你那个五角星PAT格式的文件是怎么做的啊,用什么方法保存的呀!!我不知道怎么搞!
8 U) I, H. K% A5 p2 F+ c还望指点!!
发表于 2008-8-12 13:34:17 | 显示全部楼层 来自: 中国江苏常州
:lol: :lol: :lol:
发表于 2008-8-12 13:36:50 | 显示全部楼层 来自: 中国江苏常州
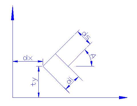
1: 每一个填充的类型说明如下:
" `3 R4 j( q& w3 W# @标题行: 6 @1 d6 y2 K% i4 f) b5 R
*pattern-name [, description]
# t+ ?: V  W5 a6 J' A3 V7 S! A9 U7 w
还包括一行或多行填充描述:
8 Q  }# Q( [& cangle, x-origin, y-origin, delta-x, delta-y [, dash-1, dash-2, ...]
: ^) {" B# D5 e' K: W" Y4 b; \3 W8 _- |
angle:绘制线的角度
8 v! Z2 X6 C4 V  Fx-origin, y-origin:每个线描述的插入基点。 . ]* e) Y" n7 [# W; B: h3 a9 J9 m
delta-x, delta-y:描述线的X和Y的偏移量。 - {, p6 j2 z+ L, R/ f
[, dash-1, dash-2, ...]:每条线描述的dash说明,相当于*.lin的描述内容。
/ d$ @/ M9 A% T+ ~3 b, j- T
$ J5 E' y/ w. g关于*.lin的说明: ! K" o- W: X' I9 a& f0 _8 a
零:为画点(point);
! N  T0 J3 {& x" f. o' G( D5 V( M正数:为画线(lineto); " y" b  }' \1 C, E7 U- y. n
负数:为空画线(moveto)。
  o, p9 K& q  P+ H- ?9 _% Q$ d8 S5 ?' U
2: 用记事本编辑,储存为PAT文件。COPY到AUTOCAD目录内SUPPORT子目录即可
发表于 2008-8-12 13:56:34 | 显示全部楼层 来自: 中国山东济南
真的是不錯的珍貴的東西,之前對這方面的知識真的很少,現在可以好好來學習了。
发表于 2008-8-12 14:16:24 | 显示全部楼层 来自: 中国四川内江
没想到填充也这么多讲究,学习啦~
发表于 2008-8-15 13:27:46 | 显示全部楼层 来自: 中国天津
强人,正想问这个问题呢,谢谢了good
 楼主| 发表于 2008-8-15 15:56:48 | 显示全部楼层 来自: 中国广东广州
2: 用记事本编辑,储存为PAT文件。COPY到AUTOCAD目录内SUPPORT子目录即可1 Q/ G! D0 }( x, d
6 [4 ?0 m" E% h
( q: f3 X. g4 U9 T: W
这位大侠,用记事本怎么保存为PAT格式啊!& v" N) A  i9 t
还望指点!!!
发表于 2013-3-31 14:19:45 | 显示全部楼层 来自: 中国湖北武汉
各位神人啊,自带的就觉得够用了,还要自定义的么
发表回复
您需要登录后才可以回帖 登录 | 注册

本版积分规则


Licensed Copyright © 2016-2020 http://www.3dportal.cn/ All Rights Reserved 京 ICP备13008828号

小黑屋|手机版|Archiver|三维网 ( 京ICP备2023026364号-1 )

快速回复 返回顶部 返回列表