QQ登录

只需一步,快速开始

登录 | 注册 | 找回密码

三维网

 找回密码
 注册

QQ登录

只需一步,快速开始

展开

通知     

查看: 1530|回复: 5
收起左侧

[讨论] 川崎M3B马达变量原理

[复制链接]
发表于 2008-7-24 23:56:03 | 显示全部楼层 |阅读模式 来自: 中国上海

马上注册,结识高手,享用更多资源,轻松玩转三维网社区。

您需要 登录 才可以下载或查看,没有帐号?注册

x
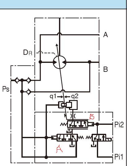
首先我先说下+ k' ~: u( [/ H" G) ?- ?  X
1, Ps口为外加的变量控制油口,A B口压力均小于该口压力时,该口起作用,作为变量柱塞的工作油8 E% @! `6 g+ w0 F2 B5 V5 l+ j; Y
2,Pi口取自手柄,作为变量伺服阀(B阀)阀芯的位置的输入信号,应该是在负载压力一定的情况下,一个Pi压力对应一个排量。
9 r1 A9 R0 d  b/ X& h; \7 j3,A阀为压力切断阀,平时在右位工作。
1 m+ m- M1 i0 ~1 P7 g, k
, t0 _9 Y8 C$ C, h我的问题是:
" P6 }' P9 i1 P& X! G! x1,如果负载一定,则每个pi对应一个阀芯位置,对应一个变量柱塞位置,从而通过拨叉对应一个阀套位置,稳态工作时,阀应该是中位工作,即阀套应该跟随阀芯平衡在中位。只有在调整过程中才是左右位工作。; w, A$ {+ V5 B* Y0 r- J
但是我没有顺通,比如负载一定的情况下,pi增大,使B阀芯左移,柱塞大腔压力升高,柱塞左移,排量减小,带动拨叉,拨叉有铰点,使阀套右移,这显然无法使B阀稳定在中位。应该是阀芯左移最后阀套也左移才可以稳定。
9 h! m3 g- M1 {' M9 |/ @% w' P, W/ g# r1 N
2,pi一定的情况下,负载压力升高,如果B阀在右位工作,则重复上述过程,还将是不能达到平衡。如果B阀在左位工作,则B阀随着负载压力升高而排量增大。不知是怎样的过程,哪位给解释下。
川崎马达.jpg

评分

参与人数 1三维币 +5 收起 理由
晨砂 + 5 开展技术讨论!

查看全部评分

发表于 2008-7-25 08:34:57 | 显示全部楼层 来自: 中国江苏无锡
那个变量控制缸小缸不是接了负载腔A,B,可以感应到负载的压力!要是负载压力大或小的时候在此会与大缸的油压发生力平衡!从而是伺服阀B在稳态的工作状态!

评分

参与人数 1三维币 +3 收起 理由
晨砂 + 3 技术讨论

查看全部评分

 楼主| 发表于 2008-7-26 01:03:20 | 显示全部楼层 来自: 中国上海
大家都知道是平衡的,不平衡是无法工作的,小腔是通AB或者PS的,但是大腔压力是受阀控制的,怎样变化的,是怎样平衡的,过程是怎样的,怎么顺通,而不是笼统的讲就是平衡的
发表于 2008-7-26 07:42:45 | 显示全部楼层 来自: 中国四川宜宾
从图中来看,是动平衡的,通过作用于阀B的控制压力的大小,阀B的回油是渐渐地关闭,从而有部分油液回油,使两端的作用力相等。
 楼主| 发表于 2008-7-26 14:31:34 | 显示全部楼层 来自: 中国上海
四楼的你误解了% ~) o" n  ^9 X$ |  X
我认为图中只是的左位工作只是一个动态的过程,最终一定要平衡在中位
2 L% O  ~, i7 Z- ^而且是由于变量柱塞的移动带动阀套跟着阀芯走,最终跟到中位平衡
 楼主| 发表于 2008-7-27 23:23:24 | 显示全部楼层 来自: 中国上海
难道就没有其他人使用川崎的马达吗
发表回复
您需要登录后才可以回帖 登录 | 注册

本版积分规则


Licensed Copyright © 2016-2020 http://www.3dportal.cn/ All Rights Reserved 京 ICP备13008828号

小黑屋|手机版|Archiver|三维网 ( 京ICP备2023026364号-1 )

快速回复 返回顶部 返回列表