QQ登录

只需一步,快速开始

登录 | 注册 | 找回密码

三维网

 找回密码
 注册

QQ登录

只需一步,快速开始

展开

通知     

查看: 2299|回复: 8
收起左侧

[分享] 一个建议:有关学习Automation Studio 的建议

[复制链接]
发表于 2008-7-30 16:46:27 | 显示全部楼层 |阅读模式 来自: 中国河北唐山

马上注册,结识高手,享用更多资源,轻松玩转三维网社区。

您需要 登录 才可以下载或查看,没有帐号?注册

x
学习Automation Studio 最大的障碍大概在于学习资料的匮乏。论坛里有许多对该软件感兴趣的朋友,其中不乏经验丰富者。通过交流学习定能帮助大家更好地领悟该软件。有一个小小建议,不知是否可行:
8 X' R* n: h5 h6 S6 w8 h3 \1.分享学习资料。
& }6 D# ]+ L+ D: K2.分享学习经验。- z. z- z+ \+ k. W3 d, c
3.轮流出题。出题者提供液压系统原理图和相关资料。自愿做题。过程中出现的问题可以及时交流。
. a( k) w+ h, ^6 R4.可以建立一个专用的诸如QQ群的交流空间。
发表于 2008-7-31 14:15:52 | 显示全部楼层 来自: 中国江苏苏州
是不是开一个液压仿真专区更好?现在不少人开始用仿真软件了,开个专区交流更方便。论坛上讨论过的东西可以再来搜索作为参考。群里讨论完就没了。
 楼主| 发表于 2008-8-1 08:14:31 | 显示全部楼层 来自: 中国河北唐山
原帖由 46792974 于 2008-7-31 14:15 发表 http://www.3dportal.cn/discuz/images/common/back.gif+ @  u) Z. f) H8 }, E
是不是开一个液压仿真专区更好?现在不少人开始用仿真软件了,开个专区交流更方便。论坛上讨论过的东西可以再来搜索作为参考。群里讨论完就没了。

4 `5 b: g- z- C' _, M& G9 w- i我觉得这样也行,主要增加交流。
发表于 2008-8-1 09:34:38 | 显示全部楼层 来自: 中国浙江杭州
原帖由 tudou198423 于 2008-7-30 16:46 发表 http://www.3dportal.cn/discuz/images/common/back.gif
. u; |& f* i* D: K  @* _5 B学习Automation Studio 最大的障碍大概在于学习资料的匮乏。论坛里有许多对该软件感兴趣的朋友,其中不乏经验丰富者。通过交流学习定能帮助大家更好地领悟该软件。有一个小小建议,不知是否可行:) z' \# H$ k9 N# e% y* W& C1 N
1.分享学习资料。 ...

! l; O; |. R! t7 {6 H非常赞成楼主的建议,现在用Automation Studio基本上靠其自带的说明档,但是感觉说明档还是写得比较简单,很多内容都没有深入进去。根据这个软件的简介我认为还有很多功能我们都没有用,希望大家能够群策群力一起提高、进步。
 楼主| 发表于 2008-8-1 10:08:21 | 显示全部楼层 来自: 中国河北唐山
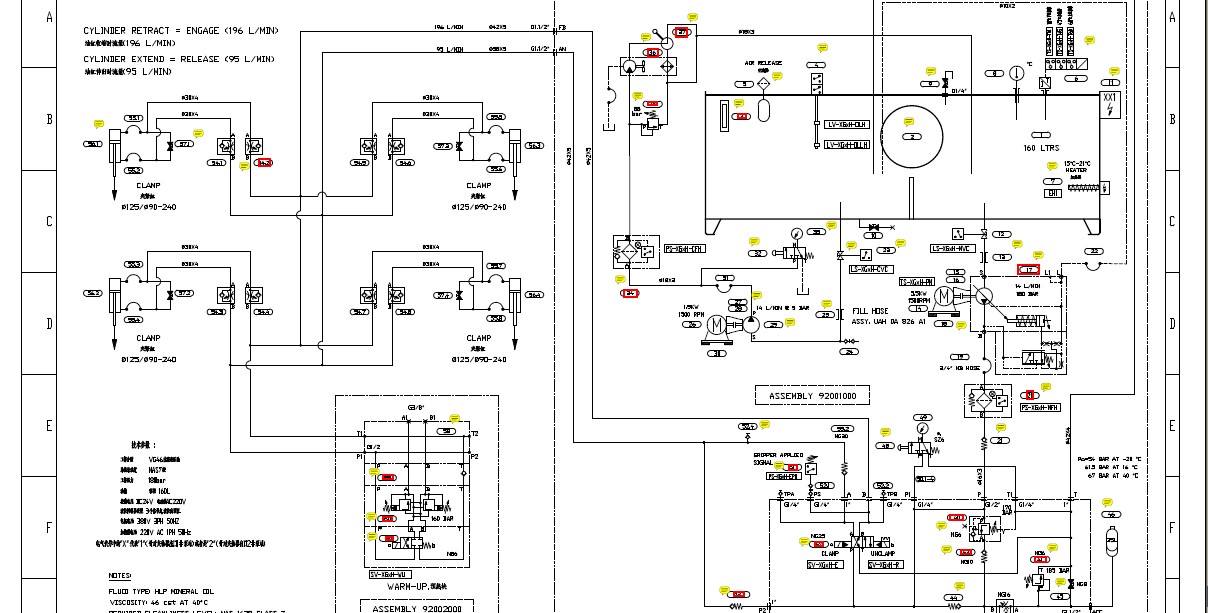
我先出个吧,下面是一个相对比较简单的液压系统。针对系统做了简单编辑,可以看到大部分元件型号。
Adobe Acrobat Professional - [9200Y001-B.jpg

9200Y001-B.pdf

303.12 KB, 下载次数: 37

发表于 2008-8-1 12:16:11 | 显示全部楼层 来自: 中国陕西咸阳
这个想法好,我赞同。谢谢
发表于 2008-8-1 14:51:15 | 显示全部楼层 来自: 中国江苏苏州
原帖由 tudou198423 于 2008-8-1 10:08 发表 http://www.3dportal.cn/discuz/images/common/back.gif
. T( D6 L/ v1 ^1 ^7 P. T: G) B) P我先出个吧,下面是一个相对比较简单的液压系统。针对系统做了简单编辑,可以看到大部分元件型号。
叠加阀是不是可以做专门的元件库?怎么做?
 楼主| 发表于 2008-8-1 15:08:44 | 显示全部楼层 来自: 中国河北唐山
原帖由 46792974 于 2008-8-1 14:51 发表 http://www.3dportal.cn/discuz/images/common/back.gif
  ^& b& w0 ~) b0 q0 F叠加阀是不是可以做专门的元件库?怎么做?

' b% r) d8 h6 Z我觉得叠加阀可以不做元件库,只要性能上相通就可以替代使用。大家可以继续发表意见
发表于 2008-8-2 23:18:17 | 显示全部楼层 来自: 中国台湾
油壓的資料庫較不足…8 c5 w1 C9 ^7 B' N" z
目前有用這個在做基礎的教學…
- z8 m4 ?2 M& `% f$ d% N7 d; ]覺得很不錯…但…就是有些圖庫少了一些,; s( A/ @0 m6 O% \# `0 O' i
聽說可以自設…但我不會用…; k3 s/ H5 u/ O: y/ n# y
不知道有沒有大大能分享一下
发表回复
您需要登录后才可以回帖 登录 | 注册

本版积分规则


Licensed Copyright © 2016-2020 http://www.3dportal.cn/ All Rights Reserved 京 ICP备13008828号

小黑屋|手机版|Archiver|三维网 ( 京ICP备2023026364号-1 )

快速回复 返回顶部 返回列表