QQ登录

只需一步,快速开始

登录 | 注册 | 找回密码

三维网

 找回密码
 注册

QQ登录

只需一步,快速开始

展开

通知     

全站
2天前
查看: 4028|回复: 18
收起左侧

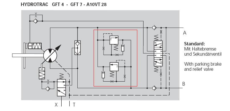
[求助] 力士乐GFT减速机原理图有看不懂的地方

[复制链接]
发表于 2008-8-5 09:27:34 | 显示全部楼层 |阅读模式 来自: 中国浙江杭州

马上注册,结识高手,享用更多资源,轻松玩转三维网社区。

您需要 登录 才可以下载或查看,没有帐号?注册

x
图中画红框部分是什么阀啊?是什么原理?
未命名1.JPG

评分

参与人数 1三维币 +1 收起 理由
自流井 + 1 对力士乐着迷了吗?

查看全部评分

发表于 2008-8-5 09:47:44 | 显示全部楼层 来自: 中国北京
因为是双向变量液压马达,这个阀好像是双向平衡的。
发表于 2008-8-5 10:52:14 | 显示全部楼层 来自: 中国浙江宁波
双向缓冲过载阀,减小启动和停止时的冲击,工作时起过载保护作用;纯粹过载阀启动时压力曲线是先高然后降低至正常工作压力,缓冲过载阀则是先低然后逐步提高至工作压力,这样在启动和停止时可以实现平稳启动和停止;# O/ Q+ X8 h4 n4 h$ ~# @; E- c3 J; v+ _
原理图上下面阀的才是双向平衡阀;
; u% h( Z; f0 h& P! @: D; m+ d- M2 d5 s9 W
[ 本帖最后由 sealive_leafage 于 2008-8-5 10:54 编辑 ]

评分

参与人数 1三维币 +6 收起 理由
自流井 + 6 应助

查看全部评分

 楼主| 发表于 2008-8-5 12:35:22 | 显示全部楼层 来自: 中国浙江杭州
红框里面那两个像液压缸的是什么东西?
发表于 2008-8-5 14:06:19 | 显示全部楼层 来自: 中国浙江宁波
4#% H6 o; v- N& D. Y
红框里面那两个像液压缸的是什么东西?
0 p! M0 E9 Y# D; A0 e0 e  k+ d; f- v. q. h" o0 V' ~
这是缓冲过载阀最重要的缓冲感应部分.由它来控制缓冲的时间及压力.

评分

参与人数 1三维币 +2 收起 理由
自流井 + 2 真强

查看全部评分

 楼主| 发表于 2008-8-5 14:47:42 | 显示全部楼层 来自: 中国浙江杭州
我明白了,谢谢大家伙
发表于 2008-8-6 20:09:34 | 显示全部楼层 来自: 中国四川绵阳
原帖由 mickey_yanjx 于 2008-8-5 14:06 发表 http://www.3dportal.cn/discuz/images/common/back.gif
" L0 o0 P' F  }1 _7 J4#$ G) L) r. ?: ]6 a# {2 K1 z( }5 ]/ J4 w
红框里面那两个像液压缸的是什么东西?9 T5 ?0 x( @/ f; D$ ~& i
# o! R" j- f$ H+ W
这是缓冲过载阀最重要的缓冲感应部分.由它来控制缓冲的时间及压力.
  g& u/ H% l* }- m

% y- y$ Q, v/ Z. C这个应是关键的地方,可力士乐做的就是保密了
发表于 2008-8-6 20:56:06 | 显示全部楼层 来自: 中国浙江宁波
就是缓冲过载阀。油缸一样的东西就是二次压力控制,快动时,压力油来不及进入你们所谓的油缸,低压过载打开,慢动时,通过节流小孔,压力油进入你们所谓的油缸,开启压力增大,高压过载。
发表于 2008-8-7 16:53:07 | 显示全部楼层 来自: 中国山东济南
又学了不少哈
% Q& H; R( a- ?7 W3 {力士乐的东西还真多哈
发表于 2008-10-16 11:44:41 | 显示全部楼层 来自: 中国山东济南
力士乐的马达见过不少,怎么没见有油缸的,第一次见,谢谢讲解,真是学知识了。
发表于 2008-10-17 12:52:30 | 显示全部楼层 来自: 中国安徽马鞍山
:lol: :lol:
* x. s# F8 g$ p$ J( V. f标准的两级户射式缓冲阀,也称软启动阀
- P8 d" s1 p' M8 ?目的是较小起动制动时的压力冲击( B3 @, l; J* w( P7 c0 B+ a
具体原理是,把启动时的阶跃负载转化为两个平台信号,图中的节流口和小柱塞控制时间可压力
/ E# A0 }5 e1 Q) t8 z% o挖掘机回转、行走一般都市这样的控制9 q8 Z9 G* T# c9 L) D, Y$ J
相关的结构原理介绍的文章也 很多
发表于 2008-10-17 19:38:18 | 显示全部楼层 来自: 中国广东广州
sunring2k解说得很对,这并不是什么新技术了,力士乐90年代就有了.
发表于 2008-10-17 21:57:30 | 显示全部楼层 来自: 中国广西贺州
启动缓冲以及制动缓冲
发表于 2008-10-17 22:26:05 | 显示全部楼层 来自: 中国重庆
向大家学习!
发表于 2008-10-22 20:25:10 | 显示全部楼层 来自: 中国湖南长沙
学习 学习 第一次看到这样的东东
发表于 2008-10-22 20:26:00 | 显示全部楼层 来自: 中国湖南长沙
学习 学习 第一次看到这样的东东
发表于 2008-10-23 11:01:02 | 显示全部楼层 来自: 中国北京
出来学习一下吧,液压系统故障诊断和维修技术培训班* Z7 x! `1 ~/ x1 C" M
一、时间  2008年11月28日—12月1日,27日全天报到。
' d5 M. ?0 o9 \( k$ [二、地点  贵阳
* N3 p$ }$ I! h: Z三、培训内容( S$ Q5 S5 W$ `* a/ P( `9 |" H
第1章  液压回路
  g0 @4 v; {  H/ e8 m/ ^+ |1  压力控制回路! v3 a/ M6 e- g4 r% ~/ h
2  速度控制回路
, S8 ~1 a  f) \7 l1 |' m! E/ \( x3  方向控制回路$ q- x$ N) ~# Z4 ]  t& v
第2章  液压系统常见故障及排除与改进2 W4 u" v, g9 T8 b! t
1  压力失控问题及排除
) P7 b. h: d) h, W0 X  o, s# a1 n9 P2  速度失控问题及排除
  c3 E. a$ V+ c* S3  动作失控问题及排除
9 F  P- ?4 \7 W& k# }5 G1 k; p% J4  温度升高异常问题及排除7 ?# z$ V3 t7 O  S
5  振动与噪声问题及排除( U3 {3 [! K7 `- B! ~
6  液压泵故障诊断与排除(包括变量泵的使用维修)3 r9 t. e% w. `9 Z& [
7  液压阀故障诊断与排除(包括伺服阀与比例阀的使用维修)
+ i! ?% |' I+ S% C' v/ |/ p3 c8  液压缸故障诊断与排除
- K& ?/ V/ |( f. ]* K( h9  液压马达故障诊断与排除; L7 h( {$ O! a4 w' e! E, N. m
10 液压辅件故障诊断与排除. S1 a: j2 @% E! V* K$ n
第3章  泄漏的诊断与防治
% P. \, j9 ?. Q1  密封失效分析
6 Z& \; ?2 @* ]  X, ^! o2  消除泄漏的改进措施 2 \3 v; h+ H0 O0 B+ f! ^$ k& v
第4章  液压元件与系统的测试
0 _8 l5 E  [9 x1  通过观察测试判断液压装置的状态
" q9 _( J2 w2 o& q2  通过现场实验判断液压元件的状态5 _) v+ ]$ G# w# w
3  液压元件拆卸分解及诊断
+ [" |3 k- J- W% `- a第5章  液压检测装置及参数测量诊断法
- w; x( \# o4 R- F! G' U1  液压系统故障现场快速诊断仪器6 B# [% Q) L- G3 S. ~! _7 h8 p
2  简易数字液压检测仪及应用# E/ X) [6 I# ~/ k* j; S( H9 R
3  综合型参数检测装置用于液压故障诊断
  s! X8 G" C$ D2 W/ A$ ]第6章  液压故障诊断的策略与技巧4 B( Z$ T* T4 \4 `3 ^: s8 ?! W
1  找出故障的特征信息: Q/ S2 U2 X7 ~3 }) `( D+ w5 E
2  设定故障检测的先后次序
1 j0 ]. Q+ @" |3  积极假设,严谨验证1 a$ m; ~$ V0 q( S& |
4  化整为零 层层深入- y: {+ [2 m- m, I
5  聚零为整 综合评判: H. d3 a2 T6 d/ Q" {( \; X
6  抓住关键,顺藤摸瓜
# }/ p9 q6 Z1 c& B, X4 C7  相似类比,触类旁通
9 C* U: W! ^; O, ?2 R0 u  c第7章   液压系统安装调试, |  o4 K# g4 |
1  液压设备的安装
" ]2 A$ p, k: a% s: S' |3 S/ a2  液压系统的清洗
+ `5 ~5 O0 ?& L% n8 a' n2 p0 e3 N3  液压系统的调试6 I; K1 ~3 E2 J
第8章  液压系统维护与管理! V: C0 f0 w* ^2 o3 m$ F
1  液压系统日常检查
* k% C& u5 f0 K) j9 a' u2  液压系统维护
" [2 V' a. E9 [  |3  液压系统污染的防治
1 ?1 s. w5 o! E) q- h( o, ]第9章  液压故障诊断与排除实训课堂练习(模拟现场实际问题分析与处理)' D( V! P3 O5 [7 d7 Q: t: X
1  液压元件故障诊断与排除实训8 V5 U, A/ i% r( E$ }
2  液压系统故障诊断与排除实训& S" M  f, I) o# M: a
第10章  学员实际疑难问题解答与交流(学员可将有关图纸资料带来)
# ^) O- l" r/ Y6 ]3 N四、培训专家& R2 X' U6 n& a  I: U2 }2 G5 Z* ~0 f
      黄志坚: 工学博士;现任广东工业大学教授,硕士生导师,广东省液压气动学会理事,广东省维修学会理事,中国机械工程学会流体传动分会液压委员会委员,著有《液压设备故障分析与技术改进》、《液压设备故障诊断与监测实用技术》等10多部著作,在国内作了几十场液压技术培训,受到广大学员普遍好评。   
. X, e+ s- e( S; Y: {1 T五、培训对象
* J$ C" s2 A" g" ^' ~    1.主管设备和生产的企业管理人员;* S- ^- C* @4 e3 t
    2.设备维护维修工作的液压、机械工程师;/ U8 R. e7 G3 m. w+ V
    3.设备管理工程师,设备点检工程师,设备检测诊断工程师;
) L0 U, M; P9 X& y' \1 r, r% ^    4.液压设备使用和维修技师或技术骨干;) ~  Z! u2 P7 Y! s5 @% \7 D) _" [3 b
    5. 设备维修、油品采购相关业务人员。/ W; Z5 ~- S/ @7 j
六、培训费用: 1650元/人  (食宿统一安排,住宿费自理) % o; O& n/ k% k, g2 Q  W0 F) ^
七、联系方式   中企设协(北京)服务中心设备管理事业部: X" g* A- i  u9 Y
电  话:010-51702521                        传 真:010-51702519
' T- H+ t  @$ `5 V" O联系人:刘立国                             E-mail:huiwu2010@163.com
发表于 2008-10-23 17:01:09 | 显示全部楼层 来自: 中国北京

学习

11楼解释很好啦。我也赞同此观点
发表于 2008-10-23 17:02:59 | 显示全部楼层 来自: 中国北京
11楼解释很好啦。我也赞同此观点
发表回复
您需要登录后才可以回帖 登录 | 注册

本版积分规则

Licensed Copyright © 2016-2020 http://www.3dportal.cn/ All Rights Reserved 京 ICP备13008828号

小黑屋|手机版|Archiver|三维网 ( 京ICP备2023026364号-1 )

快速回复 返回顶部 返回列表