QQ登录

只需一步,快速开始

登录 | 注册 | 找回密码

三维网

 找回密码
 注册

QQ登录

只需一步,快速开始

展开

通知     

查看: 1835|回复: 11
收起左侧

[求助] 压力为7MPa,流量为22L/min的电磁阀?

[复制链接]
发表于 2008-8-5 09:39:44 | 显示全部楼层 |阅读模式 来自: 中国四川宜宾

马上注册,结识高手,享用更多资源,轻松玩转三维网社区。

您需要 登录 才可以下载或查看,没有帐号?注册

x
工作压力为4MPa,流量为20L/min的电磁阀,二位三通的,共三个电磁阀,有叠加在一起的电磁阀组吗?哪个公司有卖的,我在网上查不到呢?
0 \+ j2 K7 }3 H9 ^6 i$ z, h& d' t. z2 s7 |5 B" o
先谢了!
发表于 2008-8-5 10:22:26 | 显示全部楼层 来自: 中国四川成都
叠加阀的方向控制阀中只有单向阀和单液控单向阀,没有电磁换向阀。华德的3WE6系列板式电磁换向阀能满足你的压力和流量要求。

评分

参与人数 1三维币 +1 收起 理由
自流井 + 1 应助

查看全部评分

发表于 2008-8-5 14:14:50 | 显示全部楼层 来自: 中国浙江宁波
华德的3WE6,还有m-SEW6电磁球阀也可以用.
/ n( @. t& t, Y# A( j& }$ H3 L1 A另外有很多公司的螺纹插装式的电磁换向阀也可以达到你的要求.
9 Q, n! c! h; \. @! V* o, i- K: g4 s
最好把你的系统原理图传上来,大家给你一个参考方案

评分

参与人数 1三维币 +2 收起 理由
自流井 + 2 应助

查看全部评分

发表于 2008-8-5 14:40:47 | 显示全部楼层 来自: 中国北京
原帖由 jiangdao350 于 2008-8-5 09:39 发表 http://www.3dportal.cn/discuz/images/common/back.gif
/ D+ D5 ]( h" P5 K7 ~工作压力为4MPa,流量为20L/min的电磁阀,二位三通的,共三个电磁阀,有叠加在一起的电磁阀组吗?哪个公司有卖的,我在网上查不到呢?4 |0 i8 m" {* }# u% x

; R) B- d/ x) T2 U先谢了!
9 I! B+ \! Z  `; [. \
是3个叠加在一起的电磁阀么?
头像被屏蔽
发表于 2008-8-5 17:35:17 | 显示全部楼层 来自: 中国广东广州
提示: 作者被禁止或删除 内容自动屏蔽
 楼主| 发表于 2008-8-9 09:24:39 | 显示全部楼层 来自: 中国四川宜宾
就是叠加在一起的,螺纹插装式的电磁换向阀是可以满足,我看了价格还是比较贵的
发表于 2008-8-10 10:48:25 | 显示全部楼层 来自: 中国江苏苏州
你上一个原理,让大家知道你需要什么样的功能。否则没法讨论。
 楼主| 发表于 2008-8-10 21:46:45 | 显示全部楼层 来自: 中国四川宜宾
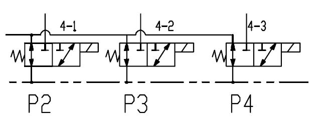
这是原理图,请大家参考讨论
原理图.JPG
发表于 2008-8-10 21:55:01 | 显示全部楼层 来自: 中国北京
给我的感觉你的原理图不大对.  Y4 W2 ~9 w" H$ w2 c7 Z
呵呵,只是猜测.
0 g7 l) i2 f, r0 _- e# S像这种阀组自己做个块就解决问题了.
发表于 2008-8-11 13:13:54 | 显示全部楼层 来自: 中国河南郑州
原帖由 jiangdao350 于 2008-8-9 09:24 发表 http://www.3dportal.cn/discuz/images/common/back.gif8 {9 @  |7 }, n7 j2 Y! {
就是叠加在一起的,螺纹插装式的电磁换向阀是可以满足,我看了价格还是比较贵的

1 b! d! K6 i+ Z, R6 `4 T0 ]# P; J' r1 k. f5 [4 [! d' O
看来只是成本的问题了,1 f) R7 w; P8 I7 _( u5 F1 r, A
那就跟 榆次  华德 立新联系一下看,估计应该比进口的便宜
发表于 2008-8-11 19:33:29 | 显示全部楼层 来自: 中国江苏苏州
没标注PTAB,不知道具体油口的定义。不过4MPA的压力用普通的4WE6D的电磁阀就能实现。这么低的压力T口可以封死的。
发表于 2008-8-11 19:37:45 | 显示全部楼层 来自: 中国浙江杭州
看到过3个电磁阀装一起的,不知道是不是算叠加
发表回复
您需要登录后才可以回帖 登录 | 注册

本版积分规则


Licensed Copyright © 2016-2020 http://www.3dportal.cn/ All Rights Reserved 京 ICP备13008828号

小黑屋|手机版|Archiver|三维网 ( 京ICP备2023026364号-1 )

快速回复 返回顶部 返回列表