QQ登录

只需一步,快速开始

登录 | 注册 | 找回密码

三维网

 找回密码
 注册

QQ登录

只需一步,快速开始

展开

通知     

全站
8天前
查看: 2900|回复: 21
收起左侧

[讨论结束] 本地和远方启停功能,热继电器保护电路谁有?

 关闭 [复制链接]
发表于 2008-8-6 07:59:18 | 显示全部楼层 |阅读模式 来自: 中国浙江杭州

马上注册,结识高手,享用更多资源,轻松玩转三维网社区。

您需要 登录 才可以下载或查看,没有帐号?注册

x
现在有3路C65N-63A/3P的空开,要求带本地和远方启停功能、热继电器保护,这样的电路谁有?
4 n* V7 W* f" I6 p6 _
  s0 `( c8 M% J: _这方面小弟刚刚涉及到啊,希望能人告知啊,谢谢先了啊
发表于 2008-8-6 11:20:30 | 显示全部楼层 来自: 中国吉林长春
找一本电工书看看吧,太基础的东西了
 楼主| 发表于 2008-8-6 23:39:50 | 显示全部楼层 来自: 中国浙江杭州
就本地的我知道啊,可是
( Z2 y. K% j( [! f/ f5 o! E! w& z
2 Z. X2 `0 H' ~; J  }2 z本地和远方启停功能,又要本地,又要远方,这样的电路我没找到啊,所以来问问啊,谁有的话的给个好不?
4 }- H& A  I! d, B. z4 h" `2 a8 I: R! R2 w2 `4 ?6 p
谢谢先了啊
发表于 2008-8-7 11:01:30 | 显示全部楼层 来自: 中国吉林长春
你帖中所述断路器,作为终端配电电器,需要直接手动操作断路器来控制负载设备的开停。所以它只能用于就地控制。如果需要具有远方控制,则必须使用具有自动切换功能的电磁器件,如:接触器、继电器等。
 楼主| 发表于 2008-8-7 11:35:17 | 显示全部楼层 来自: 中国浙江杭州
原帖由 pangpang 于 2008-8-7 11:01 发表 http://www.3dportal.cn/discuz/images/common/back.gif1 A0 Q1 [' t" o  b- n
你帖中所述断路器,作为终端配电电器,需要直接手动操作断路器来控制负载设备的开停。所以它只能用于就地控制。如果需要具有远方控制,则必须使用具有自动切换功能的电磁器件,如:接触器、继电器等。
0 W) O- t# G: L! b- ?8 J% O7 ]. R

1 |4 _8 W  d9 x% I0 e) }/ D是的啊,是要加接触器、继电器等的,可是要实现如下功能:6 B* R# V% ^4 p: |) g- h
1、盘面手、自动切换;2、就地手动起停;3、远程控制起停;- \9 z6 X5 b& U% D2 p# d
应该怎么实现啊,有人知道吗?最好能给我一个接线电路图啊,非常感谢啊
+ l: A; f4 U0 ~9 V# N, I% s. |. b7 ?% z( \8 l- n$ _3 I' Z
[ 本帖最后由 fly_slayer 于 2008-8-7 11:37 编辑 ]
发表于 2008-8-7 15:13:39 | 显示全部楼层 来自: 中国山东潍坊
原帖由 fly_slayer 于 2008-8-7 11:35 发表 http://www.3dportal.cn/discuz/images/common/back.gif
0 u! h0 I- H" V. @+ e# @8 I6 W' ?. a7 V2 w0 |

; J+ P( [8 p0 e是的啊,是要加接触器、继电器等的,可是要实现如下功能:8 [  z! z1 C8 D/ S% t
1、盘面手、自动切换;2、就地手动起停;3、远程控制起停;
# M" W- c7 A4 _3 t8 y应该怎么实现啊,有人知道吗?最好能给我一个接线电路图啊,非常感谢啊

4 g$ ^  P* b! C3 v盘面手动,自动切换做什么用?难道是热继电器手动,自动复位切换?
* i, k1 X6 L7 k( S; N无非就是个异地控制电路嘛~!
发表于 2008-8-7 18:05:40 | 显示全部楼层 来自: 中国吉林长春
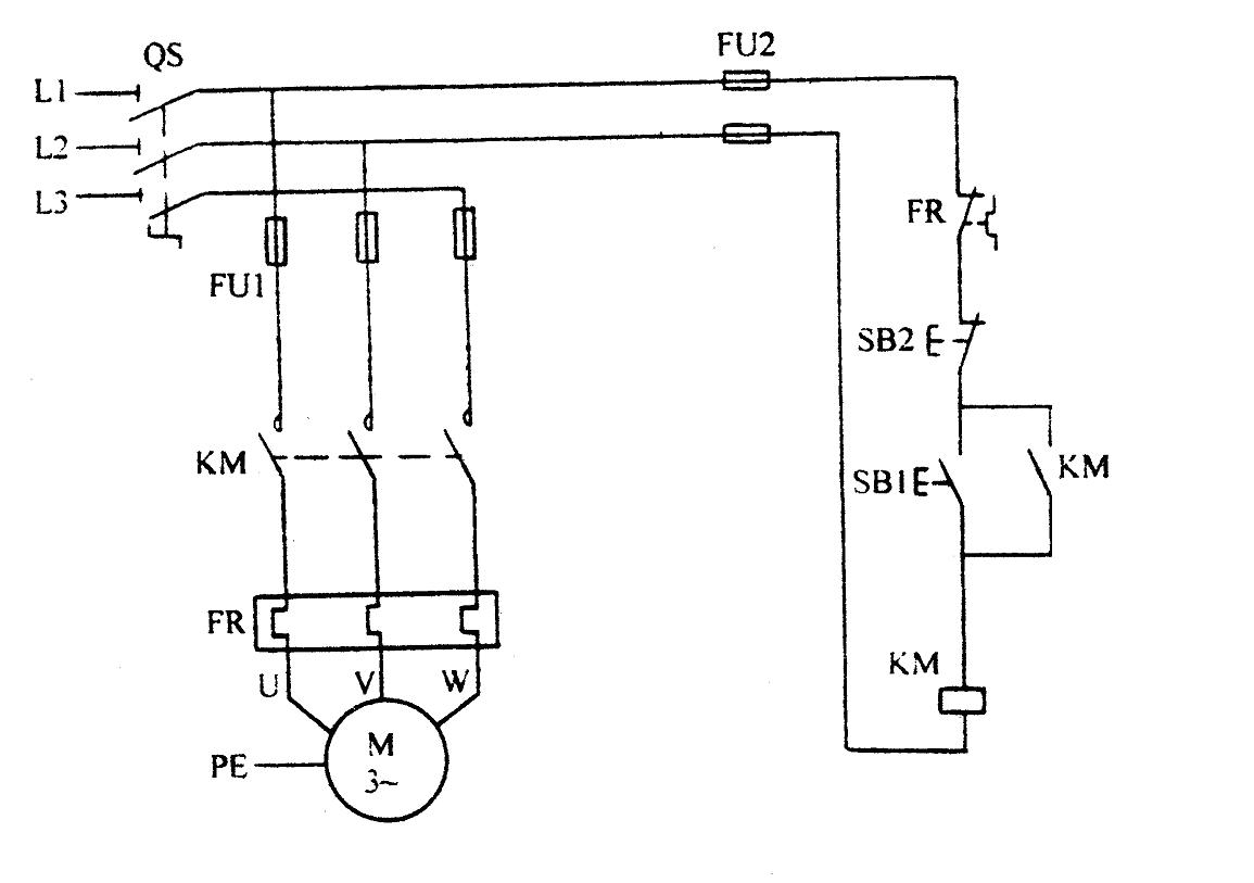
这是从某技校教材中扫描下来的一个电路。这个电路可称得上是一个典型的基础电路。如果要实现多地控制,只要把各地的启动按钮并接、停止按钮串接就可以实现,此处不另画出。
图.JPG
 楼主| 发表于 2008-8-8 12:45:33 | 显示全部楼层 来自: 中国浙江杭州
谢谢了啊 真的好感谢哦
 楼主| 发表于 2008-8-8 13:04:56 | 显示全部楼层 来自: 中国浙江杭州
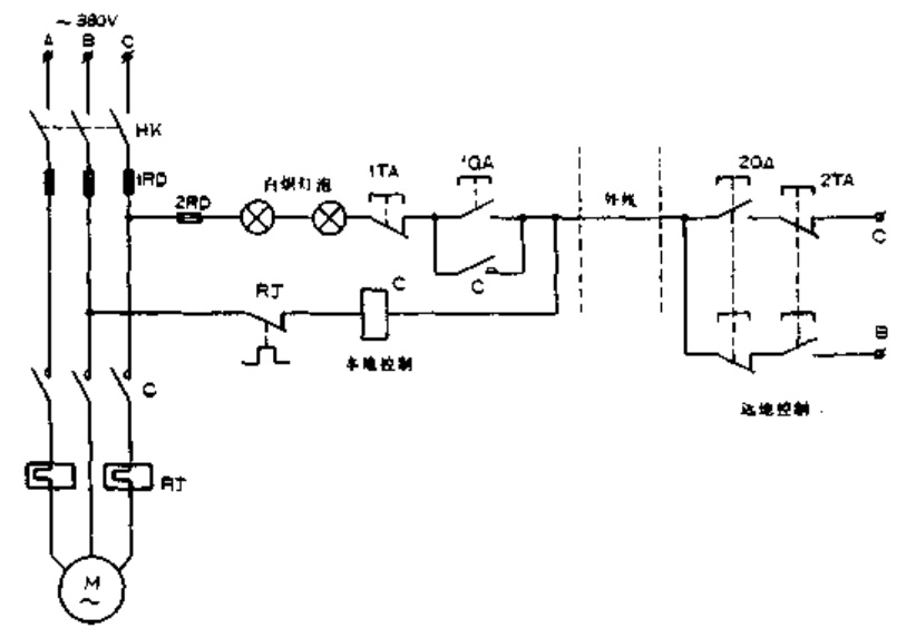
非常感谢大家的帮忙哦,我找了一本书看到了这个图,不过有个问题问一下,图中的两个灯具体拿来什么用的啊?
单线远程控制.jpg
发表于 2008-8-9 08:16:15 | 显示全部楼层 来自: 中国黑龙江哈尔滨
原帖由 fly_slayer 于 2008-8-8 13:04 发表 http://www.3dportal.cn/discuz/images/common/back.gif/ `7 q' _8 n7 }  u% L
非常感谢大家的帮忙哦,我找了一本书看到了这个图,不过有个问题问一下,图中的两个灯具体拿来什么用的啊?

. f8 h; G+ U% x8 g6 I+ a& u5 G/ R8 b! O8 q+ s# f+ {8 `
1、两只白炽灯泡的作用:在线路启动接通后,按下远方控制按钮2TA进行停止操作,是通过短接接触器线圈的形式使接触器释放。这时B相与C相间的相电压直接加在这两个灯泡两端,如果没有这两个灯泡,就会发生B相与C相间的相间短路。
# A, \" [" ?6 t7 r3 C4 L2、你这里所提供的电路,不是常规的标准电路。这个电路看似使用了一些技巧,但其安全性、可靠性不高,在实际工作中不宜采用。
: B9 x7 c5 R( c. w; u+ h2 s$ N8 |
[ 本帖最后由 pangpang 于 2008-8-9 08:21 编辑 ]
发表于 2008-8-11 10:36:13 | 显示全部楼层 来自: 中国江苏泰州
1、应在远方设置起停按钮,可在7楼的基础上加以修改:将停止按钮串联在FR、SB2间,起动按钮并联在SB1上。7 Q9 |1 T, y3 i7 O. {' n
2、9楼的电路能实现本地、远方控制,但必须是同一台变压器,且需要根据接触器容量的大小,改变灯泡的功率。它是一个实用的,远距离单线控制电路,其目的是为了省线。
 楼主| 发表于 2008-8-11 15:00:19 | 显示全部楼层 来自: 中国浙江杭州
7楼的图要实现远距离控制就要有4根线(在7楼的基础上加以修改:将停止按钮串联在FR、SB2间,起动按钮并联在SB1上),线太多了,但是安全可靠8 S4 f. U1 u* V) G$ z9 }  U4 h0 r
5 Z# m6 f( J' `+ n% ?
9楼的图只要一根线就好了,但是安全性、可靠性不高(图中的两个灯一定要有的,对不?倘若没有这两个灯会不会发生其它器件烧毁的现象?从另一个方面说,这个图只能是用于小容量的回路中的,大容量的不可能在线路中加灯吧?)' B( o  l# r5 F" R1 y
" K" y! R( a1 X" b5 ?2 Z2 W+ f5 O. Z
假如要你来做的话,你会选择哪个啊?
9 V0 l4 x" k/ |( T+ M7 u" `4 |
0 N* i, m+ `) E. l! r8 ?[ 本帖最后由 fly_slayer 于 2008-8-11 15:07 编辑 ]
发表于 2008-8-11 19:51:10 | 显示全部楼层 来自: 中国吉林长春
原帖由 fly_slayer 于 2008-8-11 15:00 发表 http://www.3dportal.cn/discuz/images/common/back.gif
! ?( H  L3 S2 i% `! l7楼的图要实现远距离控制就要有4根线(在7楼的基础上加以修改:将停止按钮串联在FR、SB2间,起动按钮并联在SB1上),线太多了,但是安全可靠
- m. N) a- P7 q& v8 T6 S
4 F  |) G! x  ~) r9楼的图只要一根线就好了,但是安全性、可靠性不高(图中的两个灯一定要 ...

" j5 M( W- ~9 ]0 q4 {0 R5 S& p# J3 S$ A/ D8 f* {
1、7#的图中实现远距离控制只需要3根线;! F! G4 {6 L6 u, ~2 b
2、9#图中的两个灯如果没有,在远控停止操作时,将发生相间短路,这是危险的;9 k( I1 d3 J" J8 F" g
3、9#图中看似只使用了一根远控线,但还需要和B相、C相连接。这限制了远控按钮的安装位置。如果在需要安装远控按钮的位置没有和主电路相同的三相电源,那么还是要引三根线;. m1 n3 y4 V5 p/ r4 j
4、7#图中给出的仅是一个原理电路,实际上控制电路的电源一般取自一个控制变压器。这个控制变压器提供的控制电压多为安全的特低电压,以保证操作者的安全。而9#图中的控制电路则必须直接使用电压较高的三相电源,这是很不安全的,说是不宜使用,实际上在许多情况下,是不能使用、不允许使用的。7 k8 Q  N& @  V* V' a5 v
5、9#图中电路“只能是用于小容量的回路中”的说法是不准确的。因为如果把图中的交流接触器换成一个小容量的中间继电器,然后再用这个继电器来控制交流接触器,这和容量真的就没有关系了。2 l4 F8 z$ J3 S0 Y4 {. u
6、电磁控制电器(接触器、继电器)组成的电路,其重要工作指标之一,一般要求在额定电压的85~110%时应能可靠吸合,在额定电压的65%以下的某一范围内应能可靠分断。采用9#图中的电路,则难于达到这一指标要求。) e& k/ J/ K, Z, e+ w' z, e" J; `
7、关于省钱,如果实际测算一下,9#图中的电路不会有多大的节省,甚至可能需要更大的安装和维护成本。
2 @" L. ^  p, M4 Z4 `    ......
2 K. A7 h) ?/ X. f: S. N$ w$ i% H! u( D7 r  o( ?) v& w! L9 D( v
我的观点,在实际工作中,不宜采用9#图中的电路,它有太大的安全隐患。
7 j' C4 [9 J, H9 G6 z1 \- f  u- d0 Z9 S* w* q/ N) O, H
[ 本帖最后由 pangpang 于 2008-8-11 20:17 编辑 ]
 楼主| 发表于 2008-8-12 09:42:04 | 显示全部楼层 来自: 中国浙江杭州
pangpang谢谢 真的好感谢哦 谢谢您的精彩点评 3 c( C- J7 a1 U& t
7 s1 o3 W: |+ r* J) Z/ H
有问题再来请教哦 9 B0 P! P2 I; Q( J$ I7 o+ Z" k

$ B8 u9 |" Y3 P现在这个帖子是不是可以锁帖了啊?0 c5 ]  a& B# C" ^8 B

# T  Y  ?  T! Y[ 本帖最后由 fly_slayer 于 2008-8-13 07:57 编辑 ]
 楼主| 发表于 2008-8-12 09:53:56 | 显示全部楼层 来自: 中国浙江杭州
不好意思,还有个问题,不要嫌我麻烦哦  ' J+ y# a4 j! C% g! O1 P

$ j5 S( P9 B6 y; J6 o您上面说到,控制变压器,/ `' E% u8 r, b7 Z. P0 _2 E
对于上面的7#图来说,我们一般都是安装在柜子里面的啊,; I' {7 T% i6 G1 |8 Q) M
电路的远程控制,我们可以3个点引到端子,让客户自行接线,电路的电源我们可以不管
" r$ ?$ d* M5 C- e" d! P但对于本地的控制,我们怎么做到电路的电源是控制变压器的控制电压呢,一般的柜子客户就提供三相四线的交流电源(三相电源),您说这个电压不安全,难不成我们要加个变压器?
发表于 2008-8-12 13:15:35 | 显示全部楼层 来自: 中国山东烟台
确实是很基础的东西了!!
 楼主| 发表于 2008-8-13 07:59:11 | 显示全部楼层 来自: 中国浙江杭州
对于新手或外行来说基础的东西就难了啊
发表于 2008-8-13 10:10:33 | 显示全部楼层 来自: 中国山东淄博
9楼的图上来看,根本就行不通,接触器线圈应该是380V,远地控制接触器吸合应该没问题,但自保后2个灯泡还要分去2段电压,剩下的给线圈的电压就很少了,这样不一定能保证接触器安全吸合好。而且本地控制时,减去2个灯泡分去的电压,剩下的电压根本不够接触器的吸合电压。
( P5 d+ y1 i8 S6 m8 z# O9 r一个控制回路最好从一个地方来电源,这个控制回路却有2处电源出处,维修起来很危险,极易造成安全事故
发表于 2008-8-13 10:14:18 | 显示全部楼层 来自: 中国吉林长春
原帖由 fly_slayer 于 2008-8-12 09:53 发表 http://www.3dportal.cn/discuz/images/common/back.gif% |; F$ D7 w/ a
不好意思,还有个问题,不要嫌我麻烦哦  / ]$ J7 U! t! {" y8 w" e

2 g$ p" ^/ c2 y. Q您上面说到,控制变压器,2 D) y/ F$ `$ b7 h' {
对于上面的7#图来说,我们一般都是安装在柜子里面的啊," C/ R7 o: {& i/ l
电路的远程控制,我们可以3个点引到端子,让客户自行接线,电路的电源我们可以 ...
" _6 }. D6 P& ^* y; }! i/ Y* N
) b- h/ I7 `& B$ r5 h1 {: O
回复15#,你在电工方面的确是够基础的。把7#图略加改动如下,这是最基础的电路了。
图.JPG
 楼主| 发表于 2008-8-13 19:39:10 | 显示全部楼层 来自: 中国浙江杭州
谢谢了啊! pangpang哥,你真是太好了啊 % s8 q, f& N/ V8 M) F. c" m

  o2 N$ {; C3 y. H, ~8 u最后再问一个 你画上面的图用什么软件画的啊? Autocad吗?7 q2 M/ K* M  U3 d- h

' y2 D# b9 {' m) _/ `5 T; j; F  e4 {要想把电气学好,有什么好书推荐下,我也可快快补补  :)
 楼主| 发表于 2008-8-15 09:51:56 | 显示全部楼层 来自: 中国浙江杭州
pangpang哥  还在不了啊? 麻烦您了啊
 楼主| 发表于 2008-8-19 12:51:36 | 显示全部楼层 来自: 中国浙江杭州
此帖问题解决了啊,怎么改成把[求助]改成[已解决]啊?
- y6 H) R5 l) q) i6 y" I( c
+ T- G) Y; ~% H8 R) @之前好像在哪看过,刚刚找了下没找到,要麻烦版主了啊,不好意思
发表回复
您需要登录后才可以回帖 登录 | 注册

本版积分规则


Licensed Copyright © 2016-2020 http://www.3dportal.cn/ All Rights Reserved 京 ICP备13008828号

小黑屋|手机版|Archiver|三维网 ( 京ICP备2023026364号-1 )

快速回复 返回顶部 返回列表