QQ登录

只需一步,快速开始

登录 | 注册 | 找回密码

三维网

 找回密码
 注册

QQ登录

只需一步,快速开始

展开

通知     

全站
8天前
查看: 6454|回复: 10
收起左侧

[已解决] 谁能提供皮带轮的图纸和技术要求,谢谢

 关闭 [复制链接]
发表于 2008-8-22 21:19:46 | 显示全部楼层 |阅读模式 来自: 中国山东东营

马上注册,结识高手,享用更多资源,轻松玩转三维网社区。

您需要 登录 才可以下载或查看,没有帐号?注册

x
谁能提供皮带轮的图纸和技术要求,谢谢  主要是俺刚开始学
发表于 2008-8-23 21:01:58 | 显示全部楼层 来自: 中国湖北黄石
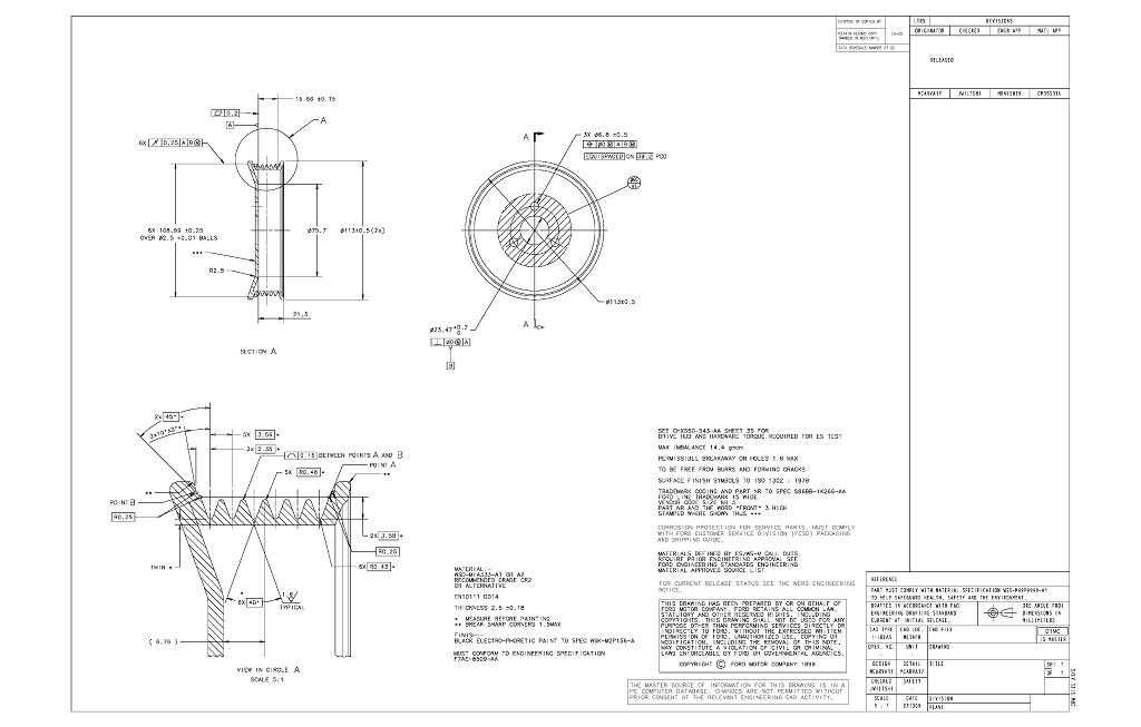
提供一张吧,为避免日后纠纷,格式转成JPG格式,图中关于产品代号图号公司信息等全部去除。仅供参考1 ^3 k& F2 c0 W* d% M
该图纸产品是三大汽车公司之一某车型正在使用的; |, d6 a, V" _0 `/ t" |& T

% c" o- _' A7 J[ 本帖最后由 lover_ant 于 2008-8-23 21:17 编辑 ]
1s5q 8509 aa translated.jpg

1s5q 8509 aa translated.rar

1.52 MB, 阅读权限: 10, 下载次数: 22

评分

参与人数 1三维币 +6 收起 理由
hero2006 + 6 应助

查看全部评分

 楼主| 发表于 2008-8-24 13:35:26 | 显示全部楼层 来自: 中国山东东营
我想要的是带动抽油机的电机上的皮带轮,还是十分感谢。
发表于 2008-8-24 20:30:01 | 显示全部楼层 来自: 中国湖北黄石

回复 3# 的帖子

呵呵,还以为是钣金皮带轮呢。你说的是铸造然后车加工的吧
 楼主| 发表于 2008-8-25 21:25:06 | 显示全部楼层 来自: 中国山东东营

回复 4# 的帖子

是的,复杂的目前还没有接触,请多多指教
发表于 2008-8-25 21:59:40 | 显示全部楼层 来自: 中国湖北黄石
我就好人做到底,在提供一张车加工的吧
10025.jpg

10025.rar

40.65 KB, 下载次数: 25

标准dwg格式

评分

参与人数 1三维币 +4 收起 理由
hero2006 + 4 应助

查看全部评分

发表于 2008-8-26 07:58:55 | 显示全部楼层 来自: 中国浙江宁波
建议楼主先去查一下机械设计手册,看看你要的皮带轮是那种型式,是V带的、还是同步的、还是平带的、还是鼓型的,蚂蚁大哥所给的这种全部是使用V带里规格下高速带用的皮带轮。
发表于 2008-9-27 11:18:17 | 显示全部楼层 来自: 中国江苏徐州
原帖由 lover_ant 于 2008-8-25 21:59 发表 http://www.3dportal.cn/discuz/images/common/back.gif
2 T+ x  V( f/ d6 N  k我就好人做到底,在提供一张车加工的吧

' v6 c2 H. _2 X2 d+ z. m! v; Z5 z
图下了5 K8 G- _7 `" Y+ w) B
就是不知道6-M5的螺纹孔干什么用的. r7 d* |$ L3 r* ]; j+ {" W7 z( T
刚开始还以为是锥套快装皮带轮图纸呢
7 `: Q5 f: e9 b, R5 ~6 _/ G( {. O呵呵
! v, @& Q' f. E0 ^哪位朋友有+ C" X0 B; }. [/ R/ \% H% T
能否提供一下
发表于 2008-9-28 10:37:56 | 显示全部楼层 来自: 中国山西太原
回复8#1 `3 ?, p2 I: [; ]/ ]! H& B2 Q
提供一张减速机带轮图供参考:
" b7 x) u1 O/ Q) {2 ?- Z, p; G+ ^5 j8 G6 e9 X2 _! u
[ 本帖最后由 gaoyns 于 2008-9-28 10:45 编辑 ]
减速机带轮.jpg

评分

参与人数 1三维币 +3 收起 理由
hero2006 + 3 应助

查看全部评分

 楼主| 发表于 2008-9-29 09:46:18 | 显示全部楼层 来自: 中国山东东营
谢谢这么多的朋友的帮助,问题已经解决了
发表于 2008-10-11 10:03:58 | 显示全部楼层 来自: 中国浙江宁波
机电市场有好多现成的!!!!买的到就比较实惠!!!
发表回复
您需要登录后才可以回帖 登录 | 注册

本版积分规则


Licensed Copyright © 2016-2020 http://www.3dportal.cn/ All Rights Reserved 京 ICP备13008828号

小黑屋|手机版|Archiver|三维网 ( 京ICP备2023026364号-1 )

快速回复 返回顶部 返回列表