QQ登录

只需一步,快速开始

登录 | 注册 | 找回密码

三维网

 找回密码
 注册

QQ登录

只需一步,快速开始

展开

通知     

全站
10天前
查看: 2907|回复: 4
收起左侧

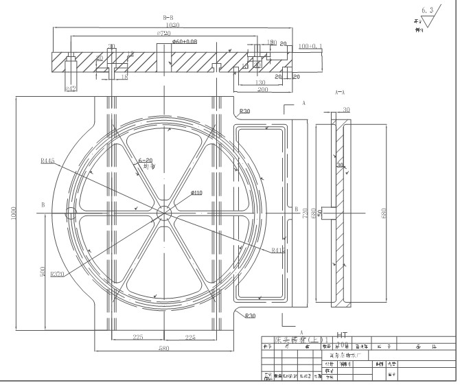
[机械] 加工轴承专机改造图纸(M250)

[复制链接]
发表于 2008-9-5 20:46:10 | 显示全部楼层 |阅读模式 来自: 中国辽宁大连

马上注册,结识高手,享用更多资源,轻松玩转三维网社区。

您需要 登录 才可以下载或查看,没有帐号?注册

x
加工轴承专机改造图纸(M250)
, _4 x' h1 |9 Q' q2 m  O9 E% C3 Y+ z) N" A7 K
[ 本帖最后由 2005llnn 于 2008-9-22 12:53 编辑 ]
09-22.jpg

M250.rar

1.52 MB, 下载次数: 255

评分

参与人数 1三维币 +6 收起 理由
2005llnn + 6 好资料,感谢您对论坛的支持!PDF格式,包

查看全部评分

发表于 2008-9-8 13:30:53 | 显示全部楼层 来自: 中国江苏南通
是不是滚压机呀
 楼主| 发表于 2008-9-21 08:56:49 | 显示全部楼层 来自: 中国辽宁大连

回复 2# yutaizg 的帖子

不是,是给无锡机床厂生产的磨床M250加大加工范围用得。
发表于 2009-12-12 16:53:54 | 显示全部楼层 来自: 中国浙江温州
没有看明白,什么意图?
发表于 2010-12-24 14:01:01 | 显示全部楼层 来自: 中国黑龙江齐齐哈尔
是好资料么 ?
$ U3 l& ]8 B+ b  q怎么没人下啊
发表回复
您需要登录后才可以回帖 登录 | 注册

本版积分规则


Licensed Copyright © 2016-2020 http://www.3dportal.cn/ All Rights Reserved 京 ICP备13008828号

小黑屋|手机版|Archiver|三维网 ( 京ICP备2023026364号-1 )

快速回复 返回顶部 返回列表