QQ登录

只需一步,快速开始

登录 | 注册 | 找回密码

三维网

 找回密码
 注册

QQ登录

只需一步,快速开始

展开

通知     

查看: 1912|回复: 10
收起左侧

[已解决] 图示件工艺怎没安排?

[复制链接]
发表于 2008-9-8 11:28:05 | 显示全部楼层 |阅读模式 来自: 中国河北

马上注册,结识高手,享用更多资源,轻松玩转三维网社区。

您需要 登录 才可以下载或查看,没有帐号?注册

x
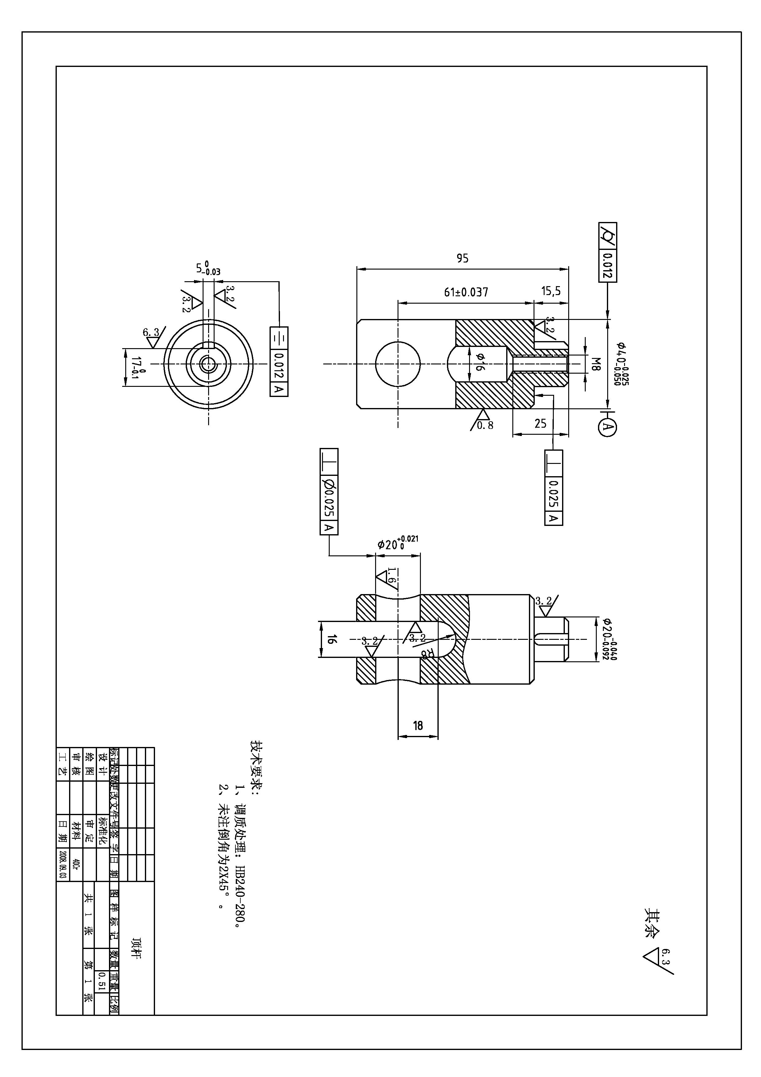
图示件工艺怎没安排?
12.jpg
发表于 2008-9-8 21:02:42 | 显示全部楼层 来自: 中国黑龙江佳木斯
实际工艺是如何按排的,楼主请说。
发表于 2008-9-8 22:56:51 | 显示全部楼层 来自: 中国江西九江
下料—粗车—调质—车(除大外圆留磨量,其余车至尺寸),钻两中心孔—磨大外园—车(以大外园为基准,加工16孔及M8)—铣(1、钻/镗20孔,2、铣键槽和槽)7 H" v% E2 s$ X0 b6 v# m% [

1 [7 Y$ ^  I* l[ 本帖最后由 asdolmlm 于 2008-9-9 13:51 编辑 ]

评分

参与人数 1三维币 +3 收起 理由
渔樵 + 3 应助

查看全部评分

发表于 2008-9-10 11:00:25 | 显示全部楼层 来自: 中国江苏苏州
此零件适合凸轮车上做外圆,内孔,内螺纹及倒角,然后进行二次加工,开槽,打径向孔。普车做不适合。楼主哪里的?我可以给你提供加工此零件的厂商。lgz1688@126.com
发表于 2008-9-12 20:20:39 | 显示全部楼层 来自: 中国黑龙江佳木斯
1,下料/ R1 K- n+ q4 j8 n! s$ L, p8 S8 B
2,车,粗车外圆留量5MM,平两端面,定总长98,15。5车至14。
- x0 e3 P6 S! b, P- s  _3,热处理HB240-280。, L1 z2 i0 u' X7 u9 B' z
4,车,平两端面,打两端中心孔,定总长,架顶尖,外圆留量0。5,15。5车至15,
# S. X9 o; F/ B5 A5,磨,磨外圆至图示(调头一次),靠磨15。5端面,长度至图示尺寸。
" `" b# E4 n  N" S$ y! g3 P& ?6,镗,上钻,铰孔用夹具,钻扩铰孔至图示尺寸。
0 P9 H; T0 T" k; c7,钻,上夹具,钻16孔及M10底孔,倒角。/ r. |$ j7 f; ^* j, C; e" j  T- [
8,铣,上立铣,V型铁组合夹具,铣两槽至图示尺寸。8 |7 P: V+ w4 I. _; m. g: b
9,钳,修毛刺  N' [. C/ k5 \. S# m; M
10,检。

评分

参与人数 1三维币 +3 收起 理由
sxw68 + 3 应助

查看全部评分

头像被屏蔽
发表于 2008-9-13 20:05:10 | 显示全部楼层 来自: 中国
提示: 作者被禁止或删除 内容自动屏蔽
发表于 2008-9-14 05:20:29 | 显示全部楼层 来自: 中国广东广州
就是车···- i' ~& |: `7 p7 e, O5 J1 G! \& F
攻丝···4 \' y  ?1 P) ^! E; u
钻横孔···
: P) Y# G( a; E8 o$ c: k铣槽/线割槽···
( j) o7 S" c. t* h磨外圆···
发表于 2009-1-25 18:56:09 | 显示全部楼层 来自: 中国浙江台州
本来还想来个仔细说明的 看来5楼已经够详细了
发表于 2009-1-27 13:16:40 | 显示全部楼层 来自: 中国吉林吉林市
5楼已经处理得不错了!~
头像被屏蔽
发表于 2009-2-6 15:07:06 | 显示全部楼层 来自: 中国辽宁丹东
提示: 作者被禁止或删除 内容自动屏蔽
发表于 2009-2-6 16:38:10 | 显示全部楼层 来自: 中国湖南衡阳
还是同意5楼的工艺安排
发表回复
您需要登录后才可以回帖 登录 | 注册

本版积分规则


Licensed Copyright © 2016-2020 http://www.3dportal.cn/ All Rights Reserved 京 ICP备13008828号

小黑屋|手机版|Archiver|三维网 ( 京ICP备2023026364号-1 )

快速回复 返回顶部 返回列表