QQ登录

只需一步,快速开始

登录 | 注册 | 找回密码

三维网

 找回密码
 注册

QQ登录

只需一步,快速开始

展开

通知     

查看: 5402|回复: 43
收起左侧

[求助] 一套完整的液压系统,重金求助!

[复制链接]
发表于 2008-9-8 11:28:43 | 显示全部楼层 |阅读模式 来自: 中国江苏徐州

马上注册,结识高手,享用更多资源,轻松玩转三维网社区。

您需要 登录 才可以下载或查看,没有帐号?注册

x
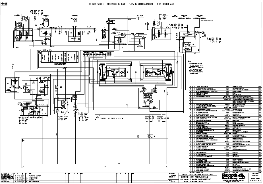
本人现有一套完整的力士乐液压系统原理图,想求助高手给予解决方案!联系QQ33401051,电话:13952163422
发表于 2008-9-8 11:34:24 | 显示全部楼层 来自: 中国北京
发上来,大家看看。三维牛人很多的,帮过我的。
 楼主| 发表于 2008-9-8 11:44:33 | 显示全部楼层 来自: 中国江苏徐州

完整的液压系统图

请高手指点,能否提供解决方案。

Hydraulic Circuit.pdf

401.77 KB, 下载次数: 235

发表于 2008-9-8 12:39:39 | 显示全部楼层 来自: 中国浙江宁波
你的是什么附件啊?都不能打开怎么帮你啥?
发表于 2008-9-8 12:56:56 | 显示全部楼层 来自: 中国河南郑州
替楼主发个贴图,有点搞不懂楼主的意思http://file:///f://11.gif
11.gif
发表于 2008-9-8 14:20:09 | 显示全部楼层 来自: 中国江苏扬州
帮忙,怎么还要收流量的呀!
发表于 2008-9-8 14:25:23 | 显示全部楼层 来自: 中国辽宁铁岭
楼主,说清楚说明哪里,你不会让大家给你说明整个系统的工作原理吧!
 楼主| 发表于 2008-9-8 14:52:10 | 显示全部楼层 来自: 中国江苏徐州
此图是国外一家公司的产品,我想拿过进行国产化,凡国内可以替代的元件都原则上都有国产件代替,现在我碰到的问题就是找不到一个厂家愿意做我这个系统,所以发贴上来,请大家指点,到哪可以采购到这些元件。
发表于 2008-9-8 20:37:41 | 显示全部楼层 来自: 中国浙江丽水
晕 还要流量,而且还不能看下面那副又太小看不清 ,怎么帮?我觉得版主要注意一下
发表于 2008-9-8 23:13:20 | 显示全部楼层 来自: 中国江苏无锡
哥们,你以前发过dwg格式的吧。其实最好是对着原理找,找不到的来发帖讨论。这么多大家你一句我一句你的脑袋会大的。或者这个帖子就当这个的专帖了吧。楼主有什么疑问就发帖大家讨论。
发表于 2008-9-9 12:42:28 | 显示全部楼层 来自: 中国浙江杭州
这是一个工业行走机械的液压图7 V8 @$ G/ |( ~& |( X/ J) z
行走、支撑、……
& _* n  U4 ^6 V6 M. d# Q似乎还有有一些是同步要求
发表于 2008-9-9 13:35:00 | 显示全部楼层 来自: 中国浙江杭州
想发展液压方面,下载学习学习!!!
发表于 2008-9-10 10:01:55 | 显示全部楼层 来自: 中国江苏无锡
系统肯定可以做,代价要大一点,还是自己做比较好,改进起来也方便。就看你舍不舍的钞票
发表于 2008-9-10 12:40:26 | 显示全部楼层 来自: 中国上海
不说了,一开始以为是港口机械
# y1 g5 M1 v# C( k9 {可靠性是第一位的,所以肯定要力士乐9 E. n# _8 C3 i' {) v, o- D0 S
看楼主的意思是要国内自己搞该产品,需要的是人才和资金
9 B. ~: v$ O: D- Q' F
, ]8 \" a; C7 b3 b- ?. q! G[ 本帖最后由 tieshouchan 于 2008-9-10 13:00 编辑 ]
发表于 2008-9-10 12:41:29 | 显示全部楼层 来自: 中国上海
仔细看了下,应该是工程机械上的混凝土泵车
& X/ E4 [$ Q6 M! Q; a! M0 U呵呵,现在中国都想搞这个( }5 f$ p+ t8 O1 A3 v5 e9 x  G: \3 A
赚钱哪,一辆4,5百万还抢着要呢6 H# ?6 a2 D% p5 ^' l
不过自己搞要点实力的,最好有个主业先顶着,这个先弄个样车
" a8 ]3 a2 _' H# @, p7 I记得以前鸿得利就是这么搞的 他们主要做混凝土泵2 Q4 m2 g' T  ~) j7 {# ?' P& ?
' |! n' u8 Y* i' c" G8 ~
[ 本帖最后由 tieshouchan 于 2008-9-10 12:59 编辑 ]
发表于 2008-9-10 12:52:15 | 显示全部楼层 来自: 中国北京
闭式泵 开式泵 恒功率阀 什么都用上了啊 到底是什么东西啊 部分感觉像挖掘机和混凝土泵啊
发表于 2008-9-10 13:09:02 | 显示全部楼层 来自: 中国上海
楼主,你要国内生产的话
! d: L" v/ d1 d2 C& V2 W+ P' Q5 ]恐怕油泵,多路阀都要力士乐的,但交货期你受得了吗?至少一年哦
- o+ U/ ]8 A4 U, Q其他油管,滤芯,蓄能器,油缸之类的国产应该问题不大
发表于 2008-9-10 13:15:51 | 显示全部楼层 来自: 中国上海
原帖由 zuozuo520 于 2008-9-10 12:52 发表 http://www.3dportal.cn/discuz/images/common/back.gif/ |8 C3 Z' T2 ^" _/ i
闭式泵 开式泵 恒功率阀 什么都用上了啊 到底是什么东西啊 部分感觉像挖掘机和混凝土泵啊
0 n! A9 @/ l$ U+ J, N, c$ }* P
跟挖掘机没关系,呵呵
发表于 2008-9-10 13:16:54 | 显示全部楼层 来自: 中国上海
楼主我打电话给你你不接嘛
- \* ]" ~1 W$ G- O$ G! r" S4 r哈哈
( b( \3 B( [+ R搞是可以的,还是那句话,要有决心和魄力/ W8 _1 ]9 o( r4 a, r; J
人才和资金(1000万+)是必备条件
 楼主| 发表于 2008-9-10 15:19:37 | 显示全部楼层 来自: 中国江苏徐州
需要资金1000万?楼上的打算怎么用这1000万?
 楼主| 发表于 2008-9-10 15:20:10 | 显示全部楼层 来自: 中国江苏徐州
现在我就差液压系统了,其他的都做好了
发表于 2008-9-10 15:33:36 | 显示全部楼层 来自: 中国上海
液压系统留100万较为宽裕
4 [4 Y$ z- m3 _% X1 G" y- O3 v你既然这么保留我也就点到为止了
发表于 2008-9-10 16:44:34 | 显示全部楼层 来自: 中国江苏无锡
个人建议你买一套《液压设计手册》学好了上面的内容再实践一两年就成专家了
 楼主| 发表于 2008-9-10 17:04:15 | 显示全部楼层 来自: 中国江苏徐州
哪位有电子版的,发来分享一下
发表于 2008-9-10 19:47:29 | 显示全部楼层 来自: 中国江苏南通

液压设计手册

我有液压设计手册电子版.
发表回复
您需要登录后才可以回帖 登录 | 注册

本版积分规则


Licensed Copyright © 2016-2020 http://www.3dportal.cn/ All Rights Reserved 京 ICP备13008828号

小黑屋|手机版|Archiver|三维网 ( 京ICP备2023026364号-1 )

快速回复 返回顶部 返回列表