QQ登录

只需一步,快速开始

登录 | 注册 | 找回密码

三维网

 找回密码
 注册

QQ登录

只需一步,快速开始

展开

通知     

全站
16小时前
查看: 1288|回复: 5
收起左侧

[求助] 求助自行走机械中部分元件

[复制链接]
发表于 2008-9-8 17:11:20 | 显示全部楼层 |阅读模式 来自: 中国江苏徐州

马上注册,结识高手,享用更多资源,轻松玩转三维网社区。

您需要 登录 才可以下载或查看,没有帐号?注册

x
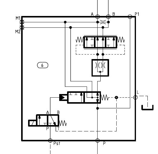
完整的系统图我已发贴,其中有三个元件请高手指点,在哪能搞定?谢谢!
分流阀.JPG
阀.JPG
换向阀.JPG
发表于 2008-9-9 16:45:04 | 显示全部楼层 来自: 中国河北唐山
楼主的文件是需要单独制作阀块的,没有现成的元件。
 楼主| 发表于 2008-9-9 18:39:32 | 显示全部楼层 来自: 中国江苏徐州
哪位朋友能帮我做这些阀块?
发表于 2008-9-10 12:13:45 | 显示全部楼层 来自: 中国广东佛山
我可以帮你做,你是哪里的,我在广东
发表于 2008-9-10 13:13:15 | 显示全部楼层 来自: 新加坡
我能搞定,这用于什么场合
 楼主| 发表于 2008-9-12 22:27:54 | 显示全部楼层 来自: 中国江苏徐州
楼上各位你们好,我是江苏徐州的,如果你们可以做这些阀块,请与我联系,谢谢QQ33401051,或电话13952163422
发表回复
您需要登录后才可以回帖 登录 | 注册

本版积分规则

Licensed Copyright © 2016-2020 http://www.3dportal.cn/ All Rights Reserved 京 ICP备13008828号

小黑屋|手机版|Archiver|三维网 ( 京ICP备2023026364号-1 )

快速回复 返回顶部 返回列表