QQ登录

只需一步,快速开始

登录 | 注册 | 找回密码

三维网

 找回密码
 注册

QQ登录

只需一步,快速开始

展开

通知     

查看: 2337|回复: 3
收起左侧

[太阳能] 太阳能光伏系统毕业论文

 关闭 [复制链接]
发表于 2008-9-8 18:48:45 | 显示全部楼层 |阅读模式 来自: 中国广东广州

马上注册,结识高手,享用更多资源,轻松玩转三维网社区。

您需要 登录 才可以下载或查看,没有帐号?注册

x
太阳能光伏系统毕业论文,给大家做个参考,也给我换点流量

太阳能光伏系统毕业论文.pdf

624.47 KB, 下载次数: 36

论文附图.pdf

52.45 KB, 下载次数: 25

发表于 2008-9-9 09:27:52 | 显示全部楼层 来自: 中国湖南株洲
补充介绍:
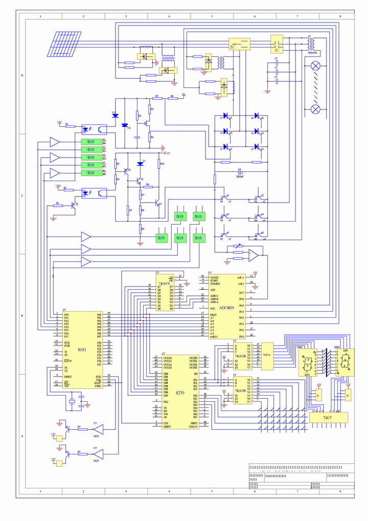
9 O! X* D3 o: S# @* A! O1 [) r【摘要】
4 e0 G' g& s5 n. i) }, M# x       针对题目的要求,我研究设计了一种太阳能光伏电源系统。根据设备功耗需要和安装地点的气候情况,确定了光伏系统的阵列、充电电路的性能和逆变电路的稳定性;研究了不同光照和温度条件下,光伏阵列的最大功率PID 跟踪算法,使光伏阵列始终工作在最大功率输出状态,并且通过本次设计的充电逆变电路保证了最大量采集电源量和蓄电池的寿命及充放电效率。7 }6 B, W+ X! p$ f
       太阳能光伏发电系统是通过太阳能电池板吸收太阳光,将太阳光能直接变成电能输出,因为一个单位的电池板所发出的电能为几毫伏,所以采用一定数量太阳能电池板阵列达到所需要的电压;电流经过充电电路中的可控整流电路,使电池板不管在光强或弱的情况下都能够保持恒定的电流输入蓄电池,这样有效增加了存储电能的效率和蓄电池的寿命;当CPU 检测电池板的输出电压为零的情况下信号反馈CPU,经处理后控制双向开关断开了充电电路,逆变电路开始工作,此逆变电路采用单相全桥电路,使直流电逆变成交流电,在互感器的变压下12V 的电压升为220V;整个过程采用8031 作为CPU,来完成各个电路的跟踪监测、处理和驱动等工作,这样才能使电路以及用电设备正常运行。
% E3 _7 m* R: L8 S5 U/ q6 O7 O' W       本文对光伏系统追踪的相关技术进行了深入的研究,制定了对不稳定电源检测和整形的有效方案,在保证安全确定了通过三种充电方法联合来实现最大采集电源,从而提高了太阳能发电系统研究开发的效率和有效性。
8 c4 Y: q7 [/ d" _) z【关键词】 光伏电源,充电,逆变,电池板
/ ^$ m4 R' X7 L) ?1 D& U9 B, R/ J0 W) w  [# X7 |$ o: }0 [
1.jpg
发表于 2008-12-2 17:21:58 | 显示全部楼层 来自: 中国广东广州
看看
发表于 2009-2-6 16:10:57 | 显示全部楼层 来自: 中国四川内江
看看高手的作品,谢谢楼主上传
发表回复
您需要登录后才可以回帖 登录 | 注册

本版积分规则


Licensed Copyright © 2016-2020 http://www.3dportal.cn/ All Rights Reserved 京 ICP备13008828号

小黑屋|手机版|Archiver|三维网 ( 京ICP备2023026364号-1 )

快速回复 返回顶部 返回列表