QQ登录

只需一步,快速开始

登录 | 注册 | 找回密码

三维网

 找回密码
 注册

QQ登录

只需一步,快速开始

展开

通知     

查看: 1585|回复: 6
收起左侧

[讨论] 差动回路

[复制链接]
发表于 2008-9-20 17:23:28 | 显示全部楼层 |阅读模式 来自: 中国江苏常州

马上注册,结识高手,享用更多资源,轻松玩转三维网社区。

您需要 登录 才可以下载或查看,没有帐号?注册

x
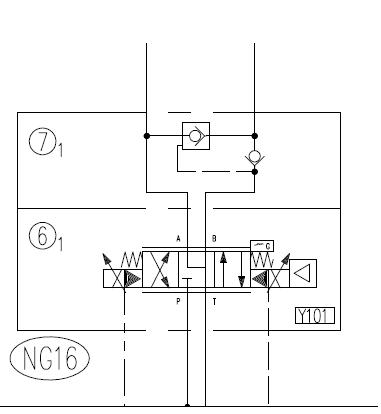
最近一直想把在设计过程遇到的差动回路汇总一下,希望各网友赞助帮忙汇总.今天先发一个
无标题2.jpg
 楼主| 发表于 2008-9-20 17:54:47 | 显示全部楼层 来自: 中国江苏常州
目前最流行的做法
2.jpg
 楼主| 发表于 2008-9-20 17:56:01 | 显示全部楼层 来自: 中国江苏常州
这种用法比较简单,但是成本会高
3.jpg
 楼主| 发表于 2008-9-20 18:01:21 | 显示全部楼层 来自: 中国江苏常州
还有一个,和第二个差不多。
4.jpg
发表于 2008-9-20 19:11:12 | 显示全部楼层 来自: 中国江苏无锡
楼主不能把图片大小做合适一点吗?
发表于 2008-9-23 13:03:49 | 显示全部楼层 来自: 中国天津
不错,就是有点看不清楚.
发表于 2008-9-23 14:06:11 | 显示全部楼层 来自: 中国江苏无锡
点击放大看,效果还是比较好的!感谢楼主的分享!
发表回复
您需要登录后才可以回帖 登录 | 注册

本版积分规则


Licensed Copyright © 2016-2020 http://www.3dportal.cn/ All Rights Reserved 京 ICP备13008828号

小黑屋|手机版|Archiver|三维网 ( 京ICP备2023026364号-1 )

快速回复 返回顶部 返回列表