QQ登录

只需一步,快速开始

登录 | 注册 | 找回密码

三维网

 找回密码
 注册

QQ登录

只需一步,快速开始

展开

通知     

查看: 7870|回复: 8
收起左侧

[已解决] 24KG钢轨的截面尺寸

 关闭 [复制链接]
发表于 2008-9-23 14:07:10 | 显示全部楼层 |阅读模式 来自: 中国浙江宁波

马上注册,结识高手,享用更多资源,轻松玩转三维网社区。

您需要 登录 才可以下载或查看,没有帐号?注册

x
需要24KG钢轨的截面尺寸。因为手头资料有限,24KG钢轨的截面尺寸没有查到,哪位可以提供给我,谢谢了。
发表于 2008-9-23 16:49:28 | 显示全部楼层 来自: 中国山西太原
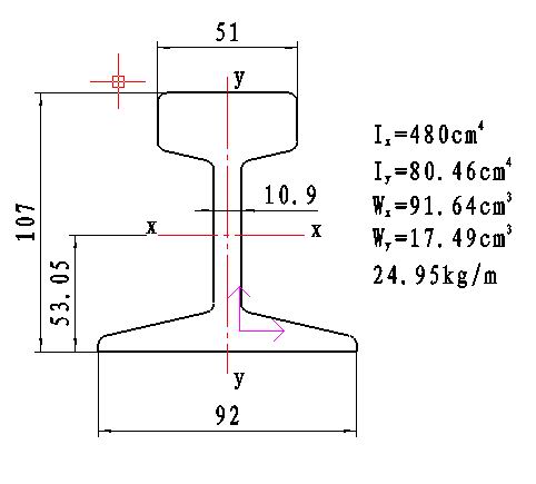
24#轻轨截面尺寸如下:
  l3 Z8 c6 H; f3 u% B上下斜角均为13°。
- h% M& Y) R) b) ~" f
0 m6 p8 F% i$ h; Y3 ?# Z[ 本帖最后由 gaoyns 于 2008-9-23 16:55 编辑 ]
24#轻轨截面尺寸.jpg

评分

参与人数 1三维币 +3 收起 理由
et998866 + 3 应助

查看全部评分

 楼主| 发表于 2008-9-23 16:55:31 | 显示全部楼层 来自: 中国浙江宁波
谢谢。请问说明资料上有比较全的,我手头资料只有几种。谢谢
发表于 2008-9-23 17:09:41 | 显示全部楼层 来自: 中国山西太原

回复 3# xixiawang 的帖子

24#轻轨是以前的机械设计手册上的旧标准(YB222-63)上的,新标准(GB11264-1989)上有9、12、15、22、30#共五种,没有24#。若是新选型尽量用新标准。

评分

参与人数 1三维币 +5 收起 理由
et998866 + 5 应助

查看全部评分

发表于 2008-9-24 08:50:10 | 显示全部楼层 来自: 中国江苏泰州
好东西,谢谢gaoyns
发表于 2008-9-24 10:13:48 | 显示全部楼层 来自: 中国山东泰安
在机械设计手册也可以查到,特别是旧的设计手册介绍的比较全面的

评分

参与人数 1三维币 +2 收起 理由
et998866 + 2 应助

查看全部评分

发表于 2008-9-24 13:01:49 | 显示全部楼层 来自: 中国安徽淮北
http://www.3dportal.cn/discuz/vi ... D%B9%EC%CC%FA%B5%C0
% Q+ f& P; n; J这本书里有,但是论坛上的是PDG格式的,我本人有PDF的,你自己也可以下了转换下,属于老书了,轨道方面很全,你可以下了看看

评分

参与人数 1三维币 +2 收起 理由
et998866 + 2 应助

查看全部评分

 楼主| 发表于 2008-9-24 21:54:10 | 显示全部楼层 来自: 中国浙江宁波
哦 这样的啊,谢谢啊
发表于 2008-11-14 16:18:47 | 显示全部楼层 来自: 中国河南新乡
谢谢提供!
发表回复
您需要登录后才可以回帖 登录 | 注册

本版积分规则


Licensed Copyright © 2016-2020 http://www.3dportal.cn/ All Rights Reserved 京 ICP备13008828号

小黑屋|手机版|Archiver|三维网 ( 京ICP备2023026364号-1 )

快速回复 返回顶部 返回列表