QQ登录

只需一步,快速开始

登录 | 注册 | 找回密码

三维网

 找回密码
 注册

QQ登录

只需一步,快速开始

展开

通知     

全站
8天前
goto3d 说: 在线网校重磅上线MC2022&Inventor2022全新课程,虞为民老师、大表哥同事精彩讲解,快去围观!
2021-06-25
查看: 1057|回复: 1
收起左侧

[讨论] 二维建模

[复制链接]
发表于 2008-9-28 00:01:15 | 显示全部楼层 |阅读模式 来自: 中国安徽六安

马上注册,结识高手,享用更多资源,轻松玩转三维网社区。

您需要 登录 才可以下载或查看,没有帐号?注册

x
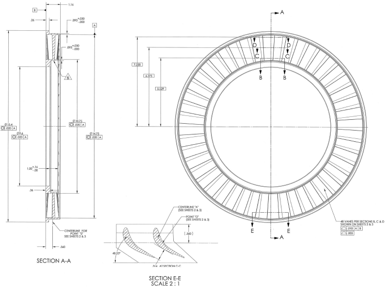
各位兄弟姐妹,我恳请各位帮帮忙, 如果谁能画出来的话,小妹在此谢谢了!小妹现在很是着急。2 q+ s7 ~0 t' _' C7 q0 p" g
最好是用solidworks 或 pro-e
000.jpg
1.jpg
002.jpg
3.jpg
 楼主| 发表于 2008-9-28 00:04:38 | 显示全部楼层 来自: 中国安徽六安
我现在已经把B C D截面都画出来了,但是从B到内圆部分和从D到外圆部分我现在还不知道怎么做,希望高人能指点一下。
发表回复
您需要登录后才可以回帖 登录 | 注册

本版积分规则


Licensed Copyright © 2016-2020 http://www.3dportal.cn/ All Rights Reserved 京 ICP备13008828号

小黑屋|手机版|Archiver|三维网 ( 京ICP备2023026364号-1 )

快速回复 返回顶部 返回列表