QQ登录

只需一步,快速开始

登录 | 注册 | 找回密码

三维网

 找回密码
 注册

QQ登录

只需一步,快速开始

展开

通知     

全站
5天前
查看: 17711|回复: 96
收起左侧

[练习题] 基础综合练习12-原題

[复制链接]
发表于 2008-10-4 20:57:15 | 显示全部楼层 |阅读模式 来自: 中国台湾

马上注册,结识高手,享用更多资源,轻松玩转三维网社区。

您需要 登录 才可以下载或查看,没有帐号?注册

x
這一題再請有興趣練習的同好們練練看
' R" ^" }) U" I" e1 U. U9 @/ a3 c9 q0 K0 `  u, p, C3 f
[ 本帖最后由 muhdi 于 2008-10-4 21:39 编辑 ]
T.JPG

评分

参与人数 1三维币 +10 收起 理由
2005llnn + 10 提供练习!

查看全部评分

发表于 2008-10-5 14:41:30 | 显示全部楼层 来自: 中国上海
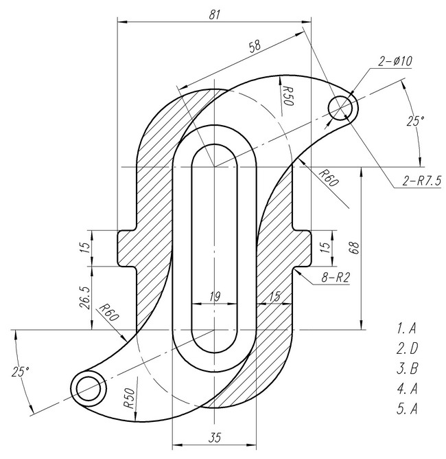
我的答案是:1 A;2 D;3 B;4 不知道楼主所说的是哪个角度,故待做;5 A。
12.JPG

12.dwg

28.58 KB, 阅读权限: 110, 下载次数: 7

评分

参与人数 1三维币 +8 收起 理由
2005llnn + 8 很好

查看全部评分

发表于 2008-10-6 01:17:10 | 显示全部楼层 来自: 中国台湾
(1).A     (2).D     (3).B     (4).A     (5).A
12.jpg

评分

参与人数 1三维币 +10 收起 理由
2005llnn + 10 很好

查看全部评分

发表于 2008-10-7 20:40:28 | 显示全部楼层 来自: 中国山东东营

我也交一份答案

我也来练习一下!
综合练习题12.JPG

评分

参与人数 1三维币 +10 收起 理由
2005llnn + 10 很好

查看全部评分

发表于 2008-10-7 21:19:57 | 显示全部楼层 来自: 中国浙江宁波

基础综合练习12-原题

我已经画好了,不知对不对?不知道怎么把图帖上去,晕!' J5 @# g+ H% U

) Z) y, ?% [6 B7 B5 m% H[ 本帖最后由 2005llnn 于 2008-10-13 13:03 编辑 ]
10-13.jpg

基础综合练习12-原题.dwg

53.28 KB, 下载次数: 31

评分

参与人数 1三维币 +5 收起 理由
2005llnn + 5 鼓励

查看全部评分

发表于 2008-10-8 11:30:09 | 显示全部楼层 来自: 中国山东东营

回复 5# 杨善梅 的帖子

可以把你的文件打开,复制窗口到剪贴板,再打开画图程序进行粘贴,后存为要求的格式文件。上传附件即可。
发表于 2008-10-8 11:55:06 | 显示全部楼层 来自: 中国
答案:A、D、B、A、A 12.JPG

评分

参与人数 1三维币 +8 收起 理由
2005llnn + 8 很好

查看全部评分

头像被屏蔽
发表于 2008-10-8 16:40:42 | 显示全部楼层 来自: 中国湖北武汉
提示: 作者被禁止或删除 内容自动屏蔽
发表于 2008-10-8 16:55:42 | 显示全部楼层 来自: 中国江苏徐州
1-A  2-D  3-B  4-A  5-A0 ]$ f7 ]3 V9 D
5 o, D6 U8 w$ V# X7 n  L* U! e: {
抓取4.gif
7 i" K% X+ M; w) b( e
0 o' r' R* }% \/ V[ 本帖最后由 xuj321123 于 2008-10-8 16:59 编辑 ]

评分

参与人数 1三维币 +8 收起 理由
2005llnn + 8 很好

查看全部评分

发表于 2008-10-8 19:40:51 | 显示全部楼层 来自: 中国广东韶关
12.jpg
/ W+ l6 F: Y9 \' W0 P8 i. @$ t
) c0 J+ X% k5 |交作业拉- I% Z3 T' B! B* T; B5 J5 @0 C' R7 ^

' H0 D* ]% G/ i" ?/ t[ 本帖最后由 freeinterest 于 2008-10-8 19:45 编辑 ]

评分

参与人数 1三维币 +5 收起 理由
2005llnn + 5 鼓励

查看全部评分

发表于 2008-10-8 20:56:05 | 显示全部楼层 来自: 中国河南焦作

练习

练习~~~~练习~~~练习~~~~3 y  F' @" v; J! j& C
Snap1.jpg

评分

参与人数 1三维币 +10 收起 理由
2005llnn + 10 很好

查看全部评分

发表于 2008-10-8 22:55:03 | 显示全部楼层 来自: 中国湖北襄阳
抓紧时间交作业
03.jpg

评分

参与人数 1三维币 +10 收起 理由
2005llnn + 10 很好

查看全部评分

发表于 2008-10-10 09:38:53 | 显示全部楼层 来自: 中国福建莆田
我的基础练习题12
. K* f; y. m; t2 p 截图00.jpg

评分

参与人数 1三维币 +5 收起 理由
2005llnn + 5 鼓励,错误较多

查看全部评分

发表于 2008-10-10 12:58:06 | 显示全部楼层 来自: 中国四川绵阳
ADBAA
4 K: s7 V3 N4 H. X 基础综合练习12.jpg

评分

参与人数 1三维币 +8 收起 理由
2005llnn + 8 很好,第4角度标注有误

查看全部评分

发表于 2008-10-13 12:05:00 | 显示全部楼层 来自: 中国福建厦门
俺也练习练习!
( ~' C( Q( V+ f5 X) u$ s; F# K7 P1.A 2.D 3.B 4.A 5.A
未命名.jpg

评分

参与人数 1三维币 +10 收起 理由
2005llnn + 10 很好

查看全部评分

发表于 2008-10-13 23:11:39 | 显示全部楼层 来自: 中国江苏无锡
在这求助一下:
5 P8 ~5 L, s2 F) P* l) U0 a* n$ a有谁能告诉我下,“中心点D至E角度”是指的哪个角度??怎么标注或查询,不胜感谢!!!
- `9 z" X  u2 X1 O6 K" Z; Y, N惭愧啊,到现在还不知道这是指什么。。。0 E- F( E, Z, V2 U: w4 Y' D

$ X3 F' x, c( J- C6 y[ 本帖最后由 yunfei2046 于 2008-10-13 23:12 编辑 ]
发表于 2008-10-14 19:21:46 | 显示全部楼层 来自: 中国江西新余
抽空作了一个,交上来。
" N- ?! B& _# b* i* j- E# U9 O6 l  J. z

0 P( r3 E. N" g9 o1 l0 ? 三维基础练习12(原).jpg

评分

参与人数 1三维币 +5 收起 理由
2005llnn + 5 没有给出答案

查看全部评分

发表于 2008-10-15 07:59:51 | 显示全部楼层 来自: 中国江苏苏州
作业交上来,请检查。
练习12.JPG

评分

参与人数 1三维币 +10 收起 理由
2005llnn + 10 很好

查看全部评分

发表于 2008-10-16 21:17:23 | 显示全部楼层 来自: 中国广东广州
我来交作业..: Z0 `! p, Q7 X2 z: a) ?/ L
3 Y+ t$ q9 ^" ^
[ 本帖最后由 messenger 于 2008-10-17 00:02 编辑 ]
基础12.jpg

基础12.dwg

42.56 KB, 下载次数: 6

评分

参与人数 1三维币 +5 收起 理由
2005llnn + 5 没有给出答案

查看全部评分

发表于 2008-10-16 22:42:48 | 显示全部楼层 来自: 中国甘肃张掖
学习,练习!
基础综合练习12原题答案.jpg

评分

参与人数 1三维币 +10 收起 理由
2005llnn + 10 很好

查看全部评分

发表于 2008-10-17 23:06:37 | 显示全部楼层 来自: 中国浙江台州

上交了

答案:1).A     (2).D     (3).B     (4).A     (5).A
22.jpg

评分

参与人数 1三维币 +10 收起 理由
2005llnn + 10 很好

查看全部评分

发表于 2008-10-17 23:18:11 | 显示全部楼层 来自: 中国新疆克拉玛依
请教一下楼主,为什么我画的图尺寸和 原图一样,算出来的面积不一样呢?谢谢了!
基础练习12.jpg

评分

参与人数 1三维币 +5 收起 理由
2005llnn + 5 鼓励,方法正确才行。

查看全部评分

头像被屏蔽
发表于 2008-10-18 08:47:50 | 显示全部楼层 来自: 中国浙江绍兴
提示: 作者被禁止或删除 内容自动屏蔽
发表于 2008-10-24 11:35:06 | 显示全部楼层 来自: 中国辽宁沈阳
交了, l! [1 x! ~9 o; w2 ^% U
才忙活完6 \0 s, @! [+ e
答案:1、A   2、D  3、B  4、A  5、A
11.jpg

评分

参与人数 1三维币 +10 收起 理由
2005llnn + 10 很好

查看全部评分

发表于 2008-10-24 17:33:08 | 显示全部楼层 来自: 中国湖南长沙
基础练习12~
基础练习12.jpg

评分

参与人数 1三维币 +5 收起 理由
2005llnn + 5 很好

查看全部评分

发表回复
您需要登录后才可以回帖 登录 | 注册

本版积分规则


Licensed Copyright © 2016-2020 http://www.3dportal.cn/ All Rights Reserved 京 ICP备13008828号

小黑屋|手机版|Archiver|三维网 ( 京ICP备2023026364号-1 )

快速回复 返回顶部 返回列表