QQ登录

只需一步,快速开始

登录 | 注册 | 找回密码

三维网

 找回密码
 注册

QQ登录

只需一步,快速开始

展开

通知     

全站
8天前
查看: 1763|回复: 7
收起左侧

[讨论结束] 高手能帮我分析一下这个电路吗?

 关闭 [复制链接]
发表于 2008-10-8 14:59:01 | 显示全部楼层 |阅读模式 来自: 中国北京

马上注册,结识高手,享用更多资源,轻松玩转三维网社区。

您需要 登录 才可以下载或查看,没有帐号?注册

x
1这个电路实现的功能是上半部分将频率信号转换成4-20mA的电流信号,下半部分将电位器的位置转换成4-20mA.
6 ]$ \$ ~2 \- n. U4 M2我想知道运放LM2904,4093(是触发器吗?)单稳触发器4047和三级管2n5192在电路中起什么作用?& u/ L6 L4 p9 B, O7 g4 V9 G& F
3我正在学习,希望高手讲的越详细越好。: n- C" j1 r8 N0 G
4谢谢!
! |$ G+ H8 l% G8 I" Q5 G" s5 s* i! V# K& ]! c. }0 v5 o6 z$ o$ b
05130L.JPG
发表于 2008-10-10 15:33:09 | 显示全部楼层 来自: 中国广东深圳
怎么没人回复呢( d, Q$ [1 l" g+ ~) Y7 j
俺也想看看高手的讲解
 楼主| 发表于 2008-10-13 08:25:59 | 显示全部楼层 来自: 中国北京
自己顶一下,东西我已经做出来了,还是想听听高手的分析。4 k- \4 n" f( N6 }
如果没人能分析,我就找管理把帖子删除了。
发表于 2008-10-13 10:08:25 | 显示全部楼层 来自: 中国上海
看不懂,不能帮忙了
发表于 2008-10-13 10:09:17 | 显示全部楼层 来自: 中国广东汕头
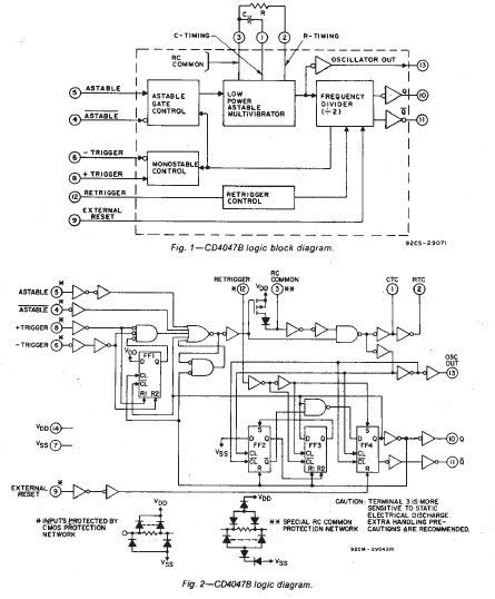
Cd4093(四2输入与非施密特触发器)8 Z4 B7 C1 J5 \9 |2 P
CD4047(无稳态/单稳态多谐振荡器)1.,2.,3脚,6脚负触发,8脚正触发,9脚复位。13脚osc输出,11,10脚Q-,Q输出5 w6 `- c1 O- y) [5 O& Y

  s9 V$ A: I5 g8 l+ P5 X[ 本帖最后由 cylzwx 于 2008-10-13 10:17 编辑 ]
4047.jpg
发表于 2008-10-14 01:09:01 | 显示全部楼层 来自: 中国陕西西安
功能看不清楚,觉得电路有点复杂,像是老美的风格。
 楼主| 发表于 2008-10-15 11:25:31 | 显示全部楼层 来自: 中国北京
真是感谢大家了。谢谢谢谢
 楼主| 发表于 2008-10-15 11:31:38 | 显示全部楼层 来自: 中国北京
请求管理删除!
发表回复
您需要登录后才可以回帖 登录 | 注册

本版积分规则


Licensed Copyright © 2016-2020 http://www.3dportal.cn/ All Rights Reserved 京 ICP备13008828号

小黑屋|手机版|Archiver|三维网 ( 京ICP备2023026364号-1 )

快速回复 返回顶部 返回列表