QQ登录

只需一步,快速开始

登录 | 注册 | 找回密码

三维网

 找回密码
 注册

QQ登录

只需一步,快速开始

展开

通知     

查看: 1282|回复: 2
收起左侧

[求助] 多路换向阀资料

[复制链接]
发表于 2008-10-9 08:08:39 | 显示全部楼层 |阅读模式 来自: 中国辽宁铁岭

马上注册,结识高手,享用更多资源,轻松玩转三维网社区。

您需要 登录 才可以下载或查看,没有帐号?注册

x
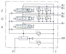
维修需要CDB-F15L多路换向阀内部结构图,有图纸最好,请大家帮忙.
发表于 2008-10-9 10:40:14 | 显示全部楼层 来自: 中国河南新乡
http://www.3dportal.cn/discuz/c请看附件。。。。。。。。。。- `1 n. p6 C$ {" p9 x- B& x

" d; S, f& K. s+ {+ H% O3 t[ 本帖最后由 jingdongbo 于 2008-10-9 10:43 编辑 ]
3_3.jpg
发表于 2008-10-9 10:45:53 | 显示全部楼层 来自: 中国河南新乡

性能参数

性能参数 $ a$ Q8 z" Y& b( h6 i- E
公称压力(MPa) 20
7 N9 Q9 K1 J( k' _公称通经 15
" q" W/ W* Q- U/ `. l公称流量(L/min) 80
! i7 Q& X) f: T, [# d; i0 f5 N, D换向体联数n 1~8
; r2 E6 i1 u8 t% ^8 d; a9 b分流流量(L/min) 8~16 * j# M+ w  H; i8 n& V, |0 M( L
分流安全阀压力(MPa) 9
) j6 I5 R/ B) c; i/ B7 _0 [重量(Kg) 5.1+2.6 + \4 X2 l' w( T6 H. ?4 h1 c+ v
4 e6 j, l+ y# O2 s7 {% g/ H
孔口 A B C
: i- ?, q1 `0 q7 F' }P,T口 23.8 M22×1.5 3.2
5 [$ o/ L7 ^, p  s, A3 xA,B口 22.5 M20×1.5 2.4
发表回复
您需要登录后才可以回帖 登录 | 注册

本版积分规则


Licensed Copyright © 2016-2020 http://www.3dportal.cn/ All Rights Reserved 京 ICP备13008828号

小黑屋|手机版|Archiver|三维网 ( 京ICP备2023026364号-1 )

快速回复 返回顶部 返回列表