QQ登录

只需一步,快速开始

登录 | 注册 | 找回密码

三维网

 找回密码
 注册

QQ登录

只需一步,快速开始

展开

通知     

全站
2天前
查看: 1519|回复: 3
收起左侧

[求助] 可调稳压管(0.5-5v)

[复制链接]
发表于 2008-10-10 08:46:31 | 显示全部楼层 |阅读模式 来自: 中国河南新乡

马上注册,结识高手,享用更多资源,轻松玩转三维网社区。

您需要 登录 才可以下载或查看,没有帐号?注册

x
请各位帮忙推荐一种可调稳压管(0.5-5v),用于参考电压的调节,谢谢
发表于 2008-10-10 10:23:17 | 显示全部楼层 来自: 中国四川成都
用外接电源的稳压器可用TL431(TO-92封装),输出电流可达100mA,它的纹波系数和稳定性都较好。我记得该型稳压器的最低稳压值是1.25V,可将电路做些改动来满足0.5V至5V的稳压范围需要。: A) i' r7 w+ C1 v! @, b, [
做参考电压的输出电流是很小的,但电压须稳定。建议用放电平稳的锂电池做恒压源,选几只适当阻值的精密电阻串联做分压电阻,在电阻接点抽头做输出电压的粗调,用多圈电位器进行微调。这种电源虽简单,但它不受环境电磁影响,其输出电压调节范围从0V到电池电压。
 楼主| 发表于 2008-10-18 08:23:10 | 显示全部楼层 来自: 中国河南新乡
谢谢楼上的答复,我查了资料,它的输出是2.5v以上的,如何改呢,请帮忙,谢谢
发表于 2008-10-23 10:48:49 | 显示全部楼层 来自: 中国四川成都
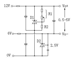
可用双电源整流、滤波输入,TL431(D1)按常规电路连接,调整R1、R2电阻的比值使输出的最低电压为3V,调节R1使满刻度电压为7.5V。另用一只TL431(D2)将其参考电压固定在2.5V,且将D1与D2的阴级端连在一起(见图示)。用两只TL431稳压管阳级的输出作为负载的参考电压,D1阳级为参考电压+,D2阳级为参考电压-。VoL=3-2.5=0.5V,VoH=7.5-2.5=5V,仅供参考。
4 L1 F- _6 j( k5 UTL431
1 H( T' P' Q& ^3 Q( F3 \ TL431.JPG
6 ~6 C: z% M5 w6 }3 I5 R) g  h
/ ~  l* Q- ]6 a& chttp://www.3dportal.cn/discuz/images/sanwei/attachimg.gif改动接法$ v/ W/ o( P& C# j) Y) z1 L; ?
改动接法.JPG
发表回复
您需要登录后才可以回帖 登录 | 注册

本版积分规则

Licensed Copyright © 2016-2020 http://www.3dportal.cn/ All Rights Reserved 京 ICP备13008828号

小黑屋|手机版|Archiver|三维网 ( 京ICP备2023026364号-1 )

快速回复 返回顶部 返回列表