QQ登录

只需一步,快速开始

登录 | 注册 | 找回密码

三维网

 找回密码
 注册

QQ登录

只需一步,快速开始

展开

通知     

查看: 11523|回复: 85
收起左侧

[分享] 自编资料夹具图集

 关闭 [复制链接]
发表于 2008-10-12 15:29:32 | 显示全部楼层 |阅读模式 来自: 中国上海

马上注册,结识高手,享用更多资源,轻松玩转三维网社区。

您需要 登录 才可以下载或查看,没有帐号?注册

x
自编资料车床夹具图集11 }( e" r, r+ q
9 K! U1 n& C. [! m% l$ K
[ 本帖最后由 渔樵 于 2009-1-5 11:23 编辑 ]

车床夹具.part1.rar

1.91 MB, 下载次数: 264

车床夹具[1].part2.rar

518.86 KB, 下载次数: 253

评分

参与人数 1三维币 +5 收起 理由
渔樵 + 5 好资料,感谢您对论坛的支持!

查看全部评分

 楼主| 发表于 2008-10-12 15:36:44 | 显示全部楼层 来自: 中国上海

磨床夹具

自编资料磨床夹具图集

磨床夹具.rar

1.21 MB, 下载次数: 190

 楼主| 发表于 2008-10-12 15:39:55 | 显示全部楼层 来自: 中国上海

刨,拉,滚,插床夹具

自编资料刨,拉,滚,插床夹具图集1

刨,拉,滚,插床夹具.rar

1.02 MB, 下载次数: 165

 楼主| 发表于 2008-10-12 15:41:25 | 显示全部楼层 来自: 中国上海

刨,拉,滚,插床夹具

自编资料刨,拉,滚,插床夹具图集2

刨,拉,滚,插床夹具a.rar

154.82 KB, 下载次数: 160

 楼主| 发表于 2008-10-12 15:45:23 | 显示全部楼层 来自: 中国上海

其它夹具

自编资料其它夹具图集

其它夹具.rar

1.41 MB, 下载次数: 177

 楼主| 发表于 2008-10-12 15:47:53 | 显示全部楼层 来自: 中国上海

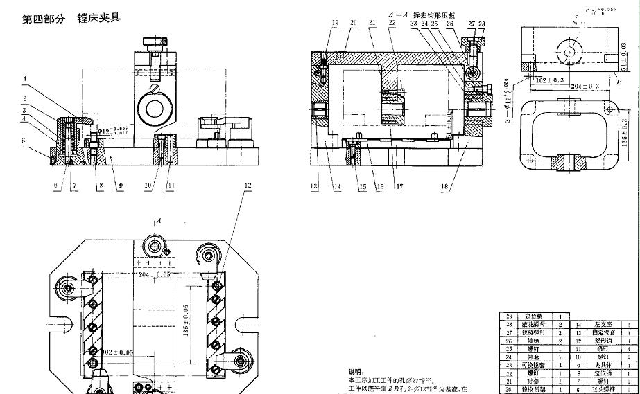
镗床夹具

自编资料镗床夹具图集

镗床夹具.rar

547.64 KB, 下载次数: 179

发表于 2008-10-12 15:50:15 | 显示全部楼层 来自: 中国江西九江
截个图,有16页
QQ截图未命名.jpg
发表于 2008-10-12 15:52:25 | 显示全部楼层 来自: 中国江苏常州
为什么不是CAD啊 ?
 楼主| 发表于 2008-10-12 15:53:52 | 显示全部楼层 来自: 中国上海

铣床夹具

自编资料铣床夹具图集2

铣床夹具a.rar

101.71 KB, 下载次数: 165

 楼主| 发表于 2008-10-12 16:00:13 | 显示全部楼层 来自: 中国上海

钻床夹具

自编资料钻床夹具图集1

钻床夹具.rar

1.74 MB, 下载次数: 162

 楼主| 发表于 2008-10-12 16:10:13 | 显示全部楼层 来自: 中国上海

钻床夹具

自编资料钻床夹具图集2

钻床夹具a.rar

1.03 MB, 下载次数: 157

发表于 2008-10-13 18:02:19 | 显示全部楼层 来自: 中国河北廊坊
谢谢分享 :P
发表于 2008-10-16 20:56:56 | 显示全部楼层 来自: 中国广东深圳
LZ太牛了,什么时候我能自编一本不错的资料呢,下下来学习一下了。
发表于 2008-10-16 21:49:59 | 显示全部楼层 来自: 中国福建三明
资料还是不错的
c.jpg
m.jpg
b.jpg
t.jpg
x.jpg
z.jpg
发表于 2008-11-18 19:08:00 | 显示全部楼层 来自: 中国安徽合肥
很感谢楼主,本人也是从事机床夹具设计,很有感触!
发表于 2008-12-11 12:24:24 | 显示全部楼层 来自: 中国湖南湘潭
感谢LZ
发表于 2008-12-15 22:34:14 | 显示全部楼层 来自: 中国江苏苏州
是不是PDF的,我没有CAD软件,说明一下好吗
发表于 2008-12-16 21:11:01 | 显示全部楼层 来自: 中国江苏无锡
楼主真厉害,这么多夹具资料
发表于 2008-12-17 00:15:49 | 显示全部楼层 来自: 中国吉林长春
好,谢谢楼主
发表于 2008-12-17 09:14:04 | 显示全部楼层 来自: 中国北京
我也下了学习学习
发表于 2008-12-17 09:19:16 | 显示全部楼层 来自: 中国北京
非常好实用的资料,感谢楼主的无私奉献
发表于 2008-12-17 16:57:54 | 显示全部楼层 来自: 中国上海
多谢分享,很不错的资料,有保留价值。
发表于 2008-12-18 12:30:39 | 显示全部楼层 来自: 中国江苏常州
真的是好资料吗?大家都说好,我也下了看看吧!
发表于 2008-12-22 17:49:03 | 显示全部楼层 来自: 中国山东烟台

6140拨叉设计

谢谢 太牛了
发表于 2008-12-22 18:37:56 | 显示全部楼层 来自: 中国山东青岛
下了学习一下,谢谢分享。
发表回复
您需要登录后才可以回帖 登录 | 注册

本版积分规则


Licensed Copyright © 2016-2020 http://www.3dportal.cn/ All Rights Reserved 京 ICP备13008828号

小黑屋|手机版|Archiver|三维网 ( 京ICP备2023026364号-1 )

快速回复 返回顶部 返回列表